Запчасти Case IH 100A (10.218.AI[02]) - FUEL INJECTOR RETURN LINE (10) - ENGINE

Схема запчастей Case IH 100A - (10.218.AI[02]) - FUEL INJECTOR RETURN LINE (10) - ENGINE
10.218.ai 01
3
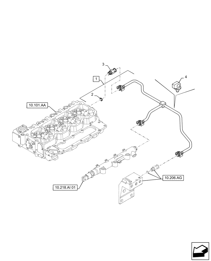
1
10.101.aa
4
2
10.206.ag
FIT
1:1
100%

Артикул

Название

Примечание

Количество

1

2855336

RETURN PIPE

Drain, Incl 2

1шт.

2

4894095

O-RING,2.5mm Thk x 8mm ID, 60 Duro

Incl with 1

3шт.

3

4896329

VALVE PRESSURE RELIE,M12 x 1.5

Cylinder Head

1шт.

4

4896996

CLAMP,8mm D Clamping pipes

Fuel Pipe

1шт.

Выбрано товаров: 4