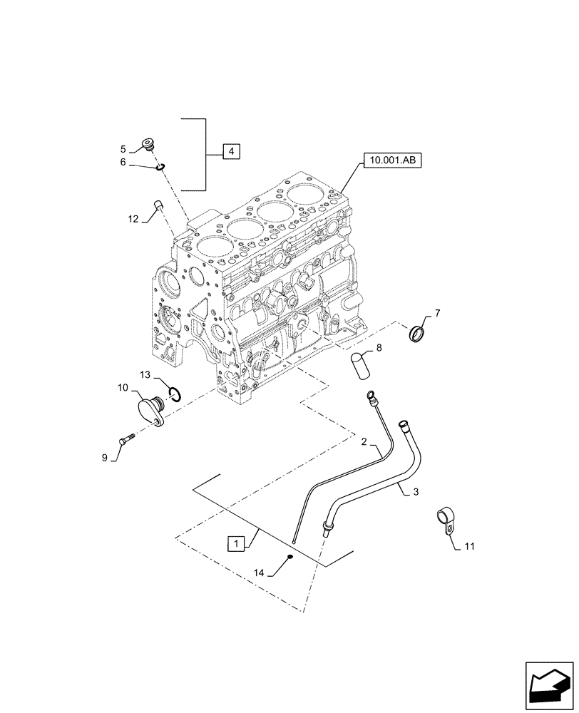
Запчасти Case IH 100A (10.304.AS) - DIPSTICK - ENGINE OIL (10) - ENGINE

Схема запчастей Case IH 100A - (10.304.AS) - DIPSTICK - ENGINE OIL (10) - ENGINE
9
7
14
3
11
8
4
6
12
5
13
2
10.001.ab
10
1
FIT
1:1
100%

Артикул

Название

Примечание

Количество

1

2855812

DIPSTICK

Oil Level Assy, Incl 2 - 3

1шт.

2

2855815

DIPSTICK

Incl with 1

1шт.

3

2855813

TUBE

Incl with 1

1шт.

4

4897330

HEX SOCKET PLUG,M12 x 1.5

Incl 5 - 6

2шт.

5

4897459

PLUG,M12 x 1.5 x 11.5mm L

Incl with 4

1шт.

6

4895610

O-RING,2.2mm Thk x 9.3mm ID

Incl with 4

1шт.

7

4895037

EXPANSION PLUG,32.03mm

1шт.

8

2857051

PLASTIC PLUG,25mm ID, 70mm L

Cover

1шт.

9

2853118

BOLT,Hex, M6 x 1 x 18mm

M6 x 1mm x 18mm

1шт.

10

2855059

PLUG

Alternate Filler Neck

1шт.

11

2852485

BRACKET

Dipstick Tube

1шт.

12

4895406

EXPANSION PLUG,9.8mm OD

2шт.

13

2852801

O-RING

Oil Filler Plug

1шт.

14

4898502

O-RING,0.364" ID x 0.504" OD x 0.07"

Dipstick

1шт.

Выбрано товаров: 14