Запчасти Case IH 100A (55.100.DO) - RELAYS, FUSE BOX & SOLENOID (55) - ELECTRICAL SYSTEMS

Схема запчастей Case IH 100A - (55.100.DO) - RELAYS, FUSE BOX & SOLENOID (55) - ELECTRICAL SYSTEMS
12
6
2
1
16
9
11
4
5
10
55.101.ac 01
14
8
15
7
3
13
FIT
1:1
100%

Артикул

Название

Примечание

Количество

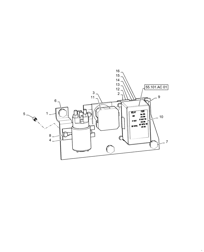
1

47703831

BRACKET

Electrical Components

1шт.

2

47703833

FUSE BOX

Assy

1шт.

3

47703857

RELAY

Solenoid, 24V/150A with Shield

1шт.

4

2929604

RELAY

Engine

1шт.

5

87441708

NUT

1/4" - 20

4шт.

6

412123

LOCK WASHER,13.1mm ID x 21.1mm OD x 2.55mm Thk

3шт.

7

300388

BOLT,Hex, M12 x 1.75 x 25mm, Cl 8.8

3шт.

8

523292

BOLT,1/4" - 20 x 1.03" OAL

4шт.

9

121-143

FLANGE BOLT,Hex Serr, #10" - 32 x 1/2"

4шт.

10

47703853

DECAL

Fuse Box

1шт.

11

178148A1

COVER

Solenoid Terminal

1шт.

12

87522597

FUSE,10A, Mini, Red

1шт.

13

87524877

FUSE,15A, Mini, Blue

15 Amp

1шт.

14

10401190

FUSE,20A, Mini, Yellow

20 Amp

1шт.

15

10402190

FUSE,30A, Mini

30 Amp

1шт.

16

47709460

RELAY,24V, 20A

20A, 24V

1шт.

Выбрано товаров: 16