Запчасти Case IH 120A (10.001.AB) - CRANKCASE (10) - ENGINE

Схема запчастей Case IH 120A - (10.001.AB) - CRANKCASE (10) - ENGINE
1
1
15
10
3
9
1
12
2
1
15
1
17
10.106.aa
6
4
10.105.ag
1
10.106.ap
1
16
8
5
13
3
1
11
1
1
7
14
1
FIT
1:1
100%

Артикул

Название

Примечание

Количество

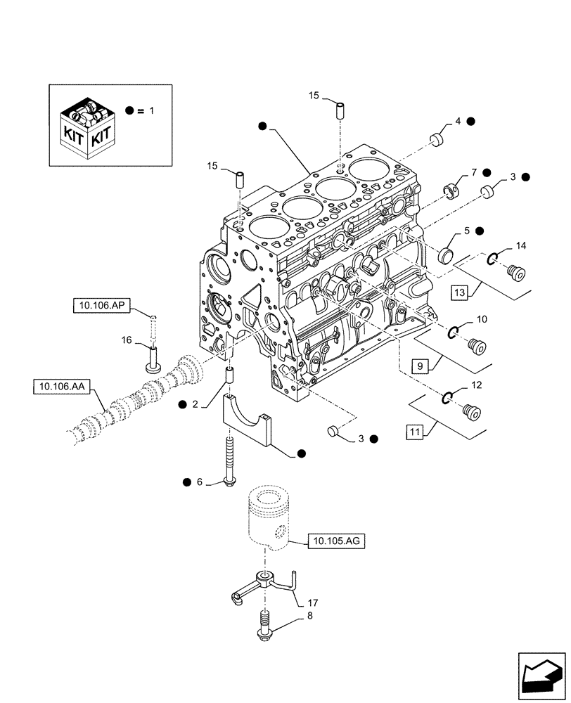
1

2830082

CYLINDER BLOCK,4 Cylinders

Incl 2 - 7

1шт.

2

4899026

DOWEL,M18 x 10

Incl with 1

10шт.

3

4895039

EXPANSION PLUG,M17.73

Incl with 1

3шт.

4

4895038

EXPANSION PLUG,M58.06

Incl with 1

4шт.

5

4895228

EXPANSION PLUG,35.23mm x 7.94mm

Incl with 1

2шт.

6

4891353

SCREW,Flg Hd, M12 x 1.5 x 120

Incl with 1

10шт.

7

4895040

BUSHING,54.39mm ID x 59.39mm OD x 25.4mm L

Incl with 1

1шт.

8

4894218

SCREW,Special, M8 x 20

4шт.

9

4895605

HEX SOCKET PLUG,M14 x 1.5

Incl 10

1шт.

10

4899115

O-RING,2.2mm Thk x 11.3mm ID

Incl with 9

1шт.

11

4899009

PLUG,M10 x1

Incl 12

1шт.

12

4899072

O-RING,1.6mm Thk x 8.1mm ID

Incl with 11

1шт.

13

4895392

HEX SOCKET PLUG,M18 x 1.5

Incl 14

1шт.

14

4895393

O-RING,2.2mm Thk x 15.3mm ID

Incl with 13

1шт.

15

4895049

DOWEL,M16.05 x 10

Cylinder Block

2шт.

16

4891226

TAPPET

Push Rod

8шт.

17

2852202

NOZZLE, PISTON COOLI

Oil

4шт.

Выбрано товаров: 17