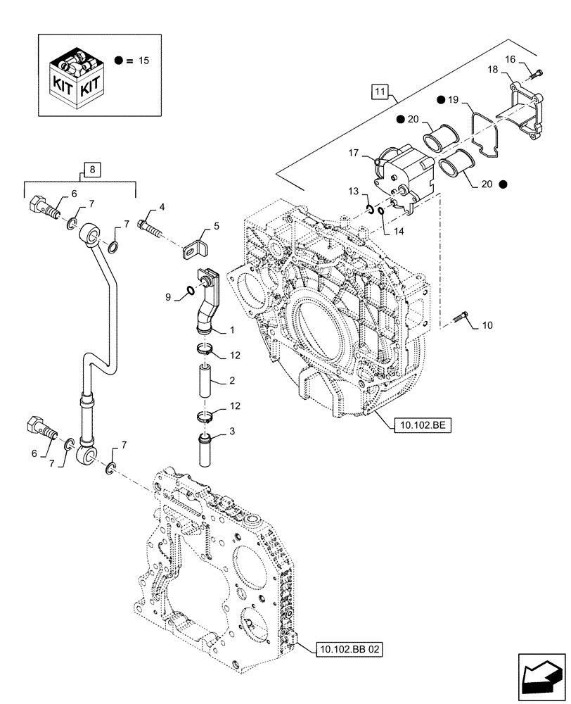
Запчасти Case IH 120A (10.304.AP) - ENGINE BREATHER (10) - ENGINE

Схема запчастей Case IH 120A - (10.304.AP) - ENGINE BREATHER (10) - ENGINE
10.102.bb 02
17
10.102.be
3
11
15
7
6
18
4
7
15
20
5
12
15
20
8
13
9
16
7
14
15
15
7
19
12
1
10
2
6
FIT
1:1
100%

Артикул

Название

Примечание

Количество

1

4897534

TUBE

Breather

1шт.

2

4897546

RUBBER SLEEVE

Breather

1шт.

3

4897547

TUBE

Male Connector

1шт.

4

4897537

SCREW

M6 x 1mm x 10mm

1шт.

5

4897536

BRACKET

Support

1шт.

6

2852772

BANJO BOLT

M12 x 1.5 x 30, Incl with 8

2шт.

7

4899926

SEALING WASHER,11.8mm ID x 18.0mm OD x 1.5mm Thk

Banjo Bolt, Incl with 8

4шт.

8

4899219

TUBE

Breather, Incl 6 - 7

1шт.

9

4898439

O-RING,20.29mm ID x 2.62mm Width

1шт.

10

4899092

SCREW,Hex Flg, M6 x 1 x 25

3шт.

11

4892871

BREATHER

Incl 13 - 20

1шт.

12

4893234

HOSE CLAMP

Breather Hose

2шт.

13

4898372

O-RING,13.11mm ID x 2.62mm Width

Incl with 11

1шт.

14

2830304

O-RING

D = 10.6, Incl with 11

1шт.

15

2830592

AIR FILTER

Breather, Incl with 11

1шт.

16

2830301

SELF-TAP SCREW

Incl with 11

6шт.

17

2830307

BREATHER

Crankcase, Incl with 11

1шт.

18

2830302

COVER

Protective, Incl with 11

1шт.

19

2830303

GASKET

Breather, Incl with 11

1шт.

20

NSS

NOT SOLD SEPARAT

Breather Element, Incl with 11

2шт.

Выбрано товаров: 20