Запчасти Case IH 336BD (064) - FUEL INJECTION SYSTEM, ENGINE LESS FUEL DEVICE, 336BD AND 301BD NATURALLY ASPIRATED ENGINES

Схема запчастей Case IH 336BD - (064) - FUEL INJECTION SYSTEM, ENGINE LESS FUEL DEVICE, 336BD AND 301BD NATURALLY ASPIRATED ENGINES
28
17
27
22
2
3
22
34
36
6
5
24
16
9
13
9
26
25
25
12
8
15
5
33
24
1
8
35
7
6
32
29
4
14
37
23
FIT
1:1
100%

Артикул

Название

Примечание

Количество

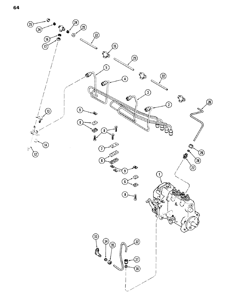
1

REF

INSTRUCTION

PUMP ASSY, fuel injection (See Pgs. 87 & 89)

1шт.

2

A58702

TUBE

Fuel injection, #1 cylinder

1шт.

3

A58703

TUBE

Fuel injection, #2 cylinder

1шт.

4

A58704

TUBE

Fuel injection, #3 cylinder

1шт.

5

A58705

TUBE

Fuel injection, #4 cylinder

1шт.

6

A58709

BRACKET

CLAMP - injection tubes

8шт.

7

A58710

PLATE

Clamp support

1шт.

8

163-19

SCREW,Sl Hex Wshr Hd, #10 - 24 x 1"

SCREW - #10 x 1" N.C. rd. hd.

4шт.

9

131-612

SPRING NUT,Flat, #10 - 24, 0.022" Thk

4шт.

12

REF

INSTRUCTION

NOZZLE ASSY, Fuel inj. (See Pg. 69)

1шт.

13

A58695

CLAMP

ASSY, nozzle

4шт.

14

A58696

SPACER

SPACER - nozzle clamp

4шт.

15

A58960

TEE,1/2" - 25 NPT x 1/2" - 25 NPT x 9/16" - 24 NPT

TEE - nozzle to leak-off lines

4шт.

16

A58962

GROMMET,9.14mm ID x 12.82mm OD x 5.28mm Thk

Tee

4шт.

17

A58961

NUT

Tee

4шт.

22

A58965

TUBE

Leak-off, 4-5/8" long

2шт.

23

A58964

TUBE

Leak-off, 5-5/8" long

1шт.

24

222-102

SLEEVE,1/4" Tube

8шт.

25

87017024

TUBE NUT,1/2"-24

For 1/4" tube

8шт.

26

A58963

TUBE

#1, Serial Range: nozzle-pump

1шт.

27

A28098

VALVE

ASSY, check

1шт.

28

222-102

SLEEVE,1/4" Tube

1шт.

29

87017024

TUBE NUT,1/2"-24

For 1/4" tube

1шт.

32

A59226

TUBE

Heat, Serial Range: exchanger-pump

1шт.

33

222-43

ELBOW,90 Degree, 1/2"-24 Fem x 1/4"-27 NPTF

ASSY, Tube

1шт.

34

222-102

SLEEVE,1/4" Tube

1шт.

35

87017024

TUBE NUT,1/2"-24

For 1/4" tube

1шт.

36

222-102

SLEEVE,1/4" Tube

1шт.

37

87017024

TUBE NUT,1/2"-24

For 1/4" tube

1шт.

Выбрано товаров: 0