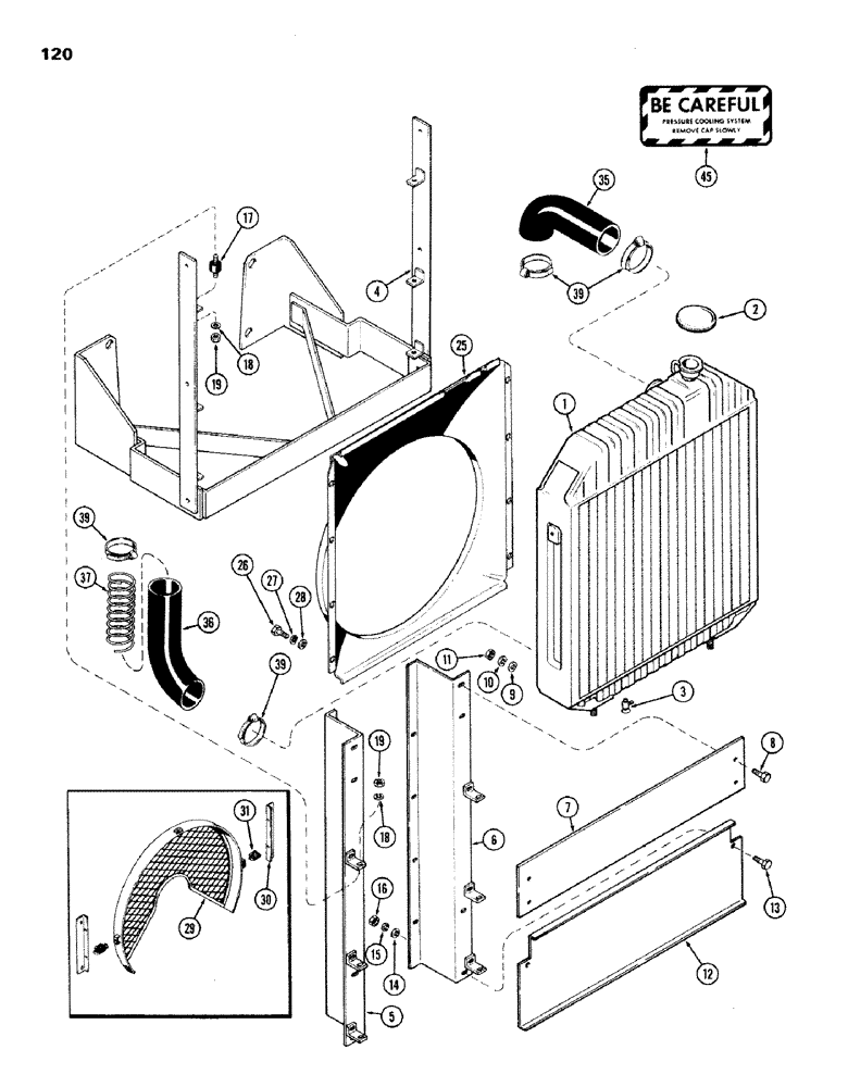
Запчасти Case IH 336BDT (120) - COOLING SYSTEM, B, C

Схема запчастей Case IH 336BDT - (120) - COOLING SYSTEM, B, C
5
30
19
6
3
15
31
13
25
4
37
19
7
39
10
12
9
27
11
39
26
36
18
17
29
8
1
16
35
45
2
18
39
14
FIT
1:1
100%

Артикул

Название

Примечание

Количество

1

A66330

RADIATOR

(Qty: B, C- 1)

1шт.

2

A61784

CAP

- radiator (Qty: B, C- 1)

1шт.

3

A23655

VALVE

- radiator drain (Qty: B, C- 1)

1шт.

4

A64624

SUPPORT - radiator (Qty: B, C- 1)

1шт.

5

A65584

SUPPORT

BRACKET - radiator mounting, R. H. (Qty: B, C- 1)

1шт.

6

A65585

BRACKET - radiator mounting, L. H. (Qty: B, C- 1)

1шт.

7

A65469

BAFFLE - radiator top (Qty: B, C- 1)

1шт.

8

280345

BOLT,Hex, 5/16" - 18 x 7/8", Gr 5, Full Thd

- 5/16 x 7/8" N.C. hex. (Qty: B, C- 4)

1шт.

9

195-130

WASHER - 3/8 x 7/8" N.C. hex. (Qty: B, C- 4)

1шт.

10

192-45

LOCK WASHER

- lock, 5/16" (Qty: B, C- 4)

1шт.

11

129-518

NUT,5/16"-18, G5

- 5/16" N.C. hex. (Qty: B, C- 4)

1шт.

12

A65468

BAFFLE - radiator, bottom (Qty: B, C- 1)

1шт.

13

113-221

BOLT,Hex, 3/8" - 16 x 7/8", Gr 5

(Qty: B, C- 2) Hex, 3/8"-16 x 7/8", G5, Full Thd

1шт.

14

195-525

WASHER,3/8", SAE

- 13/32 x 13/16 x 1/16" (Qty: B, C- 2)

1шт.

15

192-21

LOCK WASHER,3/8"

WASHER, LOCK, (Qty: B, C- 2) 3/8"

1шт.

16

129-103

NUT,Hex, 3/8" - 16, Gr 5

NUT, (Qty: B, C- 2) 3/8"-16, G5

1шт.

17

L11236

BOLT

BOLT - radiator shock mount (Qty: B, C- 6)

1шт.

18

92-5

LOCK WASHER,5/16"

(Qty: B, C- 12) 5/16"

1шт.

19

9635082

NUT,5/16" - 18, Gr 5

- 5/16" N.C. hex. (Qty: B, C- 12)

1шт.

25

A59891

GUARD

SHROUD - radiator (Qty: B, C- 1)

1шт.

26

113-29

BOLT,Hex, 1/4" - 20 x 3/4", Gr 5, Full Thd

- 1/4 x 3/4 x 1/16" (Qty: B, C- 8)

1шт.

27

195-127

WASHER - 5/16 x 3/4 x 1/16" (Qty: B, C- 8)

1шт.

28

192-44

LOCK WASHER

- lock, 1/4" (Qty: B, C- 8)

1шт.

29

A65855

GUARD - fan (Qty: C- 1)

1шт.

30

A65860

ANGLE - spring mounting (Qty: C- 2)

1шт.

31

A20966

SPRING

- guard mounting (Qty: C- 2)

1шт.

35

A65689

HOSE,2.50" ID x 9.00", SAE 20R4 CLASS SC

RADIATOR HOSE, , Upper (Qty: B, C- 1) 2.50" ID x 9.00", SAE 20R4 CLASS SC

1шт.

36

A65690

HOSE,2.50" ID x 8.75", SAE 20R4 CLASS SC

RADIATOR HOSE, , Lower (Qty: B, C- 1) 2.50" ID x 8.75", SAE 20R4 CLASS SC

1шт.

37

A65691

SPRING

- lower hose (Qty: B, C- 1)

1шт.

39

214-262

HOSE CLAMP,#44, 2.31" - 3.25", Type F Worm

CLAMP - hose, 2-5/16 to 3-1/4" (Qty: B, C- 4)

1шт.

45

321-122

DECAL

- pressure cooling system (Qty: B, C- 1)

1шт.

Выбрано товаров: 31