Запчасти Case IH 336DT (074) - SOLENOID, 12 VOLT, F

Схема запчастей Case IH 336DT - (074) - SOLENOID, 12 VOLT, F
23
18
2
20
24
21
18
5
19
8
3
4
22
1
7
15
17
6
14
9
16
FIT
1:1
100%

Артикул

Название

Примечание

Количество

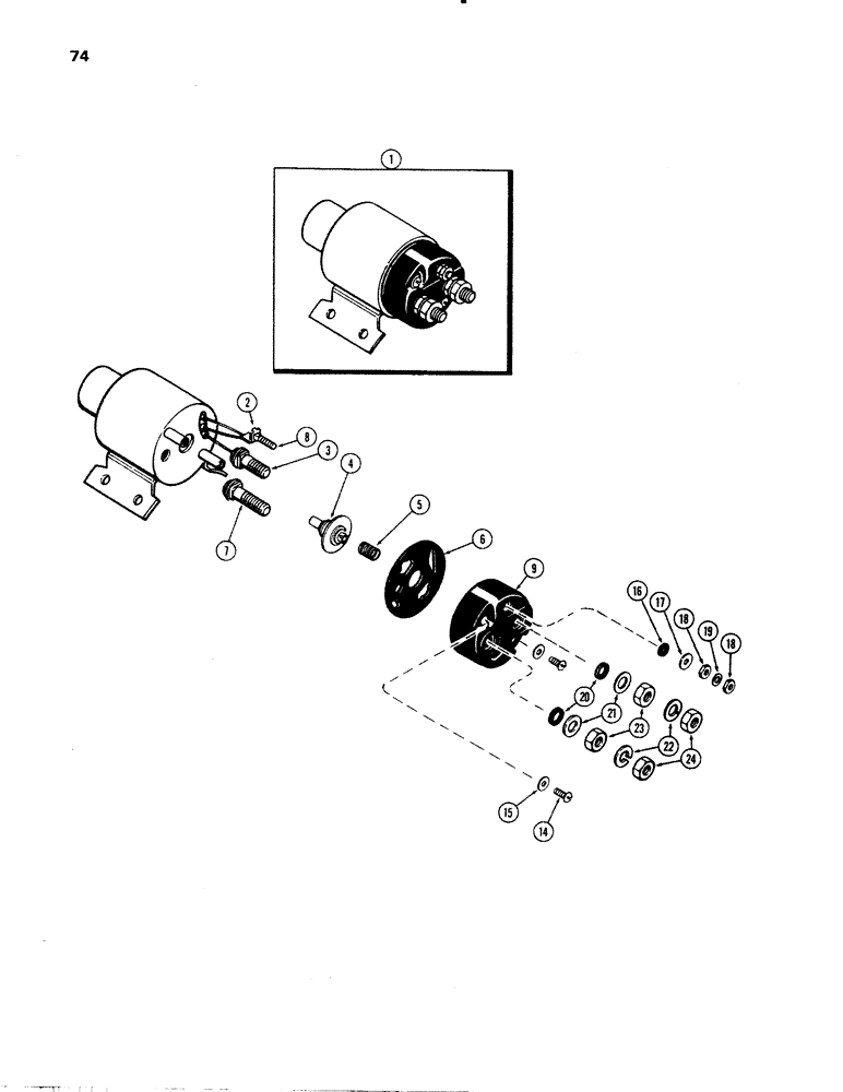
1

A43862

SOLENOID ASSY. - (Delco Remy #1115530) (See note)

1шт.

2

A42088

CLIP - solenoid resistor terminal

1шт.

3

A43603

STUD

- solenoid motor terminal

1шт.

4

A43875

SWITCH

CONTACT - push rod & plate

1шт.

5

A42059

SPRING

- contact return

1шт.

6

A43874

GASKET

- solenoid cover

1шт.

7

A43876

STUD

- battery terminal

1шт.

8

A42090

TERMINAL CONNECTOR

STUD - solenoid switch terminal

1шт.

9

A43873

COVER - solenoid switch

1шт.

14

A42083

SCREW - cover attaching

2шт.

15

D30018

WASHER - cover stud

2шт.

16

A42084

INSULATOR

WASHER - 3/8"

1шт.

17

R16177

WASHER

- 1/2"

1шт.

18

129-37

NUT,#10-32

2шт.

19

192-18

LOCK WASHER,Helical Spring, #10, 0.196" ID, CST, ZND

WASHER, LOCK, #10

1шт.

20

A42085

BUSHING

WASHER - rubber, terminal stud

2шт.

21

R15013

WASHER

- terminal

2шт.

22

192-21

LOCK WASHER,3/8"

WASHER, LOCK, 3/8"

2шт.

23

87016560

JAM NUT,Jam, 3/8"-16, G5

2шт.

24

129-103

NUT,Hex, 3/8" - 16, Gr 5

NUT, 3/8"-16, G5

2шт.

Выбрано товаров: 20