Запчасти Case IH 4390T (088) - CYLINDER BLOCK, 4T-390 ENGINE

Схема запчастей Case IH 4390T - (088) - CYLINDER BLOCK, 4T-390 ENGINE
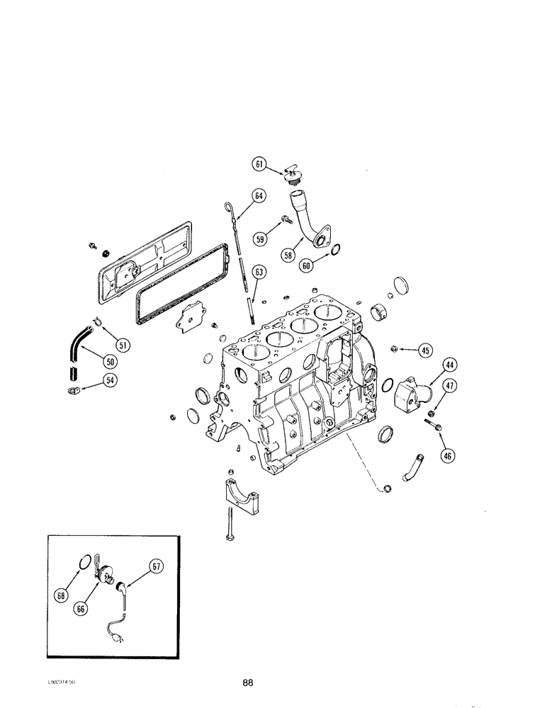
47
45
51
58
68
66
67
61
50
44
59
54
64
46
60
63
FIT
1:1
100%

Артикул

Название

Примечание

Количество

44

J903102

CONNECTION

- water inlet

1шт.

45

J906697

SEAL,Square, 5.16mm Thk x 50.17mm ID

O-RING - sealing, 50 mm ID

1шт.

46

854-10075

BOLT,Hvy Hex, M10 x 75mm, Cl 10.9

- hex flange, 10 mm - 1.50 x 75 mm, Grade 10.9

3шт.

47

A77429

PLUG

- hex socket pipe, 1/2 inch PT

2шт.

50

J906593

HOSE

Breather

1шт.

51

J904230

CLAMP,25.4mm

- spring, hose

1шт.

54

J909670

CLIP

- retaining

1шт.

58

J905440

TUBE

- oil fill

1шт.

59

854-12025

BOLT,Hvy Hex, M12 x 25mm, Cl 10.9

- hex flange, 12 mm - 1.75 x 25 mm, Grade 10.9

2шт.

60

J906696

SEAL,41mm ID x 43mm OD x 2.5mm H

RING - sealing, filler tube

1шт.

61

A77424

FILLER CAP

CAP ASSEMBLY - fill, oil

1шт.

63

J905425

TUBE,9.52 mm OD x 93 mm L

- dipstick, oil

1шт.

64

J905782

DIPSTICK

GAUGE - dipstick, oil level

1шт.

A77634

KIT

HEATER KIT - engine block

1шт.

NOTE:HEATER KIT A77634 IS A 120 VOLT 7/25/96

1шт.

66

NSS

NOT SOLD SEPARAT

ELEMENT - engine heater, 12 volt

1шт.

67

J905113

CABLE

- engine block heater

1шт.

68

J910517

O-RING

- heater sealing

1шт.

Выбрано товаров: 18