Запчасти Case IH 451BDT (090) - FUEL INJECTION SYSTEM, ENGINE LESS FUEL DEVICE, 504BDT AND 451BDT TURBOCHARGED ENGINES (03) - FUEL SYSTEM

Схема запчастей Case IH 451BDT - (090) - FUEL INJECTION SYSTEM, ENGINE LESS FUEL DEVICE, 504BDT AND 451BDT TURBOCHARGED ENGINES (03) - FUEL SYSTEM
11
8
18
25
35
11
32
34
28
12
33
22
16
36
26
1
7
6
24
21
11
4
31
12
19
27
20
7
7
12
15
9
23
7
5
17
2
7
11
12
3
FIT
1:1
100%

Артикул

Название

Примечание

Количество

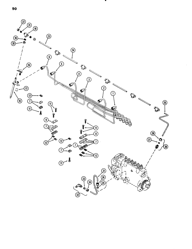
1

A58702

TUBE

ASSY. - fuel injection, #1 cylinder

1шт.

2

A58703

TUBE

ASSY. - fuel injection, #2 cylinder

1шт.

3

A58704

TUBE

ASSY. - fuel injection, #3 cylinder

1шт.

4

A58705

TUBE

ASSY. - fuel injection, #4 cylinder

1шт.

5

A58706

TUBE

ASSY. - fuel injection, #5 cylinder

1шт.

6

A58707

TUBE

ASSY. - fuel injection, #6 cylinder

1шт.

7

A58709

BRACKET

Injection tube

14шт.

8

A58708

PLATE

Injection tube bracket (6 line)

1шт.

9

A58710

PLATE

Injection tube bracket (4 line)

1шт.

11

163-19

SCREW,Sl Hex Wshr Hd, #10 - 24 x 1"

#10 x 1" N.C. rd. hd. mach.

7шт.

12

131-612

SPRING NUT,Flat, #10 - 24, 0.022" Thk

7шт.

15

REF

INSTRUCTION

NOZZLE ASSY. - fuel injection (See Pages 95 & 97)

6шт.

16

A58695

CLAMP

ASSY. - nozzle

6шт.

17

A58696

SPACER

SPACER - nozzle clamp

6шт.

18

A58960

TEE,1/2" - 25 NPT x 1/2" - 25 NPT x 9/16" - 24 NPT

TEE - nozzle leak-off

6шт.

19

A58962

GROMMET,9.14mm ID x 12.82mm OD x 5.28mm Thk

Tee

6шт.

20

A58961

NUT

Tee

6шт.

21

222-102

SLEEVE,1/4" Tube

12шт.

22

87017024

TUBE NUT,1/2"-24

For 1/4" tube

12шт.

23

A58965

TUBE

Leak-off (4-5/8" long)

3шт.

24

A58964

TUBE

Leak-off (5-5/8" long)

2шт.

25

A58963

TUBE

Leak-off, #1, Serial Range: nozzle-valve

1шт.

26

A28098

VALVE

Leak-off check (in injection pump)

1шт.

27

222-102

SLEEVE,1/4" Tube

1шт.

28

87017024

TUBE NUT,1/2"-24

For 1/4" tube

1шт.

31

A58717

TUBE

Oil, Serial Range: gallery-pump

1шт.

32

222-42

ELBOW,90 Degree, 1/2"-24 Fem x 1/8"-27 NPTF

1/4" tube

1шт.

33

222-102

SLEEVE,1/4" Tube

1шт.

34

87017024

TUBE NUT,1/2"-24

1/4" tube

1шт.

35

222-102

SLEEVE,1/4" Tube

Oil gallery to pump

1шт.

36

87017024

TUBE NUT,1/2"-24

Oil gallery to pump

1шт.

Выбрано товаров: 31