Запчасти Case IH 504BDT (044) - CYLINDER BLOCK, ENGINE LESS FUEL DEVICE, 504BDT TURBOCHARGED ENGINES WITH OIL COOLED PISTIONS, C (02) - ENGINE

Схема запчастей Case IH 504BDT - (044) - CYLINDER BLOCK, ENGINE LESS FUEL DEVICE, 504BDT TURBOCHARGED ENGINES WITH OIL COOLED PISTIONS, C (02) - ENGINE
3
6
19
25
7
9
7
31
17
10
5
2
18
11
2
6
20
12
28
4
1
15
7
21
8
3
FIT
1:1
100%

Артикул

Название

Примечание

Количество

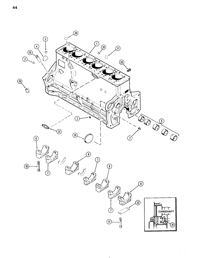
A43150

BLOCK

ASSY. - short

1шт.

SHORT BLOCKS INCLUDE STRIPPED BLOCK, PISTONS, CONN. RODS & BRGS., CRANKSHAFT & BRGS., CAMSHAFT & BUSHINGS, TIMING GEARS & PUSH ROD LIFTERS

1шт.

1

A43149

BLOCK

ASSY. - stripped

1шт.

2

221-1843

PLUG

- 3/8" P.T. hex. sckt. hd.

4шт.

3

221-1041

PLUG

- 1/8" P.T, sltd. hdless.

6шт.

4

A24361

PLUG

- 2-3/8" cup

1шт.

5

A23544

BUSHING

KIT - camshaft

1шт.

6

A58562

CAP

- main brg., wide

2шт.

7

A58563

CAP

- main brg., narrow

3шт.

8

A58564

CAP

- main brg., thrust

1шт.

9

A63902

CAP

- main brg., front

1шт.

10

A58566

STEP BOLT

BOLT - 5/8 x 4-1/2" N.C. spec.

12шт.

11

A58567

STEP BOLT

BOLT - 5/8 x 6-13/16" N.C. spec.

2шт.

12

A58859

SHIM,.005" Thk

Oil pump .005" Thk

1шт.

15

A34540

TUBE

- oil filler

1шт.

17

A58568

PLUG,Cup, 1 3/8", Stainless

- 1-3/8" cup

3шт.

18

A58569

PLUG,Cup, 2", Stainless

- 2" cup

1шт.

19

41-1052

PLUG,Cup, 3 1/4"

- 3-1/4" cup

1шт.

20

221-1845

DRAIN PLUG,Hex Soc, 3/4"-14, NPTF

PLUG - 3/4" P.T. hex. sckt. hd.

1шт.

21

A63903

NOZZLE CAP

NOZZLE - piston oil cooling

6шт.

25

A23656

COCK, DRAIN

VALVE - drain, water

1шт.

28

41-22

PLUG

- tachometer drive hole (1-3/8" cup)

1шт.

31

A58670

GASKET

- heat exchanger tube

1шт.

Выбрано товаров: 23