Запчасти Case IH 6590 (092) - ENGINE ASSEMBLY, 6-590, 6T-590 AND 6TA-590 ENGINE

Схема запчастей Case IH 6590 - (092) - ENGINE ASSEMBLY, 6-590, 6T-590 AND 6TA-590 ENGINE
17
25
1
20
16
12
3
13
15
9
23
27
21
6
22
14
7
4
26
2
8
11
5
10
FIT
1:1
100%

Артикул

Название

Примечание

Количество

A174317

ENGINE ASSEMBLY

ENGINE ASSY ENGINE ASSEMBLY - complete new 6-590 (Includes all parts except starter, alternator, fan, fan belt, air cleaner

1шт.

muffler and exhaust pipe)

1шт.

A174318

ENGINE ASSEMBLY

ENGINE ASSY ENGINE ASSEMBLY - complete new 6T-590 (Includes all parts except starter, alternator, fan, fan belt, air cleaner

1шт.

muffler and exhaust pipe)

1шт.

A174319

ENGINE ASSEMBLY

ENGINE ASSY ENGINE ASSEMBLY - complete new 6TA-590 (Includes all parts except starter, alternator, fan, fan belt, air cleaner

1шт.

muffler and exhaust pipe)

1шт.

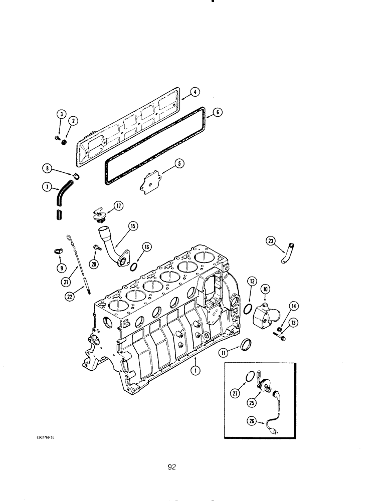
1

REF

INSTRUCTION

BLOCK ASSEMBLY - engine (See page 95,97 or 99)

1шт.

2

J900267

SEAL

SEAL ASSEMBLY - cover bolt

4шт.

3

845-8016

BOLT,Hvy Hex, M8 x 16mm, Cl 8.8

BOLT - hex flange, 8 mm - 1.25 x 16 mm

4шт.

4

J911822

COVER

COVER - tappet

1шт.

5

J907586

BAFFLE

BAFFLE - tappet cover

1шт.

6

J904776

GASKET

GASKET - tappet cover

1шт.

7

J906593

HOSE

Breather

1шт.

8

J904230

CLAMP,25.4mm

CLAMP - spring, hose

1шт.

9

J909670

CLIP

CLIP - retaining, P style

1шт.

10

J903102

CONNECTION

CONNECTION - water inlet

1шт.

11

J900965

PLUG

PLUG - expansion, 58 mm OD

6шт.

12

J906697

SEAL,Square, 5.16mm Thk x 50.17mm ID

O-RING - water inlet

1шт.

13

854-10075

BOLT,Hvy Hex, M10 x 75mm, Cl 10.9

BOLT - hex flange, 10 mm - 1.50 x 75 mm, Grade 10.9

3шт.

14

A77429

PLUG

PLUG - hex socket pipe, 1/2-18 PT

1шт.

15

J905440

TUBE

TUBE - oil fill

1шт.

16

J906696

SEAL,41mm ID x 43mm OD x 2.5mm H

RING - sealing

1шт.

17

A77424

FILLER CAP

CAP ASSEMBLY - fill, oil

1шт.

20

854-12055

BOLT,Hvy Hex, M12 x 55mm, Cl 10.9

BOLT - hex flange, 12 - 1.75 x 55 mm class 10.9

2шт.

21

J905786

DIPSTICK

DIPSTICK ASSEMBLY - engine oil

1шт.

22

J905425

TUBE,9.52 mm OD x 93 mm L

TUBE - dipstick, oil

1шт.

23

J903744

PIPE FITTING,22.42 mm ID x 28 mm OD x 90.2, 64 mm L

TUBE - drain, turbocharger (6T-590 and 6TA-590 Engine)

1шт.

A77634

KIT

HEATER KIT - engine block

1шт.

REF-BLOCK HEATER A77634 IS A 120VOLT 7/25/96

1шт.

25

NSS

NOT SOLD SEPARAT

ELEMENT - heater (Order a77634)

1шт.

26

J905113

CABLE

CABLE - heater, engine

1шт.

27

J910517

O-RING

O-RING - heater sealing

1шт.

Выбрано товаров: 32