Запчасти Case IH 6590 (146) - STARTER ASSEMBLY

Схема запчастей Case IH 6590 - (146) - STARTER ASSEMBLY
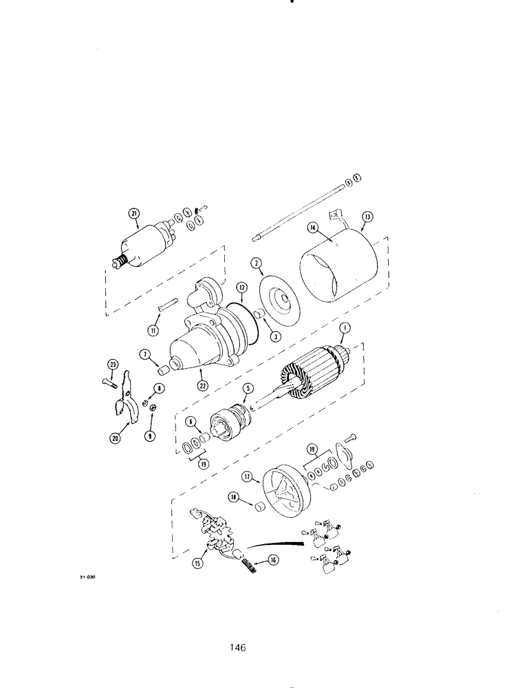
18
11
16
23
6
17
13
15
21
8
2
7
9
12
20
5
19
14
22
3
1
19
FIT
1:1
100%

Артикул

Название

Примечание

Количество

A186180

STARTING MOTOR

STARTER ASSEMBLY - engine (Bosch)

1шт.

1

1964896C1

ARMATURE

- starter

1шт.

2

A186233

HOUSING

BEARING - plate intermediate

1шт.

3

3079432R1

BUSHING

- bearing

1шт.

5

A187777

DRIVE

ASSEMBLY - starter clutch

1шт.

6

K260704

BUSHING

- drive assembly

2шт.

7

K260705

BUSHING

- drive end housing

1шт.

8

3053133R1

SEALING RING,M8 x 11.5 x 1

RING - seal, fork

1шт.

9

691265C1

NUT

- hex, fork

1шт.

11

A186236

SCREW,Torx, M5 x 45mm

- flat head, frame

3шт.

12

A186237

RETAINER

O-RING - bearing

1шт.

13

3079551R91

COIL

ASSEMBLY - field

1шт.

14

3079552R1

BOLT,Flat

SCREW - flat head

4шт.

15

3079553R1

HOLDER

ASSEMBLY - brush

1шт.

16

K965143

SPRING

- brush tension

4шт.

17

K965144

BRACKET

HOUSING - commutator end

1шт.

18

K965145

BUSHING

- commutator cover

1шт.

19

3079555R91

PACKAGE

PARTS KIT - small (shims, rings and seals)

1шт.

20

A187782

LEVER

- starter drive actuating

1шт.

21

1964904C1

SOLENOID SWITCH

SWITCH - solenoid

1шт.

22

1964905C1

PROTECTOR

HOUSING - drive end

1шт.

23

3079430R1

BOLT,Flat

SCREW - flat head, fork pivot

1шт.

Выбрано товаров: 22