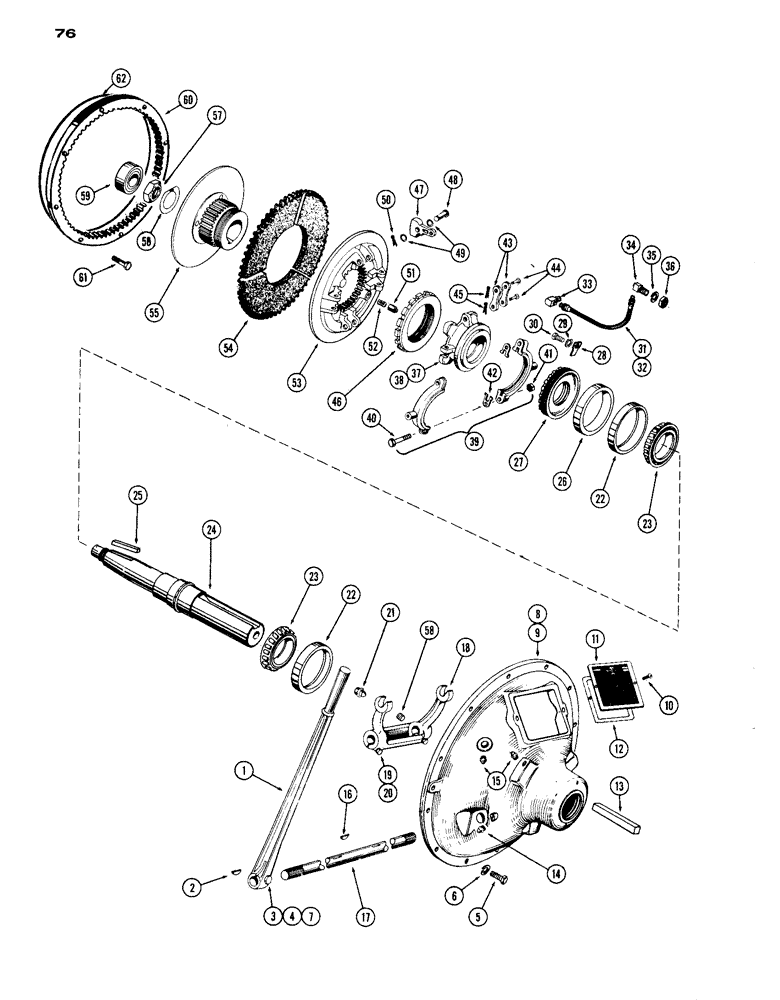
Запчасти Case IH A301D (76) - P.T.O. CLUTCH, SINGLE PULLEY

Схема запчастей Case IH A301D - (76) - P.T.O. CLUTCH, SINGLE PULLEY
4
41
14
19
36
52
55
31
18
44
53
1
2
45
32
5
22
3
28
58
33
27
57
24
60
58
34
35
6
11
37
38
17
7
39
42
43
15
61
51
30
54
21
20
25
59
23
9
48
50
10
40
62
13
8
29
26
47
22
49
23
12
46
16
FIT
1:1
100%

Артикул

Название

Примечание

Количество

1

4716A

LEVER - operating, clutch

1шт.

2

126-24

WOODRUFF KEY,#15, 1/4" x 1"

Lever to shaft #15, 1/4" x 1"

1шт.

3

13-840

BOLT,Hex, 1/2" - 13 x 2-1/2", Gr 5

- 1/2" x 2-1/2" N.C., hex.

1шт.

4

92-8

LOCK WASHER,1/2"

1шт.

5

13-620

BOLT,Hex, 3/8" - 16 x 1-1/4", Gr 5, Full Thd

12шт.

6

92-6

LOCK WASHER,3/8"

12шт.

7

25-108

NUT,1/2"-13, G5

- 1/2" N.C., hex.

1шт.

8

A22360

CLUTCH ASSY. - power take-off

1шт.

9

A40259

HOUSING

- clutch & P.T.O.

1шт.

10

193-515

SCREW,SEMS, But Hd, 1/4"-20 x 1/2"

- sems w/lock, 1/4" x 1/2" N.C.

2шт.

11

A40257

PLATE - instruction & inspection

1шт.

12

A40249

GASKET - plate, inspection

1шт.

13

A40256

KEY

- shaft, P.T.O., 5/8" sq. x 5-3/8"

1шт.

14

219-87

LUBE NIPPLE,1/4" - 28 NPTF

NIPPLE, LUBE, , Lincoln #205010 1/4"-28 x .56" lg, Self-Tap

2шт.

15

219-1

LUBE NIPPLE,1/8" - 27 NPTF

FITTING - lube, 1/8" Lincoln Str. #5000

2шт.

16

126-124

WOODRUFF KEY,#15, 1/4" x 1", HT

Shaft #15, 1/4" x 1", HT

2шт.

17

A40250

OIL RESERVOIR

SHAFT - operating, P.T.O.

1шт.

18

A40246

FORK

YOKE - throwout, P.T.O.

1шт.

19

13-624

BOLT,Hex, 3/8" - 16 x 1-1/2", Gr 5

- 3/8" x 1-1/2" N.C., hex.

2шт.

20

193-78

LOCK WASHER,3/8"

LOCKWASHER - Heavy Duty, Int. Shkp. 3/8"

2шт.

21

219-23

LUBE NIPPLE,1/4" - 18 NPTF

FITTING - lube, 1/4" Lincoln Str. #105000

1шт.

22

O3755AB

X

CUP - bearing (Timken #394A)

2шт.

23

O5084AB

X

CONE - bearing (Timken #395)

2шт.

24

A40258

SHAFT - clutch, P.T.O.

1шт.

25

A40305

KEY

- clutch shaft, P.T.O.

1шт.

26

A40253

SPACER - bearing, P.T.O.

1шт.

27

A40252

RETAINER - bearing, P.T.O.

1шт.

28

A40251

LOCK - bearing retainer

1шт.

29

193-83

LOCK WASHER,Int Tooth, 5/16"

LOCKWASHER - 5/16" Heavy int. Shakeproof

1шт.

30

13-510

BOLT,Hex, 5/16" - 18 x 5/8", Gr 5, Full Thd

1шт.

31

A40255

HOSE ASSY. - flexible, P.T.O.

1шт.

32

A40255

HOSE - flexible, clutch

1шт.

33

A40195

FITTING

- hose, clutch

1шт.

34

A41096

FITTING - hose, clutch

1шт.

35

193-84

LOCK WASHER,5/8"

LOCKWASHER - heavy int. Shkp. 5/8"

1шт.

36

86637932

JAM NUT,Jam, 5/8"-18, G5

NUT - jam, 5/8" N.F., hex.

1шт.

38

A10447

CONE

SLEEVE - sliding

1шт.

39

A40245

COLLAR

ASSY. - clutch

1шт.

40

14-636

SCREW,Hex, 3/8" - 24 x 2 1/4", Gr 5

BOLT - collar, 3/8" x 2-1/4" N.F., hex.

2шт.

41

230-4616

LOCK NUT,3/8"-24, GA

- collar, bolt, 3/8" N.F., hex.

2шт.

42

A40765

SHIM - collar

2шт.

43

A10446

LINK

- lever, P.T.O.

6шт.

44

A40192

AXLE PIN,8mm OD x 26.16mm L

PIN - lever link

6шт.

45

132-44

COTTER PIN,1/8" x 1/2"

Pin, Split (Cotter), 1/8" x 1/2"

6шт.

46

A10448

RING

- adjusting

1шт.

47

A10444

LEVER

- clutch

3шт.

48

A40254

PIN

- lever

3шт.

49

A10454

WAVE WASHER

- spring, lever pin

6шт.

50

132-66

COTTER PIN

PIN - cotter, 5/32" x 5/8"

3шт.

51

A10442

PIN - lock, adjusting

1шт.

52

A40197

SPRING

- adj. lock pin

1шт.

53

A10452

PLATE

- floating

1шт.

54

A10449

PLATE

FACING - drive, clutch

1шт.

55

A10453

PLATE

BACKPLATE - hub, P.T.O.

1шт.

56

A40185

X

LOCKWASHER - hub nut

1шт.

57

A40248

X

NUT - clutch hub

1шт.

58

178-639

SET SCREW,Hex Soc, 5/16"-18 x 5/16"

SCREW - set, 5/16" x 5/16" sckt. hd. oval pt.

1шт.

59

A9275

BEARING

- pilot, clutch shaft

1шт.

60

A16644

RING

GEAR - ring, clutch drive

1шт.

61

A16646

X

BOLT - lock, clutch drive gear

8шт.

62

A16645

SEALING RING

- drive ring

1шт.

Выбрано товаров: 61