Запчасти Case IH RP165 (10.250.AE[02]) - TURBOCHARGER SYSTEM AND MANIFOLDS, RP165 (10) - ENGINE

Схема запчастей Case IH RP165 - (10.250.AE[02]) - TURBOCHARGER SYSTEM AND MANIFOLDS, RP165 (10) - ENGINE
24
4
6
10
14
18
12
23
15
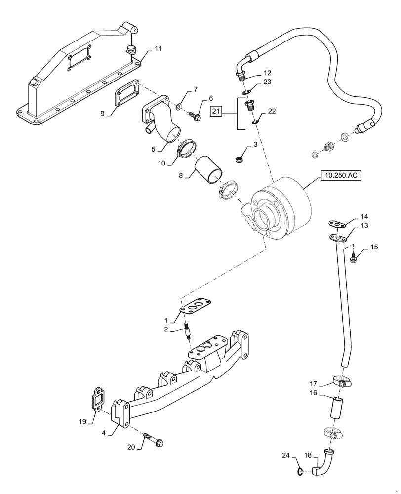
1
9
16
13
21
5
10.250.ac
22
2
19
11
3
20
7
8
17
FIT
1:1
100%

Артикул

Название

Примечание

Количество

1

J901356

GASKET,0.5mm Thk

Turbocharger to Manifold

1шт.

2

J818823

STUD

Turbocharger Mounting

4шт.

3

4899086

FLANGE NUT,Hex, M10 x 1.5

Special

4шт.

4

J931747

MANIFOLD

Exhaust

1шт.

5

J933289

CONNECTOR, ELEC

Air Crossover

1шт.

6

86624966

BOLT,Hvy Hex, M8 x 35mm, Cl 8.8

4шт.

7

J918189

SEALING WASHER

4шт.

8

87439339

HOSE,62.50 mm ID x 90.00 mm

Air Crossover

1шт.

9

J914856

GASKET,1.02mm Thk

Air Crossover Connection

1шт.

10

138773A1

CLAMP,52.32mm - 76.2mm

2шт.

11

47430051

AFTERCOOLER

Air Intake

1шт.

12

J918562

HOSE

Oil Supply

1шт.

13

J934093

TUBE

Turbocharger Oil Drain, Upper

1шт.

14

J937706

GASKET,0.79mm Thk

Turbo Oil Drain Tube

1шт.

15

86511479

BOLT,Hex Flg, M8 x 20mm

2шт.

16

J286499

HOSE

Oil Drain

1шт.

17

514920

HOSE CLAMP,20.6mm - 38.1mm, Worm Gear

2шт.

18

J931973

TUBE,0.875" OD

Turbocharger Oil Drain, Req 24 Qty 1

1шт.

19

J927154

GASKET,0.38mm Thk

Exhaust Manifold

6шт.

20

4896933

SCREW,Hex Flg, M10 x 1.5 x 65

12шт.

21

J919687

HYD CONNECTOR

Female Hex, Special, Incl 22

2шт.

22

14453080

O-RING,0.426" ID x 0.07"

Outer

1шт.

23

86637735

SEAL,9.53mm ID x 13.97mm OD

Flare, Copper, 3/8 inch tube OD

1шт.

24

86625099

O-RING,0.07" Thk x 0.739" ID, -18, Cl 7, 75 Duro

1шт.

Выбрано товаров: 24