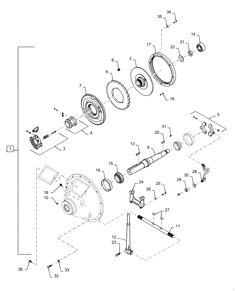
Запчасти Case IH RP65 (31.225.AA[01]) - PTO CLUTCH - RP65 AND RP85 UNITS (31) - IMPLEMENT POWER TAKE OFF

Схема запчастей Case IH RP65 - (31.225.AA[01]) - PTO CLUTCH - RP65 AND RP85 UNITS (31) - IMPLEMENT POWER TAKE OFF
12
11
26
18
16
28
34
20
13
6
2
10
29
4
27
30
19
25
7
15
8
24
3
17
31
22
1
21
33
23
36
5
32
9
35
14
FIT
1:1
100%

Артикул

Название

Примечание

Количество

1

1347632C1

CLUTCH

PTO, 10", Incl 2 - 31, 36

1шт.

1

1347632C1R

REMAN-CLUTCH ASSY

PTO, 10", Incl 2 - 31, 36

1шт.

1

1347632C1C

CORE-CLUTCH ASSEMBLY

Return Number

1шт.

2

A44296

PLATE

Hub & Back

1шт.

3

A40189

YOKE

Assy, Adjusting

1шт.

4

A40191

SLEEVE

Assy, Sliding

1шт.

5

A31140

COLLAR

Assy, Clutch Sleeve

1шт.

6

87418380

CLUTCH DISC

Driving

1шт.

7

A44298

PLATE

Floating

1шт.

8

A10441

SPRING

Release

6шт.

9

A44290

SHAFT

Clutch

1шт.

10

9617020

PLUG,1/4" - 18 x 0.48"

Headless

1шт.

11

37346D

SHAFT

Operating

1шт.

12

1347799C1

LEVER

Hand, Clutch

1шт.

13

A40305

KEY

Square, 3/8 X 3/8 X 2-1/2 IN

1шт.

14

1347800C1

BEARING, BALL,30mm ID x 72mm OD x 30.16mm W

1шт.

15

86577033

ROLLER BEARING,63.5mm ID x 138.25mm OD x 36.54mm W

Tapered

2шт.

16

163044

BEARING CUP,110.03mm OD x 18.82mm W

Tapered, Roller Bearing

2шт.

17

A44293

RING

Driving

1шт.

18

80710

LUBE NIPPLE,1/8” – 27 Dryseal PTF

Grease, Straight

3шт.

19

88542

BOLT,Hex, 1/4"-20 x 1/2", Gr 5

2шт.

20

Q67

KEY,1/4" Sq x 1 1/8", Par

1шт.

21

A40184

NUT

Hub

1шт.

22

51200854

LOCK WASHER

Tab Lock, Hub Nut

1шт.

23

9707516

BOLT,1/2"-13 x 1-3/4", Cl 5

1шт.

24

V14239

TRACK ROD END

Yoke, Throwout

1шт.

25

326-624

BOLT,Hex, 3/8" - 16 x 1-1/2", Gr 8

2шт.

26

193-78

LOCK WASHER,3/8"

Heavy Duty, Internal Tooth Lock

2шт.

27

47471

WOODRUFF KEY,#15, 1/4" x 1", HT

2шт.

28

1347801C1

HOSE

Flexible, 311 mm (12-1/4 IN) Long

1шт.

29

408

NUT,5/8" - 18, Gr 5

Hex

1шт.

30

193-84

LOCK WASHER,5/8"

Heavy Duty, Internal Tooth Lock

1шт.

31

83-1315

SET SCREW,Hex Soc, 5/16"-18 x 5/16"

Set, Headless, Cup Point

1шт.

32

43140

BOLT,Hex, M10 x 1.5 x 30mm, Cl 8.8

12шт.

33

140028

WASHER,10.2mm ID x 18.1mm OD x 2.2mm Thk

Lock

12шт.

34

88044

BOLT,Hex, 3/8" - 16 x 1-1/2", Gr 5

8шт.

35

80680

LOCK WASHER,3/8 0.381 CST ZND

8шт.

36

121-3

SERRATED BOLT,Hex, 1/4" - 20 x 1/2", Gr 5

Hex Flange

2шт.

37

47704965

HANDLE

Rubber, Not Illustrated

1шт.

Выбрано товаров: 39