Запчасти Case IH RP65 (55.301.AA) - ALTERNATOR ASSY (55) - ELECTRICAL SYSTEMS

Схема запчастей Case IH RP65 - (55.301.AA) - ALTERNATOR ASSY (55) - ELECTRICAL SYSTEMS
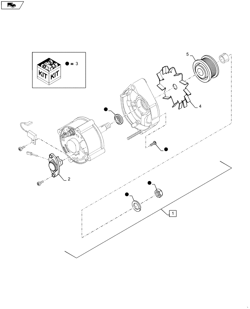
3
4
5
3
3
3
2
1
3
3
home
FIT
1:1
100%

Артикул

Название

Примечание

Количество

1

AR187873

REMAN-ALTERNATOR

Assy, Engine, 65 Amp, Reman, Incl 2 - 3

1шт.

1

AC187873

CORE-ALTERNATOR

Return Number, Assy, Core, Incl 2 - 3

1шт.

2

A187906

VOLTAGE REGULATOR

1шт.

3

1307188

KIT

Rotor Retaining,Kit incl Spacer Ring, Rotor Shaft Washer,Rotor Shaft Nut and Bearing Retainer Plate Screw

1шт.

4

221425R1

FAN

Altntr, Not Incl w/Altntr Assy, Order Separately

1шт.

5

84538542

DRIVEN PULLEY

Drive, Not Incl w/Altntr Assy, Order Separately

1шт.

Выбрано товаров: 6