Запчасти Case IH RPZ145 (10.250.AE) - TURBOCHARGER & RELATED PARTS (10) - ENGINE

Схема запчастей Case IH RPZ145 - (10.250.AE) - TURBOCHARGER & RELATED PARTS (10) - ENGINE
9
2
12
4
17
10.250.ac
6
5
7
14
1
16
10.254.ac
8
3
8
15
13
9
10
15
10.254.ac
11
FIT
1:1
100%

Артикул

Название

Примечание

Количество

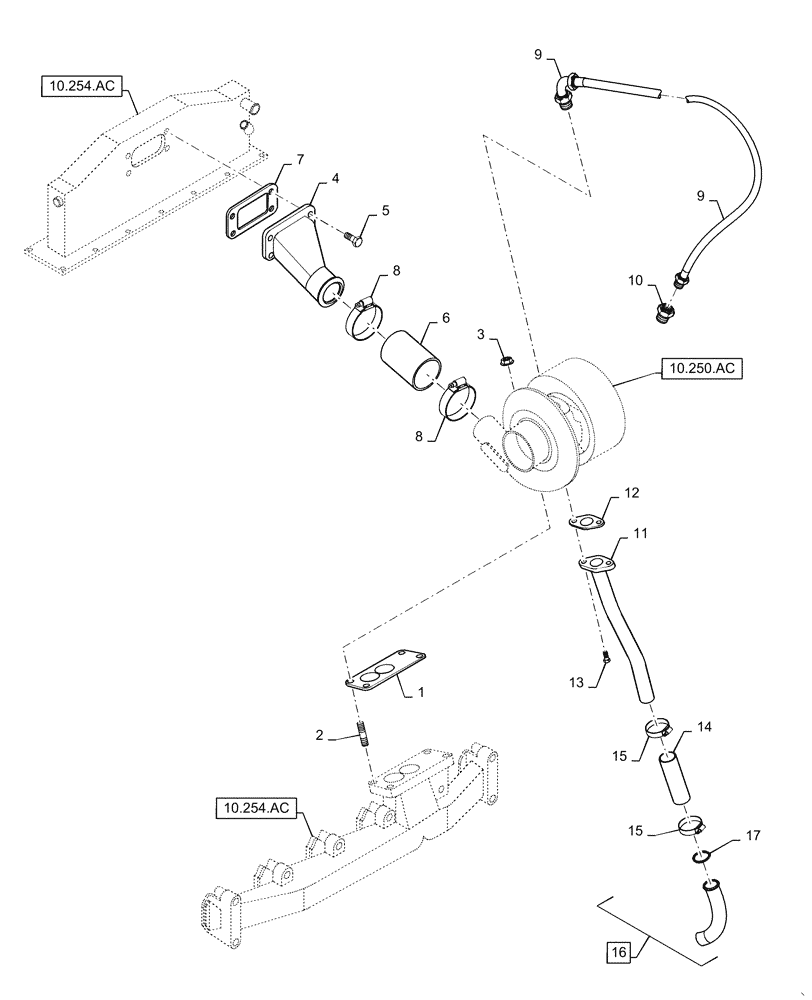
1

J901356

GASKET,0.5mm Thk

Turbocharger Mounting

1шт.

2

J818823

STUD

Turbocharger Mounting

4шт.

3

4899086

FLANGE NUT,Hex, M10 x 1.5

Turbocharger Mounting

4шт.

4

J906918

CONNECTION

Air Crossover

1шт.

5

845-8025

BOLT,Hex Flg, M8 x 25mm, Cl 8.8

4шт.

6

87439340

HOSE,50.00 mm ID x 80.00 mm

Intake Crossover

1шт.

7

J914856

GASKET,1.02mm Thk

Crossover Connection

1шт.

8

84674

HOSE CLAMP,33.3mm - 57.1mm, Worm Gear

2шт.

9

J909547

HOSE,457.00 mm

Turbocharger Oil Supply

1шт.

10

A77457

FITTING

Supply Hose

1шт.

11

J944048

TUBE,0.875" OD

Oil Drain

1шт.

12

J937706

GASKET,0.79mm Thk

Drain Tube

1шт.

13

86511479

BOLT,Hex Flg, M8 x 20mm

2шт.

14

J286499

HOSE

Turbocharger Oil Drain

1шт.

15

507586

HOSE CLAMP,20.6mm - 44.4mm, Worm Gear

2шт.

16

J931973

TUBE,0.875" OD

Elbow, Drain, Incl 17

1шт.

17

86625099

O-RING,0.07" Thk x 0.739" ID, -18, Cl 7, 75 Duro

Incl with 17

1шт.

Выбрано товаров: 17