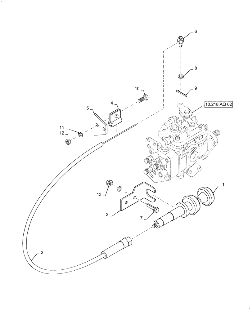
Запчасти Case IH RPZ65 (10.220.AA[01]) - THROTTLE CONTROL (10) - ENGINE

Схема запчастей Case IH RPZ65 - (10.220.AA[01]) - THROTTLE CONTROL (10) - ENGINE
8
5
11
10.218.aq 02
4
9
2
3
6
12
7
10
13
1
FIT
1:1
100%

Артикул

Название

Примечание

Количество

1

84421272

THROTTLE CONTROL

Knob

1шт.

2

47689136

CABLE

Cable, Throttle, 21"

1шт.

3

47689140

BRACKET

Bracket, Throttle Cable Mounting

1шт.

4

87441698

CLAMP

Cable Head

1шт.

5

87441695

BRACKET

Throttle Cable End Mounting

1шт.

6

309762A1

PIVOT

Throttle Cable

1шт.

7

523292

BOLT,1/4" - 20 x 1.03" OAL

2шт.

8

86588450

WASHER,6.6mm ID x 12mm OD x 1.6mm Thk

1шт.

9

280250

COTTER PIN,3/32" OD x 3/4" L

1шт.

10

86508568

BOLT,Hex, M6 x 1 x 16mm, Cl 8.8

2шт.

11

86517328

LOCK WASHER,6.1mm ID x 11.8mm OD x 1.7mm Thk

2шт.

12

86500688

NUT,Hex, M6 x 1.0, Cl 10.9

2шт.

13

523282

SERRATED NUT,Flg, USR, 1/4"-20

2шт.

Выбрано товаров: 13