Запчасти Case IH RPZ85 (10.250.AE) - TURBOCHARGER & RELATED PARTS (10) - ENGINE

Схема запчастей Case IH RPZ85 - (10.250.AE) - TURBOCHARGER & RELATED PARTS (10) - ENGINE
13
10.254.ac 01
11
8
10.254.ac 01
2
3
5
10.254.ac 01
4
12
6
9
3
2
7
10
1
FIT
1:1
100%

Артикул

Название

Примечание

Количество

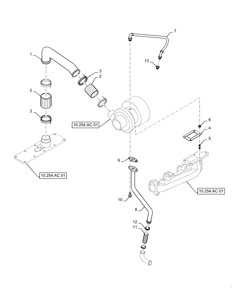
1

J906623

TUBE,2 mm OD x 299.8 mm L

Crossover

1шт.

2

87439340

HOSE,50.00 mm ID x 80.00 mm

Air Intake

2шт.

3

84674

HOSE CLAMP,33.3mm - 57.1mm, Worm Gear

4шт.

4

J919369

GASKET,0.5mm Thk

Turbocharger to Manifold

1шт.

5

J818823

STUD

Turbocharger Mounting

1шт.

6

4899086

FLANGE NUT,Hex, M10 x 1.5

Turbocharger Mounting Stud

4шт.

7

J913759

HOSE

Turbocharger Oil Supply

1шт.

8

J934064

TUBE,22.22 mm OD x 393, 131 mm L

Turbocharger Oil Drain

1шт.

9

J937706

GASKET,0.79mm Thk

Drain Tube

1шт.

10

86511479

BOLT,Hex Flg, M8 x 20mm

2шт.

11

J286499

HOSE

Turbocharger Oil Drain

1шт.

12

514920

HOSE CLAMP,20.6mm - 38.1mm, Worm Gear

2шт.

13

A77457

FITTING

Supply Hose

1шт.

Выбрано товаров: 0