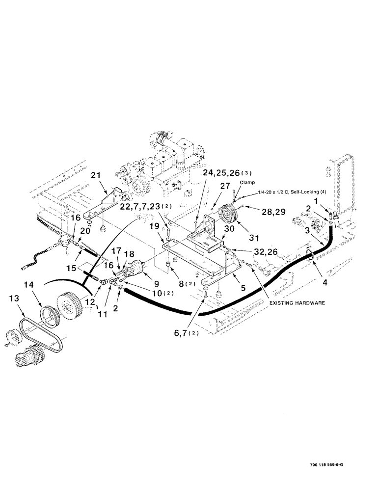
Запчасти Case IH 8840 (8-08) - HYDRAULIC CONVEYOR DRIVE- PUMP (35) - HYDRAULIC SYSTEMS

Схема запчастей Case IH 8840 - (8-08) - HYDRAULIC CONVEYOR DRIVE- PUMP (35) - HYDRAULIC SYSTEMS
2
7
14
20
7
6
26
17
2
4
22
19
8
25
11
29
26
31
1
9
18
27
28
24
23
16
30
5
15
7
12
3
21
16
10
32
13
FIT
1:1
100%

Артикул

Название

Примечание

Количество

1

7746274

INSERT

BRASS INSERT - 3/4

1шт.

2

7720055

HOSE CLAMP

CLAMP - hose

2шт.

3

700708577

HOSE,25.40 mm ID x 1800.00 mm, SAE 100R3, SAE J517

Hydraulic 25.40 mm ID x 1800.00 mm, SAE 100R3, SAE J517

1шт.

4

7041007

STRAP

TIE - cable

1шт.

5

700118787

MOUNTING PARTS

MOUNTING - left

1шт.

6

7701188

BOLT,Hex, 1/2" - 13 x 1 1/4", Gr 5

1/2-13 x 1-1/4 C

2шт.

7

705541

WASHER,0.53" ID x 1.06" OD x 0.14" Thk

1/2 HARDENED PLAIN WASHER

6шт.

8

700116724

TUBE,13.68 mm ID, 25.4 mm OD, 25 mm Length

SPACER

2шт.

9

700708493

HYDRAULIC PUMP

PUMP ASSEMBLY - gear

1шт.

10

700708191

HEX SOC SCREW

7/16-14 x 1-1/4 HSHCS

2шт.

11

7846579

HOSE

ELBOW - 90 degrees (Includes item 16)

1шт.

12

7046485

ELBOW

- swivel, 90 degrees

1шт.

13

700708531

V-BELT,896.60 mm L

A/C Drive 896.60 mm L

1шт.

14

700709150

SHEAVE

PULLEY

1шт.

15

700708988

HYDRAULIC HOSE,19.05 mm ID x 550.00 mm, SAE 100R1

19.05 mm ID x 550.00 mm, SAE 100R1

1шт.

16

738476

O-RING

2шт.

17

7046527

COUPLING, BREAK AWAY

CONNECTOR (Includes item 18)

1шт.

18

738450

O-RING

1шт.

19

700118857

ANGLE

CHANNEL

1шт.

20

746735

CONNECTOR, ELEC

CONNECTOR (Includes item 16)

1шт.

21

700118788

MOUNTING PARTS

MOUNTING - right

1шт.

22

703512

BOLT,Hex, 1/2" - 13 x 2 1/4", Gr 5

1/2-13 x 2-1/4 C

2шт.

23

704031

NUT

1/2-13 H

2шт.

24

700047

BOLT

3/8-16 x 1 RHSNB

3шт.

25

80702

WASHER,0.44" ID x 1" OD x 0.08" Thk

3/8 HARDENED PLAIN WASHER

3шт.

26

704023

NUT,3/8"-16, G5

3/8-16 H

4шт.

27

2705026

KEY

1шт.

28

700708080

BOLT,Spcl Hex, 5/16" - 24 x 1 1/2", Gr 8, Full Thd

5/16-24 x 1-1/2 FTC GR8

1шт.

29

705525

WASHER

5/16 HARDENED PLAIN WASHER

1шт.

30

700118561

SUPPORT

MOUNTING - pump

1шт.

31

700708485

CLUTCH

- electric, hydraulic

1шт.

32

873141

BOLT

3/8-16 x 2-1/2 FTC

1шт.

Выбрано товаров: 32