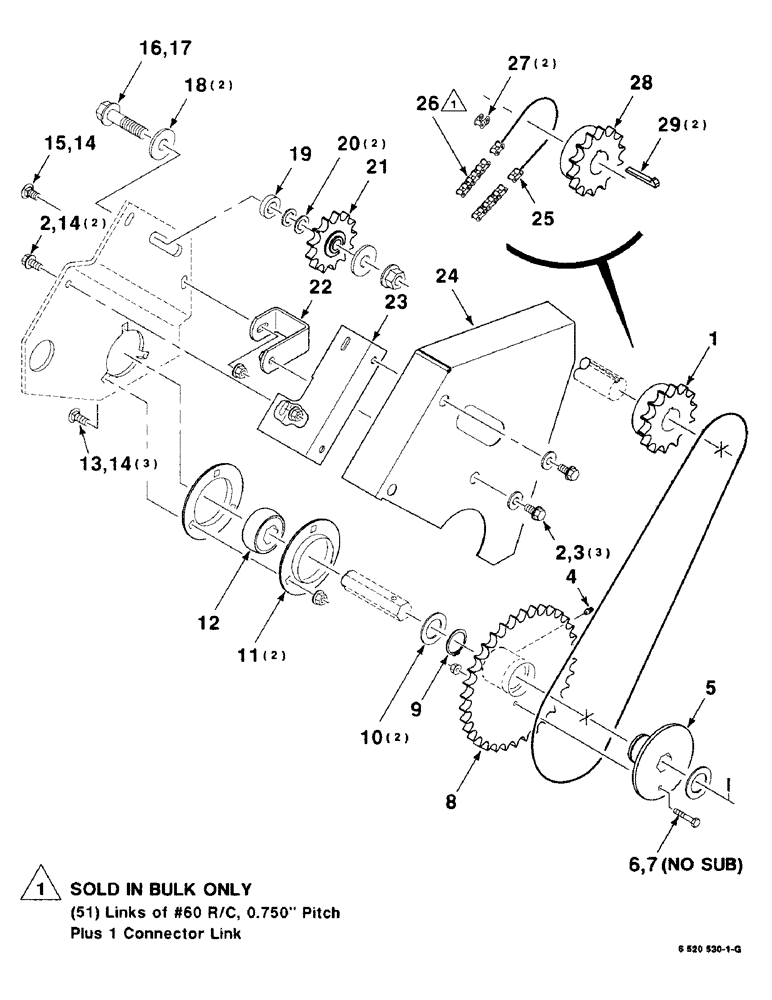
Запчасти Case IH 8725 (02-02) - DRIVE ASSEMBLY, LEFT (09) - CHASSIS

Схема запчастей Case IH 8725 - (02-02) - DRIVE ASSEMBLY, LEFT (09) - CHASSIS
7
27
14
26
29
22
9
2
24
14
20
14
8
17
15
6
13
10
4
28
16
19
21
1
18
12
5
3
23
11
2
25
FIT
1:1
100%

Артикул

Название

Примечание

Количество

1

700124720

DRIVE SPROCKET

SPROCKET, speed up - 60B17 tooth

1шт.

2

409-7612

BOLT,3/8"-16 x 1.09" OAL

3/8-16 X 3/4 HWHMS

5шт.

3

496-81010

WASHER

3/8 HARDENED WIDE PLAIN WASHER

3шт.

4

86636814

LUBE NIPPLE,1/4"-28 x .52" lg

NIPPLE, LUBE, 1/4"-28 x .52" lg

1шт.

5

6295802

HUB

1шт.

6

413-424

BOLT,Hex, 1/4" - 20 x 1-1/2", Gr 5

(No sub) Hex, 1/4"-20 x 1 1/2", G5

1шт.

7

1703354

NUT

1/4-20 HFTLN GR/G

1шт.

8

6295786

SPROCKET ASSY.

SPROCKET WA - 60B34 tooth

1шт.

9

100-11162

SNAP RING,#162, Ext

Ring, Snap, #162, Ext

1шт.

10

H747188

FLANGED BEARING,112.73 mm OD x 8.74 mm

FLANGE

2шт.

Ref #10 - Should be 495-81205 Washer 09/24/96

1шт.

Ref #10 - Should be Ref #11

1шт.

11

211587C91

BALL BEARING,1.586" ID x 62 mm OD x 24 mm

BEARING

1шт.

Ref #11 - Should be Ref #12

1шт.

12

434-616

CARRIAGE BOLT,Sht Sq Nk, 3/8" - 16 x 1", Gr 5

3/8-16 X 1 RHSNB

3шт.

Ref #12 - Should be Ref #13

1шт.

13

232-5316

FLANGE NUT,Flg, 3/8"-16

3/8-16 HFTLN GR/G

6шт.

Ref #13 - Should be Ref #14

1шт.

14

111-360

CARRIAGE BOLT,Short NK, 3/8"-16 x 3/4", G5

BOLT, CARRIAGE, Short NK, 3/8"-16 x 3/4", G5

1шт.

Ref #14 - Should be Ref #15

1шт.

15

360-1040

BOLT,Hex, 5/8" - 11 x 2 1/2", Gr 8

5/8-11 X 2-1/2 HFS GR8

1шт.

Ref #15 - Should be Ref #16

1шт.

16

232-53110

FLANGE NUT,Flg, 5/8"-11

5/8-11 HFTLN GR/G

1шт.

Ref #16 - Should be Ref #17

1шт.

17

700711165

WASHER,17.3mm ID x 45.21mm OD x 4.06mm Thk

5/8 HARDENED WIDE PLAIN WASHER

2шт.

Ref #17 - Should be Ref #18

1шт.

18

378521

SPACER

1шт.

Ref #18 - Should be Ref #19

1шт.

19

52233

BUSHING

5/8 X 14 GAUGE NRMB

2шт.

Ref #19 - Should be Ref #20

1шт.

20

154113C91

DRIVE SPROCKET

SPROCKET - idler, 13 tooth

1шт.

Ref #20 - Should be Ref #21

1шт.

21

700127745

MOUNTING PARTS

MOUNTING WA

1шт.

Ref #21 - Should be Ref #22

1шт.

22

700127743

MOUNTING PARTS

MOUNTING WA

1шт.

Ref #22 - Should be Ref #23

1шт.

23

700127742

SHIELD

1шт.

Ref #23 - Should be Ref #24

1шт.

24

611362R91

CHAIN (AG)

CHAIN - roller, #60 (10 foot bulk)

1шт.

Ref #24 - Should be Ref #26

1шт.

25

241-1716

LINK,19.05mm Pitch

LINK - offset, #60 R/C

2шт.

Ref #25 - Should be Ref #27

1шт.

26

700708553

SPROCKET ASSY.

SPROCKET, 60B14 tooth

1шт.

Ref #26 - Should be Ref #28

1шт.

27

249-1

KEY

- gib

2шт.

Ref #27 - Should be Ref #29

1шт.

28

241-1316

LINK,19.05mm Pitch

LINK - connector, #60 R/C

1шт.

Ref #28 - Should be Ref #25 09/24/96

1шт.

Выбрано товаров: 48