Запчасти Case IH 8750 (3-12) - GATHERING CHAIN ASSEMBLY (58) - ATTACHMENTS/HEADERS

Схема запчастей Case IH 8750 - (3-12) - GATHERING CHAIN ASSEMBLY (58) - ATTACHMENTS/HEADERS
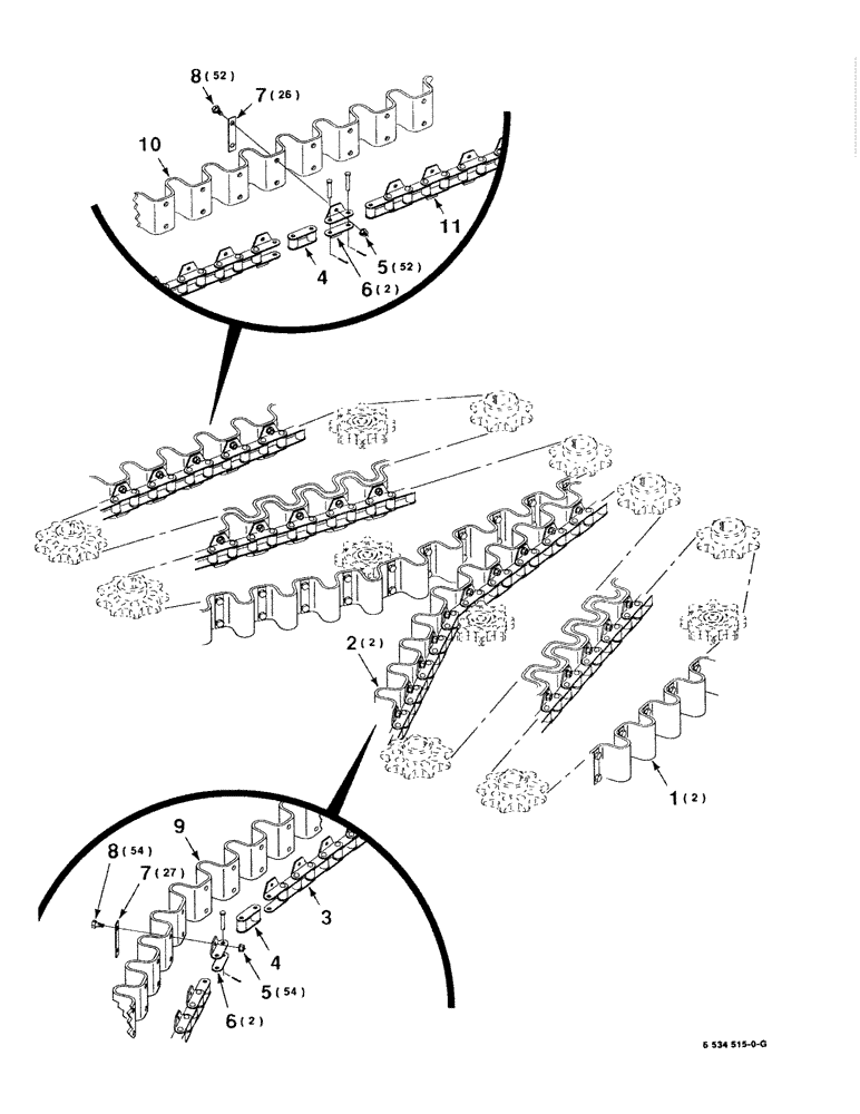
8
3
6
8
7
7
4
5
9
10
2
11
6
5
1
4
FIT
1:1
100%

Артикул

Название

Примечание

Количество

1

6534515

CHAIN (CE)

CHAIN ASSEMBLY - outer (Complete with belt)

2шт.

2

6534531

CHAIN (CE)

CHAIN ASSEMBLY - inner (Complete with belt)

2шт.

3

849802

CHAIN (AG)

CHAIN - roller

1шт.

4

7085426

LINK

- roller

2шт.

5

1703354

NUT

1/4-20 HFTLN GR/G

106шт.

6

NLS

NO LONGER SERVICED

LINK - attachment

4шт.

7

6870414

PLATE

- washer

53шт.

8

8701765

SPECIAL BOLT,Shoulder, Spcl, 1/4" - 20 x 0.62", Gr 5

BOLT - shoulder, special

106шт.

9

828384

BELT,76.20 mm W x 3666.00 mm L

1шт.

1

828392

BELT,76.20 mm W x 3526.00 mm L

1шт.

11

849810

CHAIN (AG)

CHAIN - roller

1шт.

Выбрано товаров: 11