Качественные детали и логистика
Оригинальные и аналоговые запчасти с доставкой по России, Казахстану и Беларуси
©2022 PartSell ООО "Система" ИНН 2463123282 ОГРН 1212400004838
Центральный офис: г. Красноярск, Академика Киренского, д.87, пом.4
Телефон: 8 (800) 777-65-74 Email: zakaz@partsell.ru
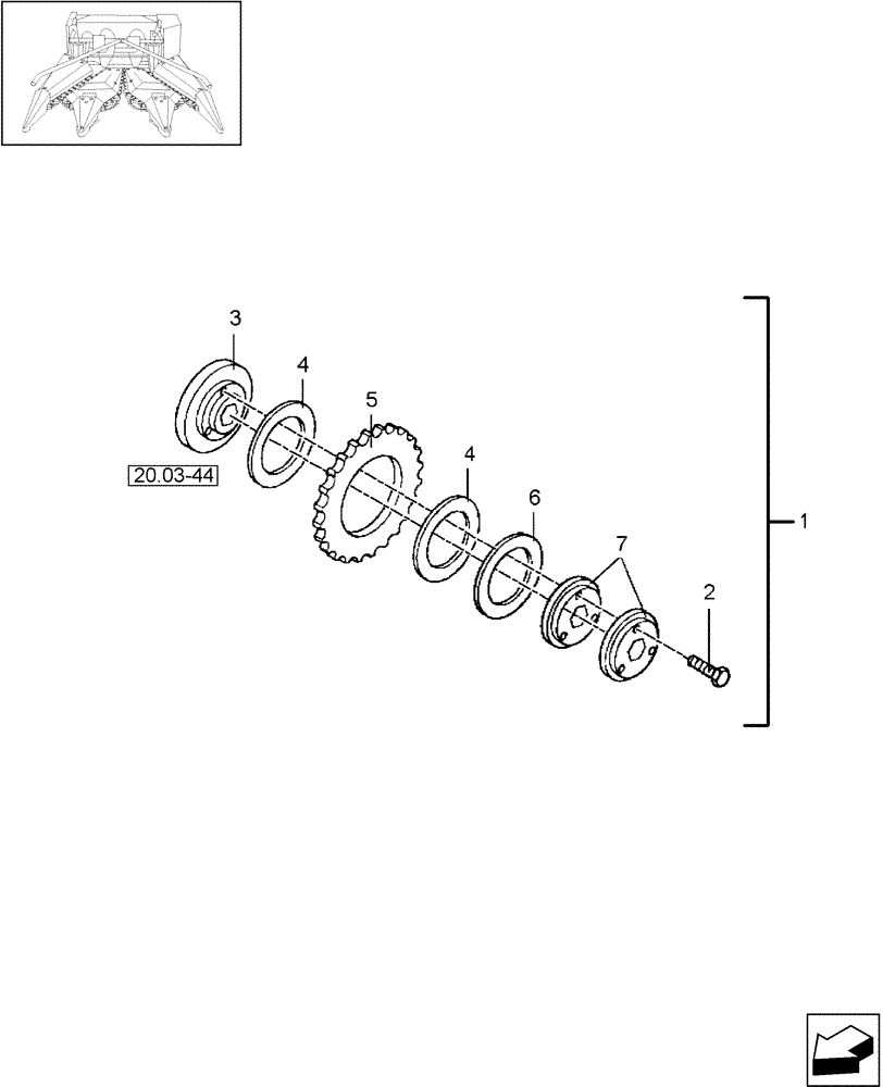
(20.05) - AUGER, CLUTCH
№
Артикул
Название
Примечание
Количество
1
86624591
CLUTCH
1шт.
2
88616
BOLT,Hex, 3/8" - 16 x 1.50", Gr 5
3шт.
3
629556
HUB
4
127434
DISC,77.7mm ID x 146mm OD x 3.56mm Thk
Friction
2шт.
5
143760
SPROCKET
Bushing
6
86627129
CLUTCH PLATE
Plate
7
121092
BELLEVILLE WASHER,35mm ID x 117.5mm OD x 3.5mm Thk
Выбрано товаров: 0