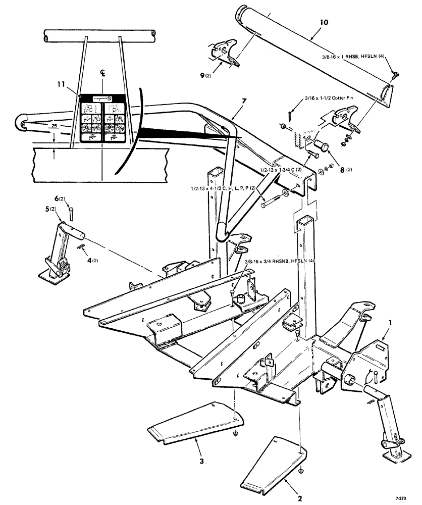
Запчасти Case IH TWO ROW (002) - FRAME ASSEMBLY - 38" ROW

Схема запчастей Case IH TWO ROW - (002) - FRAME ASSEMBLY - 38" ROW
6
5
7
8
11
1
3
10
4
2
9
FIT
1:1
100%

Артикул

Название

Примечание

Количество

1

6534598

FRAME

head

1шт.

2

6534820

PAN

trough, left

1шт.

3

6534010

PAN

trough, right

1шт.

4

S120261

PIN

hair, cotter, .148 x 2-3/4

2шт.

5

6897979

WASHER

JACK support

2шт.

6

63644

CLEVIS PIN

3/8 x 2-1/8

2шт.

7

6534788

GATHERER

1шт.

8

763367

CLEVIS PIN

1 x 2

2шт.

9

1663921

BRACKET

mounting

2шт.

10

1663996

TRAY

1шт.

11

7178692

DECAL

instruction

1шт.

703983

BOLT,Hex, 1/2" - 13 x 1 3/4", Gr 5

SCREW cap, 1/2-13 x 1-3/4

2шт.

703233

SCREW cap, 1/2-13 x 4-1/2

2шт.

7700065

CARRIAGE BOLT,Sq Nk, 3/8" - 16 x 3/4", Gr 5

round head square neck, 3/8-16 x 3/4

4шт.

700047

BOLT

round head square neck, 3/8-16 x 1

4шт.

704288

LOCK NUT

hex center lock, 1/2-13

2шт.

Выбрано товаров: 16