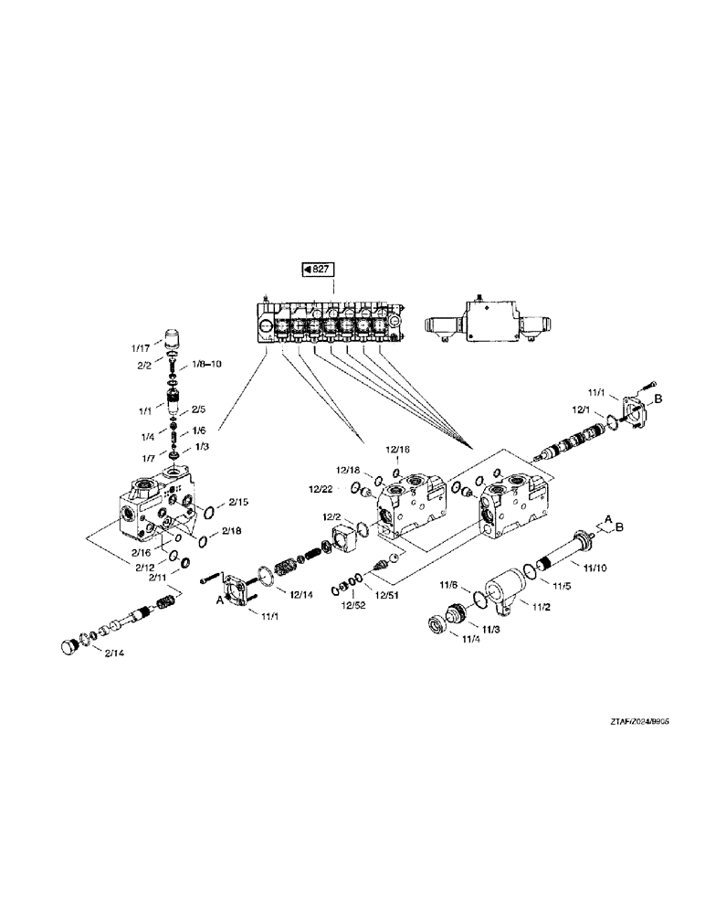
Запчасти Case IH 8790 (247) - DIRECTIONAL CONTROL VALVE (35) - HYDRAULIC SYSTEMS

Схема запчастей Case IH 8790 - (247) - DIRECTIONAL CONTROL VALVE (35) - HYDRAULIC SYSTEMS
12
1
12
2
12
2
12
2
1
11
2
12
11
11
2
2
11
12
11
11
1
1
2
12
1
11
12
1
1
2
11
FIT
1:1
100%

Артикул

Название

Примечание

Количество

1

03253496

VALVE, PRESSURE RELI

EF

1шт.

2

03253502

SEAL PACKAGE

KIT

1шт.

11

03253527

SOLENOID

control

14шт.

12

03253535

SEAL PACKAGE

KIT

7шт.

Выбрано товаров: 4