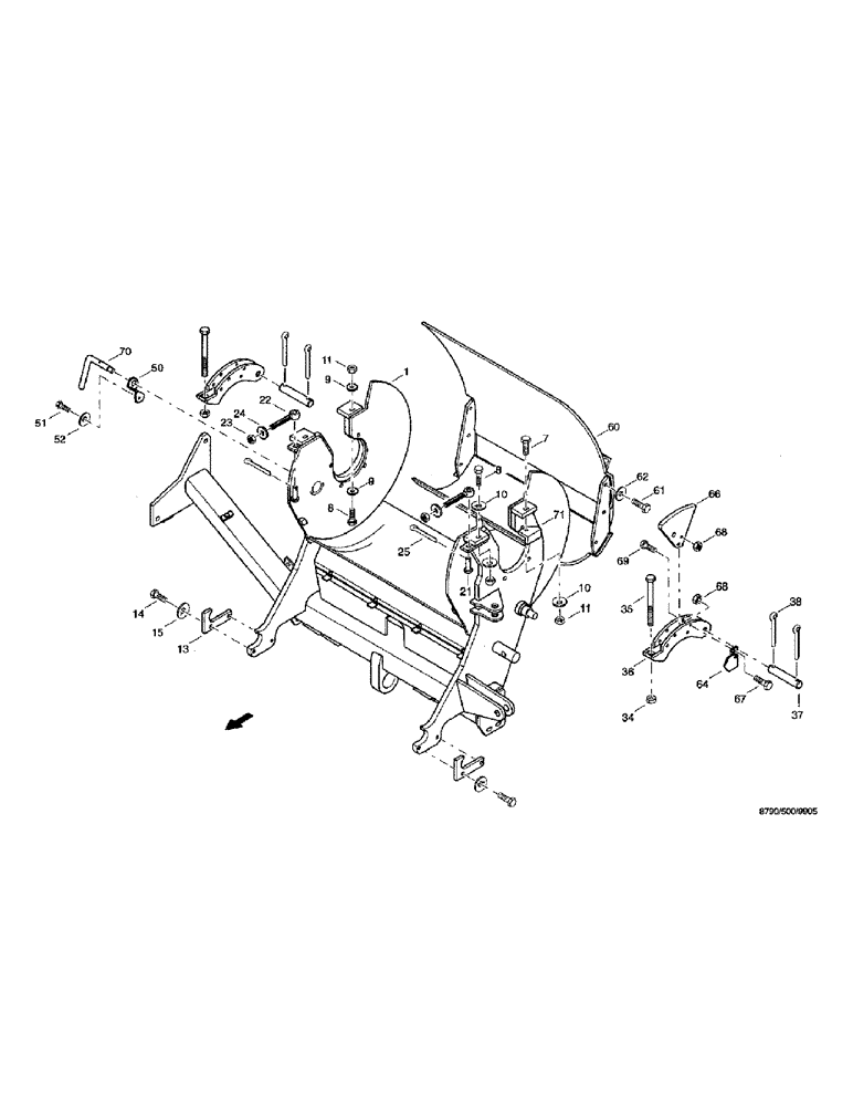
Запчасти Case IH 8790 (091) - CHOPPING UNIT, GRASS (64) - CHOPPING

Схема запчастей Case IH 8790 - (091) - CHOPPING UNIT, GRASS (64) - CHOPPING
24
37
22
7
10
62
50
10
21
68
70
36
9
8
35
11
15
51
25
60
8
1
13
52
9
67
69
66
14
71
38
68
34
61
11
23
64
FIT
1:1
100%

Артикул

Название

Примечание

Количество

1

36285856

CASE

BOX chopper

1шт.

7

614-12040

BOLT,Hex, M12 x 1.75 x 40mm, Cl 8.8, Full Thd

2шт.

8

614-12050

BOLT,Hex, M12 x 1.75 x 50mm, Cl 8.8, Full Thd

2шт.

9

06562038

WASHER

13 DIN7349 ST

4шт.

10

06577011

PLATE, LOCKING

WASHER, M12

4шт.

11

829-1412

NUT,M12, Cl 10.9

4шт.

13

36286510

SHEET

PLATE clamping

2шт.

14

614-12040

BOLT,Hex, M12 x 1.75 x 40mm, Cl 8.8, Full Thd

4шт.

15

06577011

PLATE, LOCKING

WASHER, M12

4шт.

21

07640420

LARGE PIN

PIN, LARGE B16H11 x 45 x 39 DIN1444 ST

2шт.

22

06245276

SCREW

BOLT eye, AM16 x 100 DIN444 8.8

2шт.

23

DF004776

NUT

hex, M16 DIN985 8

2шт.

24

06562183

WASHER

17 DIN7349 ST

4шт.

25

06402103

PIN, SPLIT (COTTER)

PIN, COTTER PIN splint, 3.2 x 25 DIN94 ST

2шт.

34

825-1420

NUT,M20, Cl 8

Hex, ISO4032

2шт.

35

814-20220

BOLT,Hex, M20 x 2.5 x 220mm, Cl 8.8

ISO 4014

2шт.

36

36286535

BAR

door

2шт.

37

07611545

LARGE PIN

PIN, LARGE B20H11 x 90 x 74 DIN1443 ST

2шт.

38

733-5040

COTTER PIN,M5 x 40

DIN94 ST

4шт.

50

36245785

SUPPORT

PLATE holding

1шт.

51

614-8020

BOLT,Hex, M8 x 1.25 x 20mm

1шт.

52

06577028

SPECIAL WASHER

M8

1шт.

60

36288096

COVER ASSY

corn flap, k

1шт.

61

614-12025

BOLT,Hex, M12 x 1.75 x 25mm, Cl 8.8, Full Thd

6шт.

62

06577011

PLATE, LOCKING

WASHER, M12

6шт.

64

36285204

SUPPORT

HOLDER sensor

1шт.

66

36416835

BRACKET

HOLDER sensor

1шт.

67

614-8020

BOLT,Hex, M8 x 1.25 x 20mm

2шт.

68

825-1408

NUT,M8, Cl 8

4шт.

69

614-8030

BOLT,Hex, M8 x 1.25 x 30mm, Cl 8.8, Full Thd

2шт.

70

36286551

LARGE PIN

PIN, LARGE PLUG, k

1шт.

71

36274113

ANGLE

1шт.

Выбрано товаров: 32