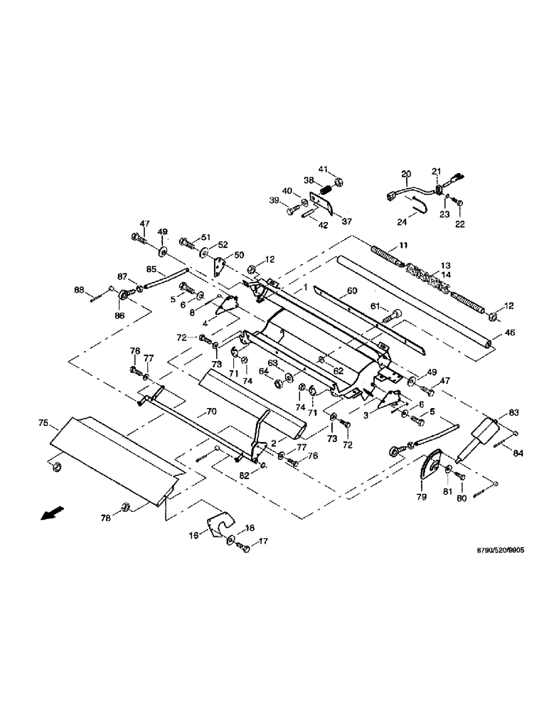
Запчасти Case IH 8790 (101) - CHOPPING UNIT, GRINDING ATTACHMENT (64) - CHOPPING

Схема запчастей Case IH 8790 - (101) - CHOPPING UNIT, GRINDING ATTACHMENT (64) - CHOPPING
70
47
17
5
11
72
63
60
73
75
23
74
72
46
8
73
20
49
41
71
18
4
3
12
62
50
2
49
76
77
86
47
5
38
40
12
51
42
6
6
71
85
14
16
22
81
77
80
64
76
74
83
13
24
39
78
88
79
84
82
1
61
21
87
52
37
FIT
1:1
100%

Артикул

Название

Примечание

Количество

1

36285366

FRAME

2шт.

2

36274218

FLAP

door

2шт.

3

36274242

ARM

l

2шт.

4

36274267

ARM

r

2шт.

5

614-8020

BOLT,Hex, M8 x 1.25 x 20mm

8шт.

6

06577028

SPECIAL WASHER

M8

8шт.

8

06400423

PIN, SPLIT (COTTER)

PIN, COTTER splint, 4 x 28 DIN94 ST

4шт.

11

36264031

THREADED ROD

tensioner

2шт.

12

100038

NUT,M12 x 1.75, Cl 8

4шт.

13

06838153

CHAIN (CE)

roller, 08B-1 x 84S DIN8187

2шт.

14

06804320

LINK

S-08B-1 DIN8187

2шт.

16

36285253

SHEET

panel

2шт.

17

614-8016

BOLT,Hex, M8 x 1.25 x 16mm, Cl 8.8, Full Thd

6шт.

18

06577044

SPECIAL WASHER

B8

6шт.

20

07077628

LINE

electric

2шт.

21

03126014

FIXING BRACKET

CLIP attaching, RSGU1.8/12

2шт.

22

614-5016

BOLT,Hex, M5 x 0.8 x 16mm, Cl 8.8, Full Thd

ISO 4017

2шт.

23

06501315

SPRING WASHER

wave, spring, B5 DIN137 FST

2шт.

24

07068200

CABLE

band sw, 188 x 4.8 TSL-190-S

20шт.

37

36267331

PAWL

2шт.

38

04028067

COMPRESSION SPRING

pressure, 2B 26 mm

2шт.

39

614-8040

BOLT,Hex, M8 x 1.25 x 40mm, Cl 8.8, Full Thd

2шт.

40

895-11008

WASHER,9mm ID x 16mm OD x 1.6mm Thk

2шт.

41

06116155

NUT,M8, Cl 8

2шт.

42

838-5414

LOCK PIN,M4 x 14, Slotted

Roll, DIN 1481 FST

2шт.

46

36274556

ROUND BAR

2шт.

47

614-16030

BOLT,Hex, M16 x 2 x 30mm, Cl 8.8, Full Thd

ISO 4017

4шт.

49

06577093

LOCK WASHER

M16

4шт.

50

36285341

PLATE

adjusting

2шт.

51

614-10030

BOLT,Hex, M10 x 1.5 x 30mm, Cl 8.8, Full Thd

6шт.

52

06577052

SPECIAL WASHER

locking, B10

6шт.

53

614-10040

BOLT,Hex, M10 x 1.5 x 40mm, Cl 8.8, Full Thd

ISO 4017

2шт.

54

825-1410

NUT,M10, Cl 8

2шт.

60

36240981

GUIDE

rail

2шт.

61

97007365

SCREW

cheese-head, M10 x 30 DIN6912 8.8

8шт.

62

04009960

WASHER

D45 D10,5

8шт.

63

895-11010

WASHER,11mm ID x 20mm OD x 2mm Thk

8шт.

64

825-1410

NUT,M10, Cl 8

8шт.

70

36273596

RACK

frame

2шт.

71

36242196

SHEET

PLATE clamping

4шт.

72

614-8025

BOLT,Hex, M8 x 1.25 x 25mm, Cl 8.8, Full Thd

8шт.

73

895-11008

WASHER,9mm ID x 16mm OD x 1.6mm Thk

8шт.

74

06116155

NUT,M8, Cl 8

8шт.

75

36273602

SHEET

panel

2шт.

76

614-8025

BOLT,Hex, M8 x 1.25 x 25mm, Cl 8.8, Full Thd

8шт.

77

895-11008

WASHER,9mm ID x 16mm OD x 1.6mm Thk

8шт.

78

06116155

NUT,M8, Cl 8

8шт.

79

36274347

SECTOR

shifting segment

2шт.

80

614-8025

BOLT,Hex, M8 x 1.25 x 25mm, Cl 8.8, Full Thd

2шт.

81

06577028

SPECIAL WASHER

M8

2шт.

82

800-1125

SNAP RING,M25, Ext

2шт.

83

07074795

CYLINDER ASSY.

actuator, LA1 S12.17A8.06

2шт.

84

06400954

PIN, SPLIT (COTTER)

PIN, COTTER splint, 2 x 16 DIN94 ST

4шт.

85

36240965

BRAKE

conrod

4шт.

86

03285077

SCREW

BOLT eye, BM10 x 40 DIN444 4.6

4шт.

87

825-1410

NUT,M10, Cl 8

4шт.

88

733-3220

COTTER PIN,M3.2 x 20

8шт.

Выбрано товаров: 57