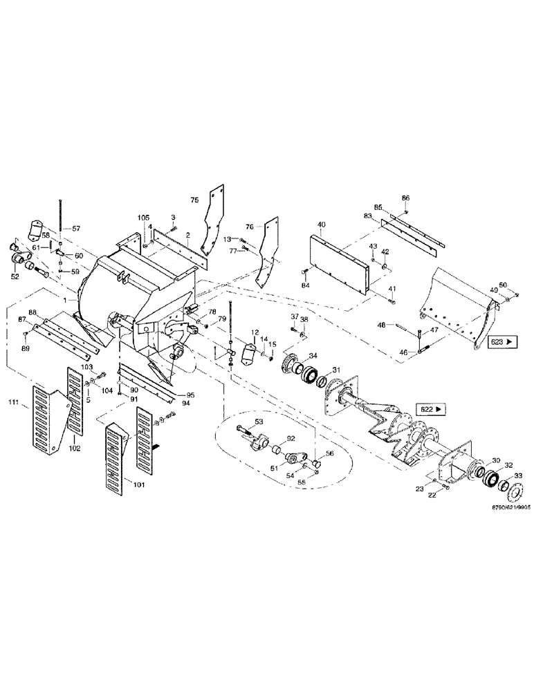
Запчасти Case IH 8790 (133) - SPOUT BLOWER, HOUSING (70) - EJECTION

Схема запчастей Case IH 8790 - (133) - SPOUT BLOWER, HOUSING (70) - EJECTION
33
84
89
42
14
58
22
50
34
76
12
102
101
90
54
49
15
77
52
53
23
51
38
3
78
61
85
41
94
37
105
87
4
56
95
47
75
48
86
2
104
43
111
55
5
32
60
40
59
92
83
31
1
30
103
88
91
46
57
13
79
FIT
1:1
100%

Артикул

Название

Примечание

Количество

1

36286133

HOUSING ASSY.

1шт.

2

36239674

SCRAPER

1шт.

3

06078260

SCREW

countersunk, M10 x 35 DIN7991 8.8

5шт.

4

06562087

WASHER

10.5 DIN7349 ST

5шт.

5

06562087

WASHER

10.5 DIN7349 ST

4шт.

12

36274306

PROTECTIVE COVER

2шт.

13

06069171

SCREW

countersunk, M10 x 25 DIN608 8.8

4шт.

14

06577003

SPECIAL WASHER

M10

4шт.

15

825-1410

NUT,M10, Cl 8

4шт.

22

614-12035

BOLT,Hex, M12 x 1.75 x 35mm, Cl 8.8, Full Thd

10шт.

23

06562038

WASHER

13 DIN7349 ST

10шт.

30

36240370

SLIP RING MOTOR

kz

1шт.

31

36240387

SLIP RING MOTOR

lg

1шт.

32

97063291

SPHERICAL BEARING

self-alinging roller, 22215CC DIN635 LE

2шт.

33

36269960

BUSHING

SLEEVE, kz

1шт.

34

36240401

BUSHING

SLEEVE, lg

1шт.

37

614-8020

BOLT,Hex, M8 x 1.25 x 20mm

8шт.

38

06577028

SPECIAL WASHER

M8

8шт.

40

36269977

WALL

rear

1шт.

41

614-10025

BOLT,Hex, M10 x 1.5 x 25mm, Cl 8.8

4шт.

42

06577003

SPECIAL WASHER

M10

4шт.

43

825-1410

NUT,M10, Cl 8

4шт.

46

06245276

SCREW

BOLT eye, AM 16 x 100 DIN444 8.8

2шт.

47

07640420

LARGE PIN

PIN, LARGE B16H11 x 45 x 39 DIN1444 ST

2шт.

48

06401520

PIN, SPLIT (COTTER)

PIN, COTTER plint pin 4x25 DIN94 ST

2шт.

49

06562183

WASHER

17 DIN7349 ST

2шт.

50

829-1416

NUT,M16, Cl 10

2шт.

51

36260003

ECCENTRIC

l

1шт.

52

36260036

ECCENTRIC

r

1шт.

53

36260044

LARGE PIN

PIN, LARGE 21 DIN7349 ST

2шт.

54

06562255

WASHER

M20 ISO4032 8

2шт.

55

825-1420

NUT,M20, Cl 8

Hex

2шт.

56

36260052

LARGE PIN

PIN, LARGE

2шт.

57

36260062

SPINDLE

2шт.

58

36260085

BLOCK

SHIM

4шт.

59

829-1412

NUT,M12, Cl 10.9

2шт.

60

36260093

LARGE PIN

PIN, LARGE

2шт.

61

733-6340

COTTER PIN,M6.3 x 40

Split, DIN94 ST

2шт.

75

36286166

SHEET

metal r

1шт.

76

36286158

SHEET

metal l

1шт.

77

06069171

SCREW

countersunk, M10 x 25 DIN608 8.8

10шт.

78

06577003

SPECIAL WASHER

M10

10шт.

79

825-1410

NUT,M10, Cl 8

10шт.

83

36260132

SEAL

1шт.

84

07755697

SCREW

flat-round-head, M10 x 30/8.8-A3C DIN603

4шт.

85

36260140

BLOCK

SHIM

1шт.

86

86500689

NUT,M10 x 1.5, Cl 10

4шт.

87

36271047

STRIPPER

bar

1шт.

88

36271055

SHROUD

SHIM

1шт.

89

06069356

SCREW

countersunk, M10 x 40 DIN608 8.8

5шт.

90

06577052

SPECIAL WASHER

locking, B10

5шт.

91

825-1410

NUT,M10, Cl 8

5шт.

92

01308841

BUSHING

SLEEVE, 50/55 x 40BREIT

2шт.

94

36284742

PROTECTIVE COVER

1шт.

95

01170501

RUBBER

rubber, 15 x 6

1шт.

101

36295882

ANGLE

l

1шт.

102

36295874

SLIDER

SPOOL

2шт.

103

614-10025

BOLT,Hex, M10 x 1.5 x 25mm, Cl 8.8

4шт.

104

06577003

SPECIAL WASHER

M10

4шт.

105

825-1410

NUT,M10, Cl 8

5шт.

111

36295913

ANGLE

r

1шт.

Выбрано товаров: 61