Запчасти Case IH 8790 (138) - SPOUT BLOWER, GRASS DUCT (70) - EJECTION

Схема запчастей Case IH 8790 - (138) - SPOUT BLOWER, GRASS DUCT (70) - EJECTION
15
26
3
22
16
43
52
17
32
10
20
14
61
13
2
38
50
41
25
7
4
33
34
5
56
1
37
51
24
55
12
35
29
54
36
23
53
8
28
42
57
31
27
44
FIT
1:1
100%

Артикул

Название

Примечание

Количество

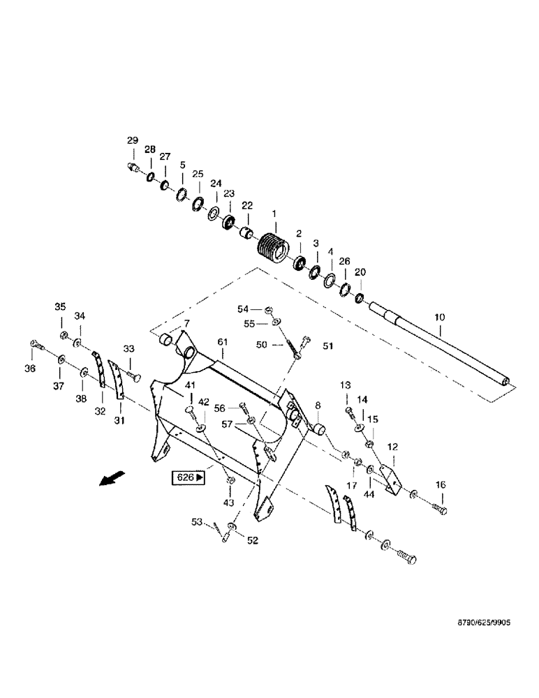
1

36271127

ROLLER

tail pulley

1шт.

2

03652356

BEARING ASSY

grooved ball, 6209-RS DIN625

1шт.

3

01117136

RING ASSY.

COVER bearing, 6209ZJV

1шт.

4

01117144

RING ASSY.

SPACER Nilos, J85

1шт.

5

06453291

CIRCLIP

RING snap, 85 x 3/FST DIN472

1шт.

7

01308866

BUSHING

SLEEVE, 55/60 x 40

1шт.

8

01308841

BUSHING

SLEEVE, 50/55 x 40

1шт.

10

36271176

AXLE

1шт.

12

36271184

SHIN

BRACKET

1шт.

13

614-10025

BOLT,Hex, M10 x 1.5 x 25mm, Cl 8.8

3шт.

14

06577003

SPECIAL WASHER

M10

6шт.

15

829-1410

NUT,M10 x 1.5, Cl 10.9

3шт.

16

614-16070

BOLT,Hex, M16 x 2 x 70mm, Cl 8.8, Full Thd

1шт.

17

829-1416

NUT,M16, Cl 10

2шт.

20

36271192

RING

i

1шт.

22

36271207

SLEEVE

1шт.

23

03652356

BEARING ASSY

grooved ball, 6209-RS DIN625

1шт.

24

01117136

RING ASSY.

COVER bearing, 6209ZJV

1шт.

25

01117144

RING ASSY.

SPACER Nilos, J85

1шт.

26

06453291

CIRCLIP

RING snap, 85 x 3/FST DIN472

1шт.

27

36271215

RING

a

1шт.

28

800-1145

SNAP RING,M45, Ext

x 1.75 DIN471 FST

1шт.

29

03617056

LUBE NIPPLE

grease, AM8 x 1 DIN71412

1шт.

31

36275050

RUBBER SEAL

SEAL

2шт.

32

36275067

PROTECTIVE COVER

2шт.

33

07753092

SCREW

flat-round-head, M8 x 20 DIN603 8.8

2шт.

34

06577028

SPECIAL WASHER

M8

2шт.

35

825-1408

NUT,M8, Cl 8

2шт.

36

614-8016

BOLT,Hex, M8 x 1.25 x 16mm, Cl 8.8, Full Thd

8шт.

37

06562062

WASHER

8.4 DIN7349 ST

8шт.

38

06577028

SPECIAL WASHER

M8

8шт.

41

07753092

SCREW

flat-round-head, M8 x 20 DIN603 8.8

6шт.

42

06577028

SPECIAL WASHER

M8

6шт.

43

825-1408

NUT,M8, Cl 8

6шт.

44

895-11016

WASHER,17.5mm ID x 30mm OD x 3mm Thk

2шт.

50

06245516

BOLT

eye, LAM12 x 100 DIN444 8.8

2шт.

51

07640084

LARGE PIN

PIN, LARGE B12H11 x 45 x 39 x 4 DIN1444 ST

2шт.

52

895-11012

WASHER,13.5mm ID x 24mm OD x 2.5mm Thk

4шт.

53

06402103

PIN, SPLIT (COTTER)

PIN, COTTER splint, 3.2 x 25 DIN94 ST

2шт.

54

829-1412

NUT,M12, Cl 10.9

2шт.

55

06562038

WASHER

13 DIN7349 ST

2шт.

56

614-12030

BOLT,Hex, M12 x 1.75 x 30mm, Cl 8.8, Full Thd

1шт.

57

829-4412

NUT,Thin, M12 x 1.75, Cl 5

hex, M12/04-A3C ISO4035

1шт.

61

36294455

CHANNEL

spout

1шт.

Выбрано товаров: 44