Запчасти Case IH 8790 (233) - CENTRAL LUBRICATION SYSTEM, UNIT (71) - LUBRICATION SYSTEM

Схема запчастей Case IH 8790 - (233) - CENTRAL LUBRICATION SYSTEM, UNIT (71) - LUBRICATION SYSTEM
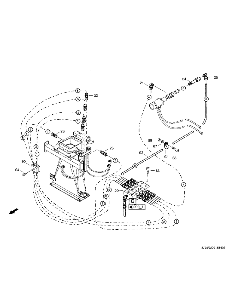
87
22
93
82
23
89
26
20
24
21
90
88
94
25
23
FIT
1:1
100%

Артикул

Название

Примечание

Количество

70

03128241

SPLINED COUPLING

SLEEVE

1шт.

71

03130394

SOLENOID VALVE

magnet, 4/2

1шт.

74

03128282

SCREW

connection

1шт.

75

03128290

FITTING

TUBE

18шт.

76

03124221

BUSHING

SOCKETscrew, 1001 21 200-8.3 x 2.1

20шт.

77

01451550

LOOM

HOSE spiral, 8

20шт.

78

01451534

HOSE

high pressure, 8.3 x 2.1

15шт.

79

01309625

COLLAR

band, 188 x 4.8 PLT2S-MO

200шт.

80

03128305

CLAMP

hose binder, 338 mm

20шт.

81

864-5012

HEX SOC SCREW,M5 x 12mm, Cl 8.8

Cheese-head, M5 x 12 DIN912 8.8

14шт.

82

06279340

SCREW

cheese-head, M5 x 35 DIN912 8.8

16шт.

84

03128098

FITTING

CONNECTION instrument screwed, M10 x 1K

2шт.

85

03128627

FITTING

TUBE, 90-38 mm

1шт.

86

03128643

FITTING

TUBE, 90-50 mm

1шт.

87

895-11005

WASHER,5.5mm ID x 10mm OD x 1mm Thk

3шт.

88

864-5020

HEX SOC SCREW,M5 x 20mm, Cl 8.8

cheese-head, M5 x 20 DIN912 8.8

5шт.

89

06242111

NUT

hex, M5 DIN6925 8

3шт.

90

06647557

SHIN

clamping halves, Z-KP-2-R-18-18 DIN3015 PP

1шт.

91

36290105

TUBE,60 mm Length

MAGNETVENTIL

1шт.

93

36290090

TUBE

1шт.

94

614-8035

BOLT,Hex, M8 x 1.25 x 35mm, Cl 8.8, Full Thd

3шт.

95

06577028

SPECIAL WASHER

M8

2шт.

96

825-1408

NUT,M8, Cl 8

2шт.

Выбрано товаров: 23