Запчасти Case IH 8790 (237) - CENTRAL LUBRICATION SYSTEM, UNIT (71) - LUBRICATION SYSTEM

Схема запчастей Case IH 8790 - (237) - CENTRAL LUBRICATION SYSTEM, UNIT (71) - LUBRICATION SYSTEM
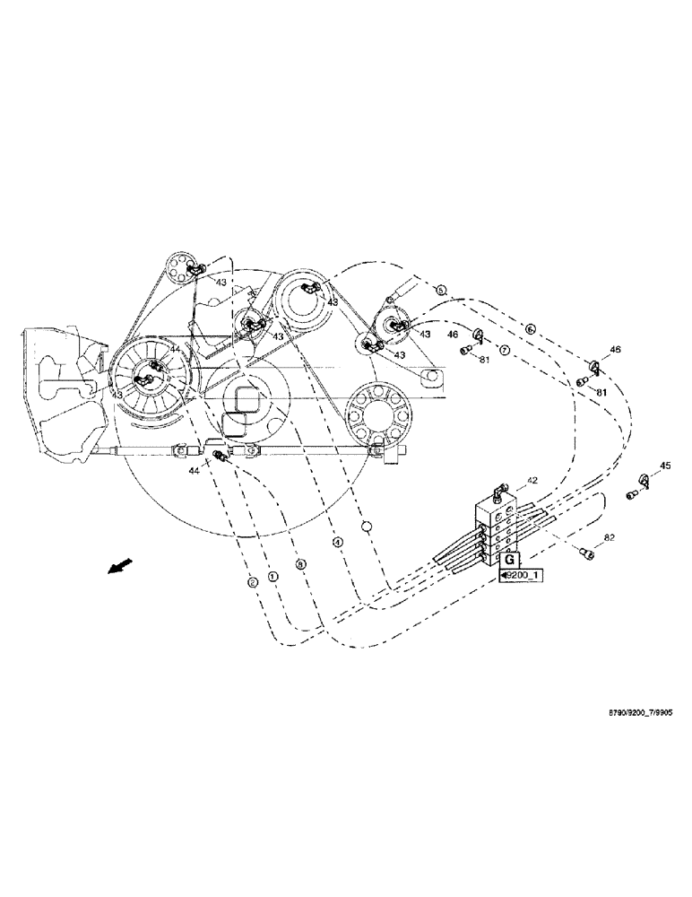
43
46
46
43
43
43
43
44
45
81
43
42
44
81
82
FIT
1:1
100%

Артикул

Название

Примечание

Количество

1

36260663

SUPPORT

BRACKET

1шт.

2

614-10025

BOLT,Hex, M10 x 1.5 x 25mm, Cl 8.8

3шт.

3

06562087

WASHER

10.5 DIN7349 ST

3шт.

4

86500689

NUT,M10 x 1.5, Cl 10

3шт.

5

03128016

PUMP

electric, EP1 12V 4KG

1шт.

6

614-8030

BOLT,Hex, M8 x 1.25 x 30mm, Cl 8.8, Full Thd

2шт.

7

06577028

SPECIAL WASHER

Locking, M8

2шт.

8

825-1408

NUT,M8, Cl 8

2шт.

9

03128651

PUSH-PULL COUPLING

male

1шт.

10

03128467

FLOW DIVIDER

LUBRICATION rail, 4/7

1шт.

12

03128450

FLOW DIVIDER

LUBRICATION rail, 6/10

1шт.

13

03128040

ELBOW

UNION, M8 x 1K

6шт.

14

03128057

ELBOW

UNION, M10 x 1K

3шт.

15

03128065

FITTING

CONNECTION instrument screwed, M8 x 1K

1шт.

16

03128073

EXTENSION

M8 x 1K

2шт.

19

06645442

CLAMP

CLIP hose, 1.19/20-W1 DIN3016

1шт.

20

03128081

RESTRICTOR

LUBRICATION rail, 4/8

1шт.

21

03128040

ELBOW

UNION, M8 x 1K

1шт.

22

03128065

FITTING

CONNECTION instrument screwed, M8 x 1K

4шт.

23

03128098

FITTING

CONNECTION instrument screwed, M10 x 1K

2шт.

24

03128073

EXTENSION

M8 x 1K

1шт.

25

03128104

JOINT TURNING

torsion, M10 x 1K

1шт.

26

02884812

CLAMP

CLIP pipe, RSGU1.6/12-W1 DIN3016

3шт.

27

03128475

FLOW DIVIDER

LUBRICATION rail, 3/6

1шт.

28

03128065

FITTING

CONNECTION instrument screwed, M8 x 1K

4шт.

Выбрано товаров: 25