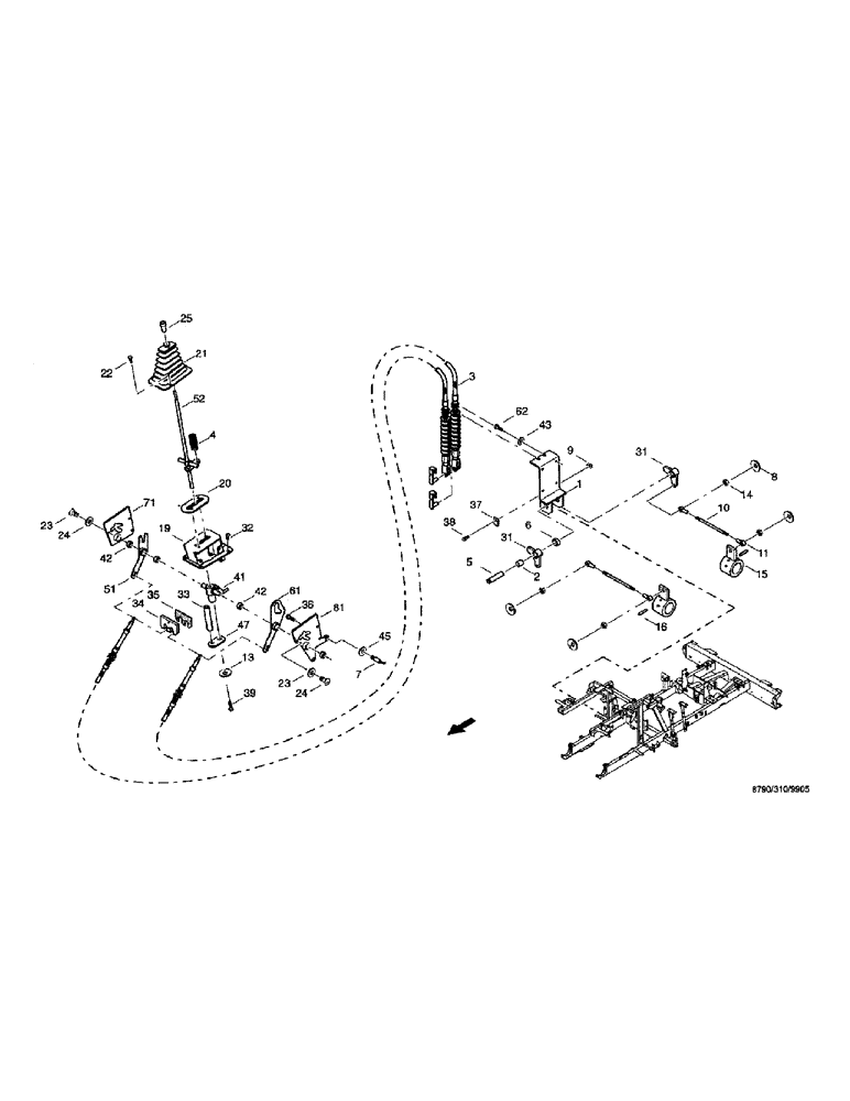
Запчасти Case IH 8790 (062) - OPERATORS PLATFORM, GEAR SHIFT - 36215835 (90) - PLATFORM, CAB, BODYWORK AND DECALS

Схема запчастей Case IH 8790 - (062) - OPERATORS PLATFORM, GEAR SHIFT - 36215835 (90) - PLATFORM, CAB, BODYWORK AND DECALS
1
6
19
25
35
7
62
34
43
13
4
52
36
32
47
10
20
33
14
31
9
3
41
71
5
21
38
81
2
22
16
39
15
24
11
37
61
42
24
31
23
45
51
42
8
23
FIT
1:1
100%

Артикул

Название

Примечание

Количество

1

36215835

BRACKET

BASE gear

1шт.

2

01308175

BUSHING

SLEEVE, 25/28 x 30

1шт.

3

04006738

CONTROL SLIDE

ACTUATION push-pull

2шт.

4

06713326

COMPRESSION SPRING

pressure, C2 x 22 x 11.5

1шт.

5

36216338

LARGE PIN

PIN, LARGE

1шт.

6

36216346

SPACER, RING

intermediate

1шт.

7

07075642

SENSOR

SENDER, NBB5-18GM50-E0-V1

2шт.

8

06577028

SPECIAL WASHER

M8

1шт.

9

06116155

NUT,M8, Cl 8

1шт.

10

36216354

ROD,THREADED

THREADED ROD piece

2шт.

11

98014348

SUPPORT

JOINT angle, AS13 DIN71802

4шт.

13

06577028

SPECIAL WASHER

M8

4шт.

14

825-1408

NUT,M8, Cl 8

4шт.

15

36215907

FITTING

CONNECTOR

2шт.

16

838-5630

LOCK PIN,M6 x 30, Slotted

Roll, DIN1481 FST

2шт.

19

36269140

CASE

HOUSING

1шт.

20

36269413

RETAINER

HOLDER

1шт.

21

01460326

SPEED CHANGE LEVER

SEALING gearshift

1шт.

22

06334445

CAPSCREW

BOLT hexagon head, M6 x 20/8.8-A3C ISO4017

2шт.

23

895-11008

WASHER,9mm ID x 16mm OD x 1.6mm Thk

6шт.

24

06082755

SCREW

flat mushroom head, M8 x 16-10.9-A3C

6шт.

25

03716934

HANDLE

GN718-45-B12-T

1шт.

31

36215876

CRANK LEVER

1шт.

32

03272747

FLANGE

SCREW flat mushroom head, M8 x 2010.9

4шт.

33

36273112

SLEEVE

threaded

1шт.

34

36249338

PROTECTIVE COVER

PLATE

1шт.

35

36226838

SEAL

SEAL

1шт.

36

614-12016

BOLT,Hex, M12 x 1.75 x 16mm, Cl 8.8, Full Thd

2шт.

37

36206867

STIRRUP

BRACKET

1шт.

38

614-8020

BOLT,Hex, M8 x 1.25 x 20mm

1шт.

39

614-8016

BOLT,Hex, M8 x 1.25 x 16mm, Cl 8.8, Full Thd

1шт.

41

36268324

GUIDE

1шт.

42

03677130

BUSHING

SLEEVE, 20/26 x 20

4шт.

43

895-11010

WASHER,11mm ID x 20mm OD x 2mm Thk

4шт.

45

895-11016

WASHER,17.5mm ID x 30mm OD x 3mm Thk

2шт.

47

36269567

PLATE

1шт.

51

36274388

LEVER

1шт.

52

36268726

CONTROL LEVER

gear-shift

1шт.

61

36274402

LEVER

1шт.

62

614-10016

BOLT,Hex, M10 x 1.5 x 16mm, Cl 8.8, Full Thd

4шт.

71

36274427

PANEL

WALL, l

1шт.

81

36274443

PANEL

WALL, r

1шт.

Выбрано товаров: 42