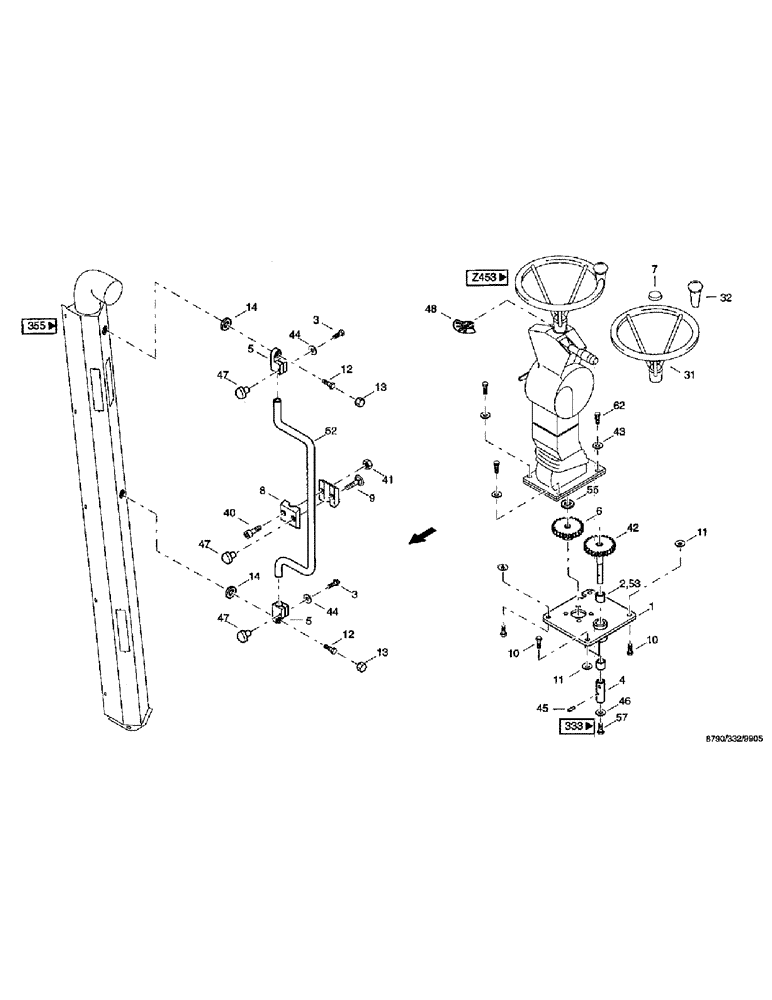
Запчасти Case IH 8790 (066) - CAB, STEERING COLUMN (90) - PLATFORM, CAB, BODYWORK AND DECALS

Схема запчастей Case IH 8790 - (066) - CAB, STEERING COLUMN (90) - PLATFORM, CAB, BODYWORK AND DECALS
7
6
45
31
47
55
14
11
13
40
4
12
57
10
10
3
47
1
41
46
8
5
47
53
42
9
3
5
43
44
48
13
12
11
32
44
14
52
62
2
FIT
1:1
100%

Артикул

Название

Примечание

Количество

1

32505261

BEARING ASSY

1шт.

2

03677130

BUSHING

SLEEVE, 20/26 x 20

2шт.

3

614-6035

BOLT,Hex, M6 x 1 x 35mm, Cl 8.8, Full Thd

ISO 4017

2шт.

4

32505333

SLEEVE

1шт.

5

05810297

SHIN

CLAMP fishplate, TYP LP18

2шт.

6

32505341

GEAR

WHEEL

1шт.

7

03267251

CAP

1шт.

8

06648043

SHIN

clamping halves, L-KP-2-R-18 DIN3015 PA

1шт.

9

07751837

SCREW

flat-round-head, M6 x 45 DIN603 4.6

1шт.

10

614-10020

BOLT,Hex, M10 x 1.5 x 20mm, Cl 8.8, Full Thd

4шт.

11

06577003

SPECIAL WASHER

M10

4шт.

12

614-6025

BOLT,Hex, M6 x 1 x 25mm, Cl 8.8, Full Thd

2шт.

13

01409524

PLUG

CAP hex, M6 GPN 1000/1069

2шт.

14

895-11016

WASHER,17.5mm ID x 30mm OD x 3mm Thk

2шт.

31

060515034

HANDWHEEL

steering, 3 SPEICHEN

1шт.

32

060515050

BALL KNOB

WHEEL steering, spinner

1шт.

40

864-6025

HEX SOC SCREW,M6 x 25mm, Cl 8.8

Cheese-head, DIN 912

1шт.

41

825-1406

NUT,M6, Cl 8

1шт.

42

32505294

SHAFT

CYLINDER master

1шт.

43

895-11010

WASHER,11mm ID x 20mm OD x 2mm Thk

4шт.

44

895-11006

WASHER,6.6mm ID x 12mm OD x 1.6mm Thk

2шт.

45

06141943

PIN

DOWEL notched, 4 x 20 DIN1473 ST

1шт.

46

895-25008

WASHER,9mm ID x 24mm OD x 2mm Thk

8.4 DIN9021 140HV

1шт.

47

05810264

HANDLE

three-square

3шт.

48

09169525

ADHESIVE

PLATE

1шт.

52

32506824

HOLDER,522, 118 mm Length

TUBE

1шт.

53

895-11020

WASHER,M20 x 37 x 3

21 DIN125 ST

1шт.

55

32506832

WASHER

21 x 36 x 2

1шт.

57

614-8012

BOLT,Hex, M8 x 1.25 x 12mm, Cl 8.8, Full Thd

1шт.

62

614-10025

BOLT,Hex, M10 x 1.5 x 25mm, Cl 8.8

4шт.

Выбрано товаров: 30