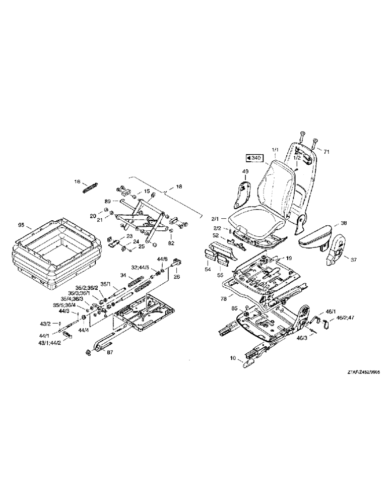
Запчасти Case IH 8790 (286) - CAB, DRIVERS SET (90) - PLATFORM, CAB, BODYWORK AND DECALS

Схема запчастей Case IH 8790 - (286) - CAB, DRIVERS SET (90) - PLATFORM, CAB, BODYWORK AND DECALS
23
78
37
89
21
26
56
32
34
82
24
16
85
19
38
54
52
49
47
20
87
71
25
18
10
95
15
FIT
1:1
100%

Артикул

Название

Примечание

Количество

1

03253865

CUSHION

k

1шт.

2

03253873

CUSHION

k

1шт.

10

03254038

HANDLE

1шт.

15

03254095

BUSHING

SLEEVE

2шт.

16

03253953

TENSION SPRING

1шт.

18

03253961

DIPPER

ROCKER, k

1шт.

19

03254046

LEVER ASSY.

k

1шт.

20

05810795

SHIFTER ROLLER

ws

4шт.

21

03253978

BUSHING

SLEEVE

2шт.

23

05810818

TENSION SPRING

2шт.

24

03253986

SHEET

ARM out ratchet

2шт.

25

03254118

LARGE PIN

PIN, LARGE

1шт.

26

05810787

CLEVIS

FORK, k

1шт.

32

05810842

BEARING

axial thrust ball, k

1шт.

34

03253994

TENSION SPRING

2шт.

35

03254005

SHOCK ABSORBER

k

1шт.

36

03254126

ROD,THREADED

THREADED ROD piece, k

2шт.

37

03253881

PROTECTIVE COVER

l

1шт.

38

03253898

ARMREST ASSY.

k, l

1шт.

43

03254134

TOGGLE

k

1шт.

44

03254013

SPINDLE

adjusting, k

1шт.

46

03253904

LEVER

k

1шт.

47

03253912

HANDLE

1шт.

49

03253920

PROTECTIVE COVER

r

1шт.

52

03254062

LEVER

indexing

1шт.

54

03254070

HANDLE

k

1шт.

55

03254087

HANDLE

1шт.

71

03253937

SLEEVE

guide, k

2шт.

78

03253945

RAIL ASSY.

set of shifting

1шт.

82

05810801

BUSHING

SLEEVE

2шт.

85

03254054

SLIPPER

SLIDER

4шт.

87

05810875

SHIFTER ROLLER

1шт.

89

03254101

LARGE PIN

PIN, LARGE

1шт.

95

03254142

BELLOWS

k

1шт.

Выбрано товаров: 34