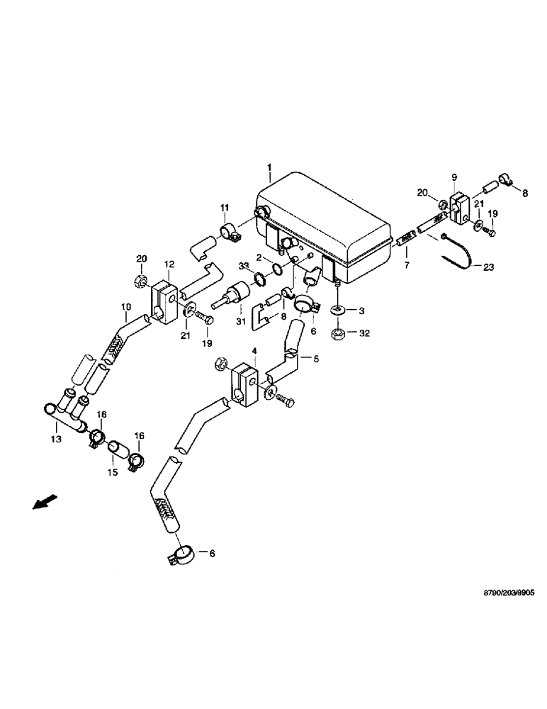
Запчасти Case IH 8790 (035) - ENGINE SYSTEM, COMPENSATOR VESSEL (10) - ENGINE

Схема запчастей Case IH 8790 - (035) - ENGINE SYSTEM, COMPENSATOR VESSEL (10) - ENGINE
13
32
15
6
8
5
11
4
20
19
3
9
7
33
8
19
23
20
6
1
10
21
21
12
31
16
16
2
FIT
1:1
100%

Артикул

Название

Примечание

Количество

1

02058951

RESERVOIR

CONTAINER compensator, cpl M.FÜLLST.-GEB.HELLA

1шт.

2

03253422

O-RING

14,00 x 3,00 DIN3771 N-NBR70

1шт.

3

06577028

SPECIAL WASHER

M8

4шт.

4

06623486

CLAMP

CLIP hose, RSGU1.36/25-W1

2шт.

5

01170374

HOSE

radiator, 28

1шт.

6

06623404

CLAMP

CLIP hose, B1-37 x 20-W1-1 DIN3017

2шт.

7

01170405

HOSE

radiator, 10 x 3.2 GOLDSCHLANGE

1шт.

8

06623365

CLAMP

CLIP hose, B1-16x12-W1-1 DIN3017

2шт.

9

06644015

CLAMP

CLIP hose, RSGU1.16/25-W1 DIN3016

3шт.

10

01146663

LINE

HOSE cooling water, 15 x 3.5 DIN73411

1шт.

11

06623373

CLAMP

CLIP hose, B1-22 x 15-W1-1 DIN3017

2шт.

12

DF064526

CLAMP

CLIP hose, RSGU1.21/25 DIN3016 043334

4шт.

13

36291001

FLOW DIVIDER

distributor

1шт.

15

01146768

HOSE

radiator, 22 x 3.5 DIN73411

1шт.

16

06623398

CLAMP

CLIP hose, B1-30 x 20-W1-1 DIN3017

2шт.

19

614-10020

BOLT,Hex, M10 x 1.5 x 20mm, Cl 8.8, Full Thd

9шт.

20

825-1410

NUT,M10, Cl 8

9шт.

21

06577003

SPECIAL WASHER

M10

9шт.

23

07068200

CABLE

band, sw 188 x 4.8 TSL-190-S

4шт.

31

03253543

SWITCH

1шт.

32

825-1408

NUT,M8, Cl 8

4шт.

33

800-1130

SNAP RING,M30, Ext

1шт.

Выбрано товаров: 22