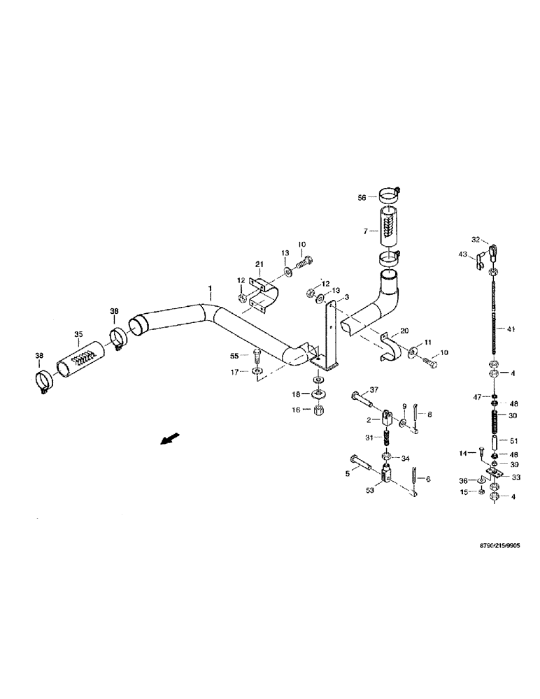
Запчасти Case IH 8790 (040) - ENGINE SYSTEM, CONNECTING TUBE (10) - ENGINE

Схема запчастей Case IH 8790 - (040) - ENGINE SYSTEM, CONNECTING TUBE (10) - ENGINE
33
43
8
38
21
10
3
12
41
31
17
11
1
32
10
20
36
18
30
37
12
38
4
16
55
4
34
39
5
2
13
35
47
48
14
56
9
51
48
6
7
13
53
15
FIT
1:1
100%

Артикул

Название

Примечание

Количество

1

36283477

TUBE

connecting, K-M

1шт.

2

36290041

FORK

lg

1шт.

3

36283508

SUPPORT

pipe connection

1шт.

4

337475

NUT,M12, Cl 10

hex, M12/8-A3C ISO4032

5шт.

5

007634158

LARGE PIN

PIN, LARGE B16H11 x 40 x 34-ST-A3C DIN144

1шт.

6

03298596

PIN, SPLIT (COTTER)

PIN, COTTER splint 4 x 28/ST-A3A DIN94

1шт.

7

02059253

HOSE

rubber, 70 x 1000 mm

1шт.

8

06402031

PIN, SPLIT (COTTER)

PIN, COTTER splint, 3.2 x 20/ST-A3C DIN94

1шт.

9

06509580

WASHER

A10.5/140HV-A3C DIN125

1шт.

10

43127

BOLT,Hex, M8 x 1.25 x 25mm, Cl 8.8

6шт.

11

06577028

SPECIAL WASHER

M8

6шт.

12

43362

NUT,M8 x 1.25, Cl 10

2шт.

13

06562062

WASHER

8.4 DIN7349 ST

6шт.

14

06341001

CAPSCREW

BOLT hexagon head, M8 x 20/8.8-A3C ISO4017

2шт.

15

43362

NUT,M8 x 1.25, Cl 10

2шт.

16

337475

NUT,M12, Cl 10

hex, M12/8-A3C ISO4032

2шт.

17

06562175

WASHER

13 DIN7349

4шт.

18

06577011

PLATE, LOCKING

WASHER, M12

2шт.

20

36291188

CLAMP

PIPE water

1шт.

21

36293181

CLAMP

PIPE water, clip

1шт.

30

06752943

COMPRESSION SPRING

pressure C 3.6 x 25 x 14.5

1шт.

31

36290033

STEM

BOLT through

1шт.

32

97058011

CRADLE

YOKE, G12 x 24 DIN71752 9S20K

1шт.

33

36293575

PLATE

1шт.

34

100020

NUT,M16 x 2.0, Cl 8

ISO4032

1шт.

35

02059245

HOSE

rubber, 60 x 1000 mm

1шт.

36

06577028

SPECIAL WASHER

M8

2шт.

37

07632863

LARGE PIN

PIN, LARGE B10H11 x 35 x 30 DIN1444 ST

1шт.

38

06623437

CLAMP

Hose, B2-82 x 25-W1-1 DIN3017

2шт.

39

36293550

GUIDE

1шт.

41

36293534

STEM

BOLT through

1шт.

43

98028673

LARGE PIN

PIN, LARGE BOLT, ES12 x 24 ES-NORM-01

1шт.

47

97020633

DISC

WASHER spherical, C13 DIN6319 ST

1шт.

48

36293542

SPRING CUP

retainer

2шт.

51

36293567

TUBE,12.2 mm ID, 58 mm Length

restricting

1шт.

53

97058015

CRADLE

YOKE, G16 x 32 DIN71752 9S20K

1шт.

55

06346891

CAPSCREW

BOLT hexagon head, M12 x 40/8.8-A3C ISO4017

2шт.

56

06623412

CLAMP

CLIP hose, B2-70 x 20-W1-1 DIN3017

2шт.

Выбрано товаров: 38