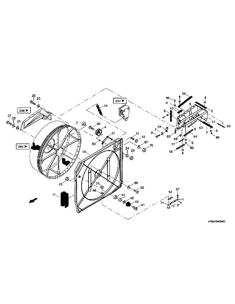
Запчасти Case IH 8790 (056) - RADIATOR SYSTEM, RADIATOR HOUSING DOOR (10) - ENGINE

Схема запчастей Case IH 8790 - (056) - RADIATOR SYSTEM, RADIATOR HOUSING DOOR (10) - ENGINE
76
66
51
7
8
6
5
9
6
54
24
11
63
86
56
86
52
26
41
6
24
1
63
43
23
64
4
16
10
27
43
67
75
14
74
42
50
77
2
40
3
61
86
66
53
65
66
15
57
25
25
63
5
7
65
64
2
FIT
1:1
100%

Артикул

Название

Примечание

Количество

1

04012945

CYLINDER, GAS

strut, 300N+/-10N

1шт.

2

36279456

BRUSH, COMMUTATOR

BRUSH cleaning, 1

2шт.

3

06400954

PIN, SPLIT (COTTER)

PIN, COTTER splint, 2 x 16 DIN94 ST

2шт.

4

03716854

SHIFTER ROLLER

RSR B.16.117.LO

1шт.

5

36279480

SLAT

bar with threaded holes 2

2шт.

6

06577036

SPECIAL WASHER

M6

2шт.

7

06577003

SPECIAL WASHER

M10

10шт.

8

36279511

BRUSH, COMMUTATOR

BRUSH cleaning, 4

1шт.

9

614-10025

BOLT,Hex, M10 x 1.5 x 25mm, Cl 8.8

4шт.

10

36279536

BRUSH, COMMUTATOR

BRUSH cleaning, 5

1шт.

11

01402903

SEAL, RUBBER

RUBBER SEAL profile

5шт.

14

06700676

TENSION SPRING

A2.8 x 30 x 40AA

1шт.

15

895-11016

WASHER,17.5mm ID x 30mm OD x 3mm Thk

3шт.

16

800-1116

SNAP RING,M16, Ext

DIN 471 FST

1шт.

17

06577036

SPECIAL WASHER

M6

21шт.

18

03298571

PIN

roll, 4 x 20 DIN7346 FST

2шт.

23

825-1410

NUT,M10, Cl 8

2шт.

24

895-11010

WASHER,11mm ID x 20mm OD x 2mm Thk

3шт.

25

06577003

SPECIAL WASHER

M10

3шт.

26

614-10025

BOLT,Hex, M10 x 1.5 x 25mm, Cl 8.8

2шт.

27

614-10030

BOLT,Hex, M10 x 1.5 x 30mm, Cl 8.8, Full Thd

1шт.

40

01139752

RUBBER BLOCK

STOP, FUß25 FORM1821

1шт.

41

06017031

SCREW

lens-head, M6 x 50 DIN85 4.8

1шт.

42

06502888

WASHER

R6.6 DIN440 100HV

1шт.

43

825-1406

NUT,M6, Cl 8

3шт.

50

36287263

DRUM

sieve drum seat

1шт.

51

36279376

DIPPER

pendulum

1шт.

52

36287095

HOLDER

SPRING pneumatic, k

1шт.

53

36211052

SLEEVE

1шт.

54

36249797

CLAMP

2шт.

55

614-10030

BOLT,Hex, M10 x 1.5 x 30mm, Cl 8.8, Full Thd

6шт.

56

36279497

BRUSH, COMMUTATOR

BRUSH cleaning 3

1шт.

57

06577093

LOCK WASHER

M16

1шт.

61

36280056

DIPPER

ROCKER

1шт.

63

36279464

SLAT

bar with threaded holes, 1

3шт.

64

36279472

BRUSH, COMMUTATOR

BRUSH cleaning, 2

2шт.

65

614-16055

BOLT,Hex, M16 x 2 x 55mm, Cl 8.8, Full Thd

ISO4017

1шт.

66

825-1410

NUT,M10, Cl 8

10шт.

67

07632092

PIN

PIN, LARGE B8H11 x 20 x 16.5 DIN1444 ST

1шт.

74

614-6016

BOLT,Hex, M6 x 1 x 16mm, Cl 8.8, Full Thd

2шт.

75

825-1406

NUT,M6, Cl 8

2шт.

76

825-1416

NUT,M16, Cl 8

1шт.

77

36279503

SLAT

bar with threaded holes, 3

1шт.

81

36279544

SLAT

bar with threaded holes, 5

1шт.

86

840-1612

SCREW,Pan, M6 x 12mm, Cl 4.8

fillister head, M6 x 12-H DIN7985 4.8

21шт.

Выбрано товаров: 45