Запчасти Case IH 8790 (016) - DRIVE SYSTEM, CYLINDER COUPLER DRIVE (14) - MAIN GEARBOX & DRIVE

Схема запчастей Case IH 8790 - (016) - DRIVE SYSTEM, CYLINDER COUPLER DRIVE (14) - MAIN GEARBOX & DRIVE
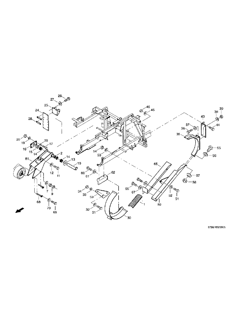
16
60
58
27
11
59
66
81
33
28
20
53
26
61
24
32
18
1
54
38
17
7
67
62
44
31
2
15
14
36
10
13
46
34
65
12
19
43
57
50
70
55
45
51
69
35
14
68
56
30
9
37
39
25
52
FIT
1:1
100%

Артикул

Название

Примечание

Количество

1

01170011

BELT

power band, 4HB-3870LA + /-8 KEVLAR BB

1шт.

2

01328306

BUSHING

SLEEVE, GSM-4044-20 FORM S IGLIDUR

2шт.

7

895-11020

WASHER,M20 x 37 x 3

21 DIN125 ST

1шт.

9

06222831

NUT

hex, M20 x 1.5 ISO8675 05

2шт.

10

36205448

LARGE PIN

PIN, LARGE COUPLING lug

1шт.

11

614-8014

BOLT,Hex, M8 x 1.25 x 14mm, Cl 8.8, Full Thd

ISO4017

1шт.

12

06577028

SPECIAL WASHER

M8

1шт.

13

06510638

WASHER

41 DIN1441 ST

1шт.

14

06626890

SHIM

40 x 50 x 2 DIN988

6шт.

15

36249731

BUSHING

SLEEVE

1шт.

16

36205472

STIRRUP

PLATE retaining

1шт.

17

614-10030

BOLT,Hex, M10 x 1.5 x 30mm, Cl 8.8, Full Thd

4шт.

18

06577003

SPECIAL WASHER

M10

4шт.

19

895-11010

WASHER,11mm ID x 20mm OD x 2mm Thk

4шт.

20

825-1410

NUT,M10, Cl 8

4шт.

24

36276332

SHEET

PLATE holding

1шт.

25

36249748

SUPPORT

SEAT cylinder

1шт.

26

614-10025

BOLT,Hex, M10 x 1.5 x 25mm, Cl 8.8

4шт.

27

06577003

SPECIAL WASHER

M10

2шт.

28

36223884

PLATE

with thread

2шт.

30

36273217

GUIDE

belt

1шт.

31

614-10035

BOLT,Hex, M10 x 1.5 x 35mm, Cl 8.8, Full Thd

4шт.

32

06577052

SPECIAL WASHER

locking, B10

4шт.

33

895-11010

WASHER,11mm ID x 20mm OD x 2mm Thk

2шт.

34

825-1410

NUT,M10, Cl 8

2шт.

35

36273635

GUIDE

belt, GEBLÄSE

1шт.

36

614-10030

BOLT,Hex, M10 x 1.5 x 30mm, Cl 8.8, Full Thd

4шт.

37

895-11010

WASHER,11mm ID x 20mm OD x 2mm Thk

4шт.

38

06577003

SPECIAL WASHER

M10

4шт.

39

825-1410

NUT,M10, Cl 8

4шт.

43

36273715

BRACKET

1шт.

44

614-10025

BOLT,Hex, M10 x 1.5 x 25mm, Cl 8.8

3шт.

45

06577003

SPECIAL WASHER

M10

6шт.

46

825-1410

NUT,M10, Cl 8

3шт.

50

36273225

GUIDE

belt

1шт.

51

614-10030

BOLT,Hex, M10 x 1.5 x 30mm, Cl 8.8, Full Thd

2шт.

52

895-11010

WASHER,11mm ID x 20mm OD x 2mm Thk

4шт.

53

06577003

SPECIAL WASHER

M10

2шт.

54

825-1410

NUT,M10, Cl 8

2шт.

55

614-8020

BOLT,Hex, M8 x 1.25 x 20mm

2шт.

56

895-11008

WASHER,9mm ID x 16mm OD x 1.6mm Thk

2шт.

57

06577028

SPECIAL WASHER

M8

2шт.

58

825-1408

NUT,M8, Cl 8

2шт.

59

36273233

SPACER

intermediate piece

1шт.

60

614-10025

BOLT,Hex, M10 x 1.5 x 25mm, Cl 8.8

3шт.

61

06577003

SPECIAL WASHER

M10

3шт.

62

36273241

ANGLE

holding

1шт.

65

36273258

PROTECTION

guard

1шт.

66

614-8014

BOLT,Hex, M8 x 1.25 x 14mm, Cl 8.8, Full Thd

ISO4017

4шт.

67

06577028

SPECIAL WASHER

M8

4шт.

68

36273610

ELEC. TERMINAL PIN

PLUG

2шт.

69

614-10018

BOLT,Hex, M10 x 1.5 x 18mm, Cl 8.8, Full Thd

ISO4017

2шт.

70

06577003

SPECIAL WASHER

M10

2шт.

81

36273692

DIPPER

ROCKER

1шт.

Выбрано товаров: 54