Запчасти Case IH 8790 (024) - DRIVE SYSTEM, CONTROL (14) - MAIN GEARBOX & DRIVE

Схема запчастей Case IH 8790 - (024) - DRIVE SYSTEM, CONTROL (14) - MAIN GEARBOX & DRIVE
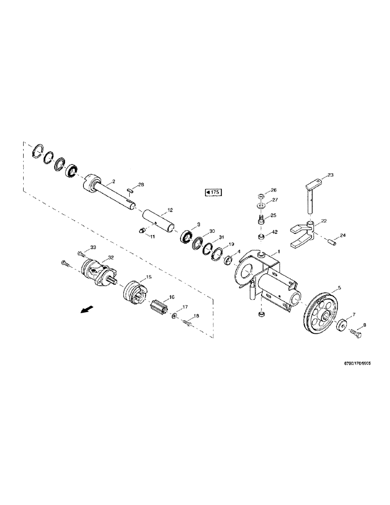
1
42
31
26
27
30
8
23
18
7
15
19
22
17
28
2
5
24
32
16
12
4
3
25
33
11
FIT
1:1
100%

Артикул

Название

Примечание

Количество

1

36265844

SUPPORT

trestle

1шт.

2

36265811

SHAFT

1шт.

3

97060197

BEARING

grooved ball, 6007RS DIN625

2шт.

4

36213175

RING

1шт.

5

36213183

PULLEY

spb

1шт.

7

36213191

DISC

WASHER, end

1шт.

8

614-10040

BOLT,Hex, M10 x 1.5 x 40mm, Cl 8.8, Full Thd

ISO 4017

1шт.

11

03617056

LUBE NIPPLE

grease, AM8 x 1 DIN71412

1шт.

12

36265828

SLEEVE

1шт.

15

36248747

SPUR

CLUTCH dog

1шт.

16

04122811

HUB

1шт.

17

06502638

WASHER

R9 DIN440 100HV

1шт.

18

614-8020

BOLT,Hex, M8 x 1.25 x 20mm

1шт.

19

800-2162

SNAP RING,M62, Int

x 2 DIN472 FST

2шт.

22

36232338

SHIFTER FORK

1шт.

23

36280353

LARGE PIN

PIN, LARGE

1шт.

24

838-5830

LOCK PIN,M8 x 30, Slotted

Roll, DIN1481 FST

1шт.

25

97063272

ROLLER

KR 26 PP 003 142-9

2шт.

26

06214077

NUT

hex, M10 x 1 ISO8673 8

2шт.

27

895-11010

WASHER,11mm ID x 20mm OD x 2mm Thk

2шт.

28

03501326

BUCKET TOOTH KEY

flat, A10 x 8 x 32 DIN6885

1шт.

30

01116842

SEALING RING,39.8mm ID x 62mm OD x 2.5mm

COVER bearing, 6007ZJV

2шт.

31

06655042

WASHER

thrust, S50 x 62 DIN988

2шт.

32

02058822

HYDRAULIC MOTOR

OMP50/40

1шт.

33

614-12025

BOLT,Hex, M12 x 1.75 x 25mm, Cl 8.8, Full Thd

2шт.

42

98028444

BUSHING

SLEEVE, D20 x D23 x 15 GEROLLT

2шт.

Выбрано товаров: 26