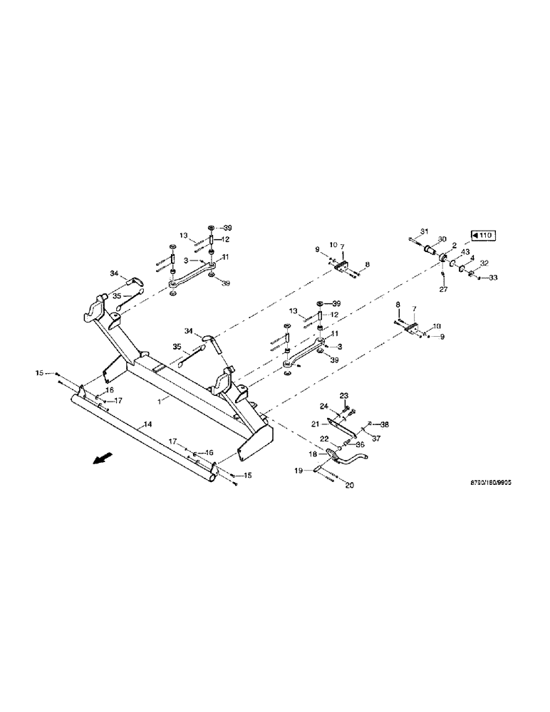
Запчасти Case IH 8790 (028) - DRIVE SYSTEM, RISER (14) - MAIN GEARBOX & DRIVE

Схема запчастей Case IH 8790 - (028) - DRIVE SYSTEM, RISER (14) - MAIN GEARBOX & DRIVE
8
34
27
21
33
12
3
16
39
39
17
20
36
17
39
8
1
24
15
11
13
12
35
19
15
38
10
32
7
37
11
22
3
9
7
2
14
43
4
39
34
18
16
30
31
35
13
10
23
9
FIT
1:1
100%

Артикул

Название

Примечание

Количество

1

36285333

HOLDER

POST pendulum

1шт.

2

03002060

SPHERICAL BEARING,40mm ID x 68mm OD x 40mm

GEH40ES-2RS

1шт.

3

03637285

NIPPLE, LUBE

NIPPLE grease, AM6 DIN71412

2шт.

4

800-2168

SNAP RING,M68, Int

x 2.5 DIN472 FST

1шт.

7

36264788

STOP

4шт.

8

614-12050

BOLT,Hex, M12 x 1.75 x 50mm, Cl 8.8, Full Thd

4шт.

9

829-1412

NUT,M12, Cl 10.9

4шт.

10

06577060

WASHER

locking, B12

2шт.

11

36264714

BRACKET

CONROD, k

2шт.

12

36264722

LARGE PIN

PIN, LARGE

4шт.

13

733-5040

COTTER PIN,M5 x 40

DIN94 ST

8шт.

14

36231546

PIPE,1440 mm Length

TUBE support

1шт.

15

614-12030

BOLT,Hex, M12 x 1.75 x 30mm, Cl 8.8, Full Thd

4шт.

16

02853373

WASHER

13 x 40 x 6

4шт.

17

829-1412

NUT,M12, Cl 10.9

4шт.

18

36287327

ARRESTER

LOCK

1шт.

19

07613893

LARGE PIN

PIN, LARGE B24H11 x 75 x 57 DIN1443 ST

1шт.

20

733-5040

COTTER PIN,M5 x 40

DIN94 ST

2шт.

21

36287351

ELEMENT, SPRING

PLATE

1шт.

22

03637172

BALL

16 TGL 15515

1шт.

23

614-8020

BOLT,Hex, M8 x 1.25 x 20mm

2шт.

24

06577028

SPECIAL WASHER

M8

2шт.

27

03640746

LUBE NIPPLE,45º, M8 x 1

grease, BM8 x 1 DIN71412

1шт.

30

36256554

LARGE PIN

PIN, LARGE

1шт.

31

814-16110

BOLT,Hex, M16 x 2 x 110mm, Cl 8.8

1шт.

32

36256562

WASHER

WASHER

1шт.

33

825-1416

NUT,M16, Cl 8

1шт.

34

36284896

CLEVIS PIN

PLUG

2шт.

35

07869431

CHAIN (CE)

safety, M.RINGEN/13 GLIEDER 76-37

2шт.

36

862-8016

HEX SOC SCREW,M8 x 16mm, Cl 12.9

Cheese-head, DIN 912

1шт.

37

06577028

SPECIAL WASHER

M8

1шт.

38

06116155

NUT,M8, Cl 8

1шт.

39

895-11024

WASHER,M24 x 44 x 4

25 DIN125 ST

8шт.

43

36243277

WASHER

1шт.

Выбрано товаров: 34