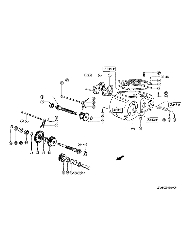
Запчасти Case IH 8790 (262) - DRIVING SHAFT, GEARBOX (14) - MAIN GEARBOX & DRIVE

Схема запчастей Case IH 8790 - (262) - DRIVING SHAFT, GEARBOX (14) - MAIN GEARBOX & DRIVE
13
14
44
31
21
18
3
19
38
32
40
39
41
43
26
2
45
8
5
9
10
24
4
17
9
12
35
15
29
22
37
13
46
7
42
34
23
16
25
20
29
11
31
23
27
36
28
12
FIT
1:1
100%

Артикул

Название

Примечание

Количество

2

97013680

SCREW

cheese-head, M10 x 20 DIN7984 8.8

3шт.

3

06454934

WASHER, LOCK

spring, 10 DIN7980 FST

3шт.

4

03223160

FLANGE

intermediate

1шт.

5

03223177

GASKET

SEAL

1шт.

7

03683346

BEARING ASSY

cylindrical, NJ307E TVP2 DIN5412

1шт.

8

03223185

DRIVE SHAFT

1шт.

9

01118098

PACKING RING

SEAL shaft, AS20 x 30 x 7 DIN3760 NBR

2шт.

10

03223193

ROD

BAR gear-shift

1шт.

11

03223208

ROD

BAR gear-shift

1шт.

12

838-5636

LOCK PIN,M6 x 36, Slotted

2шт.

13

06161721

PIN

roll, 3.5 x 36A DIN8752

2шт.

14

03223216

SHIFTER FORK

1шт.

15

03223224

SHIFTER FORK

1шт.

16

06109767

SCREW

locking, M10 x 1 DIN906

1шт.

17

800-1150

SNAP RING,M50, Ext

RING snap, 50 x 2 DIN471 FST

1шт.

18

03223232

SLIDER

GEAR double shifter

1шт.

19

800-1135

SNAP RING,M35, Ext

DIN 471 FST

1шт.

20

03223240

SEAL

shaft, BADUO, 35 x 62 x 14

1шт.

21

03223257

CENTERING RING

1шт.

22

03683354

BEARING ASSY

cylindrical, NJ207E TVP2 DIN5412

1шт.

23

800-1145

SNAP RING,M45, Ext

x 1.75 DIN471 FST

3шт.

24

03223265

GEAR

shifting, Z = 45

1шт.

25

03223273

PINION

twin wheel

1шт.

26

03223281

SHAFT

main, D = 75.5 x 377.2

1шт.

27

03683362

BEARING ASSY

cylindrical, NJ2208E TVP2 DIN5412

1шт.

28

03223298

GEAR, IDLER

GEAR,IDLE WHEEL intermediate, D = 124 x 51.3

1шт.

29

03683370

BEARING ASSY

cylindrical, NJ2207E TVP2 DIN5412

2шт.

31

800-2172

SNAP RING

72 x 2.5 FST, DIN472, FST

2шт.

32

03223304

LARGE PIN

PIN, LARGE AXLE intermediate

1шт.

34

03223312

BREATHER

1шт.

36

06455855

WASHER, LOCK

spring, A8 DIN128 FST

9шт.

37

03223320

COVER

gearbox

1шт.

38

03223337

GASKET

SEAL

1шт.

39

03223345

COMPRESSION SPRING

pressure

2шт.

40

511-10140

BALL,14mm Dia

14 mm DIN5401 III

2шт.

41

03223353

LINE

PLATE oil guiding

1шт.

42

614-6025

BOLT,Hex, M6 x 1 x 25mm, Cl 8.8, Full Thd

2шт.

43

03222850

WASHER

A6

2шт.

44

03223361

HOUSING

GEARBOX

1шт.

45

03222416

PLUG

SCREW locking, M24 x 1.5 MAGNETISCH

1шт.

46

03289458

CAPSCREW

countersunk, M8 x 20 DIN7991 8.8

1шт.

35

627-8025

BOLT,Hex, M8 x 1.25 x 25mm, Cl 10.9, Full Thd

9шт.

Выбрано товаров: 42