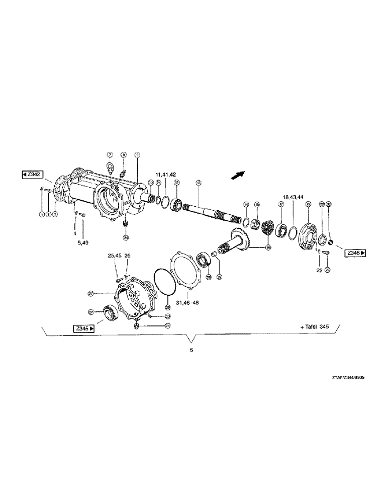
Запчасти Case IH 8790 (266) - DRIVING SHAFT, GEARBOX RIGHT ANGLE GEAR DRIVE (14) - MAIN GEARBOX & DRIVE

Схема запчастей Case IH 8790 - (266) - DRIVING SHAFT, GEARBOX RIGHT ANGLE GEAR DRIVE (14) - MAIN GEARBOX & DRIVE
10
45
7
31
29
28
23
22
20
28
25
8
44
33
14
17
12
24
3
19
15
43
46
33
9
42
26
6
2
18
48
41
5
1
21
11
32
49
24
4
16
13
27
FIT
1:1
100%

Артикул

Название

Примечание

Количество

1

06455863

WASHER, LOCK

spring, A12 DIN128 FST

1шт.

2

03223378

SCREW

BOLT precision

1шт.

3

03223386

GASKET

SEAL

1шт.

4

06454901

WASHER, LOCK

spring, A10 DIN128 FST

8шт.

5

614-10045

BOLT,Hex, M10 x 1.5 x 45mm, Cl 8.8, Full Thd

ISO 4017

4шт.

6

03223394

AXLE HOUSING

DRIVE rear wheel

1шт.

7

06263735

SCREW

ring, M12 DIN580 C15 ROH

1шт.

8

03223312

BREATHER

1шт.

9

03223400

HOUSING

GEARBOX

1шт.

10

03223417

GUIDE RING

BUSHING, D = 50 x 71.6

1шт.

11

03223425

SHIM

62 x 72 x 0.1

1шт.

12

03673385

BEARING, ROLLER

taper, 32207 DIN720

1шт.

13

03223458

DRIVE SHAFT

D = 50 x 429

1шт.

14

06655026

WASHER

thrust, S45 x 55 DIN988

1шт.

15

03223466

BUSHING

SPACER

1шт.

16

03223474

GEAR-SET

bevel, Z = 19/31

1шт.

17

03671246

BEARING, BALL

taper roller, 33208 DIN720

1шт.

18

03223482

SHIM

1шт.

19

03223513

COVER

gearbox

1шт.

20

01119226

SEAL

shaft, A40 x 62 x 7 DIN3760 NBR

1шт.

21

800-1135

SNAP RING,M35, Ext

DIN 471 FST

1шт.

22

06454901

WASHER, LOCK

spring, A10 DIN128 FST

6шт.

23

864-10030

HEX SOC SCREW,M10 x 30mm, Cl 8.8

Cheese-head, M10 x 30 DIN912 8.8

6шт.

24

03222416

PLUG

SCREW locking, M24 x 1.5 MAGNETISCH

2шт.

25

864-10030

HEX SOC SCREW,M10 x 30mm, Cl 8.8

Cheese-head screw M10 x 30 DIN912 8.8

6шт.

26

06454901

WASHER, LOCK

spring, A10 DIN128 FST

8шт.

27

03223521

BUSHING

HOUSING clutch

1шт.

28

03671262

BEARING ASSY

taper roller, 33210 DIN720

2шт.

29

01139584

O-RING

165.00 x 4.00 DIN3771 N-NBR70

1шт.

30

06109767

SCREW

locking, M10 x 1 DIN906

1шт.

31

03223538

SPACER

WASHER

1шт.

32

03223570

BEARING LINER

SLEEVE

1шт.

33

03223587

RING

1шт.

41

03223433

SHIM

62 x 72 x 0.3

1шт.

42

03223441

SHIM

62 x 72 x 0.5

1шт.

43

03223490

SHIM

1шт.

44

03223505

SHIM

1шт.

45

962-10035

HEX SOC SCREW,M10 x 35mm, Cl 10.9

cheese-head, M10 x 35 DIN912 10.9

2шт.

46

03223546

SPACER

WASHER

1шт.

47

03223554

SPACER

WASHER

1шт.

48

03223562

SPACER

WASHER

1шт.

49

614-10030

BOLT,Hex, M10 x 1.5 x 30mm, Cl 8.8, Full Thd

4шт.

Выбрано товаров: 42