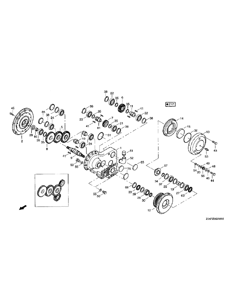
Запчасти Case IH 8790 (274) - DISTRIBUTOR GEAR (14) - MAIN GEARBOX & DRIVE

Схема запчастей Case IH 8790 - (274) - DISTRIBUTOR GEAR (14) - MAIN GEARBOX & DRIVE
39
13
75
24
35
1
55
37
35
65
85
48
54
25
38
41
41
22
35
35
38
36
36
20
22
12
57
6
32
55
30
27
31
61
46
24
15
52
33
38
23
9
28
2
49
35
68
63
50
7
19
14
26
21
43
8
50
41
10
56
45
44
51
29
16
34
53
5
11
FIT
1:1
100%

Артикул

Название

Примечание

Количество

1

03267934

FRAME

HOUSING

1шт.

2

03267942

FLANGE

D555/90 x 102

1шт.

5

03267950

PINION

GEAR spur, D231/75 x 32

2шт.

6

03267967

PINION

GEAR spur, D168/75 x 36

1шт.

7

03267975

PINION

GEAR spur, D133/75 x 32

1шт.

8

03267983

PINION

GEARspur, D224/75 x 32

1шт.

9

03267991

PINION SHAFT

SPLINE involute, D79 x 440

1шт.

10

03268002

SHAFT

D75 x 78

2шт.

11

03268010

SHAFT

profile hollow, D75/28 x 110

1шт.

12

03268035

PULLEY

D425 x 190

1шт.

13

03268043

COVER

CAP, D425/7 x 88

1шт.

14

03268051

THRUST RING

WASHER pressure, D355/165 x 39

1шт.

15

03268068

PISTON

D190 x 28

1шт.

16

03268076

RACE

ball, D50/60 x 25

1шт.

19

03268084

FITTING

ADAPTER reducing, D68/60 x 32

1шт.

20

03268092

FITTING

BUSHING guide, D25/14 x 60

3шт.

21

97060114

BEARING ASSY

grooved ball, 6013 DIN625

1шт.

22

03652202

BEARING

grooved ball, 6213 DIN625

2шт.

23

03268107

BEARING, BALL

grooved, 6013-RS DIN625

1шт.

24

03268115

BEARING, BALL

grooved, 6213-RS DIN625

4шт.

25

003680552

BEARING

grooved ball, 6310-RS DIN625

1шт.

26

003652557

BEARING

grooved ball, 6313-RS DIN625

1шт.

27

03268123

BEARING ASSY

cylindrical roller, NJ212ECP DIN5412

1шт.

28

03268131

BEARING

self-alinging roller, 22313-E DIN635

1шт.

29

03268148

SEAL

shaft, A60 x 90 x 10/FPM DIN3760

1шт.

30

03268156

SEAL

shaft, A65 x 85 x 10/FPM DIN3760

1шт.

31

03268164

GASKET

O-RING, 155 x 3/NBR70 DIN3770

1шт.

32

03268172

GASKET

O-RING, 190 x 4/NBR70 DIN3770

1шт.

33

03268180

RING

COVER bearing, 22313 JV

1шт.

34

800-1150

SNAP RING,M50, Ext

RING snap, 50 x 2 DIN471 FST

1шт.

35

800-1175

SNAP RING,M75, Ext

DIN471 FST

5шт.

36

800-21100

SNAP RING,Int, M100 x 3

2шт.

37

03241347

CIRCLIP

RING snap, 110 x 4 DIN472

3шт.

38

800-21120

SNAP RING,M120, Int

120 x 4 DIN472 FST

4шт.

39

03268203

WASHER

thrust, S110 x 140 x 3.5 DIN988

1шт.

41

03268211

BUCKET TOOTH KEY

flat, B20 x 12 x 32 DIN6885

6шт.

43

814-10075

BOLT,Hex, M10 x 1.5 x 75mm, Cl 8.8

ISO 4014

10шт.

44

827-12090

BOLT,Hex, M12 x 1.75 x 90mm, Cl 10.9

3шт.

45

614-10025

BOLT,Hex, M10 x 1.5 x 25mm, Cl 8.8

11шт.

46

03268228

WASHER

12 x 27.25 x 1.8K/A3C

3шт.

48

03268244

WASHER

tightener pulley, 13 x 35 x 5/S PHOS. DIN6796

3шт.

49

895-11024

WASHER,M24 x 44 x 4

25 DIN125 ST

3шт.

50

905631R1

PLUG,Hex Hd, G1/2A, Cl5.8

SCREW locking, R1/2ZOLL /5.8-A3C DIN910

2шт.

51

03268260

BREATHER

FILTER exhaust air, R1/2ZOLL K

1шт.

52

03268277

ELBOW

ASSEMBLY, RUND R1/2ZOLL 90GRAD

1шт.

53

03268285

GUIDE

GROMMET, GD 10B RH G3/8ZOLL

1шт.

54

03268293

BUSHING

BEARING journal, 25 x 35 x 11.5

3шт.

55

03268308

SEAL

A21 x 26 x 2/CU DIN7603

2шт.

56

03268340

WASHER

SPRING Belleville, B50 DIN2093

24шт.

57

03268357

DRIVEN PLATE

carrier, 195 x 350 x 50

1шт.

61

03268027

SHAFT

profile hollowm, D75/28 x 106

1шт.

63

03268197

OIL SEAL

COVER bearing, 60 x 110 x 4/LSTO

1шт.

65

03268316

PLUG

CAP closing, 100 x 12/VK100 NBR

1шт.

68

800-21140

SNAP RING,M140, Int

snap, 140 x 4 DIN472 FST

1шт.

75

03268324

PLUG

CAP closing, 110 x 12/VK110 NBR

2шт.

85

03268332

PLUG

CAP closing, 120 x 12/VK120 NBR

2шт.

Выбрано товаров: 56