Запчасти Case IH 8790 (183) - WORKING HYDRAULICS, STEERING (35) - HYDRAULIC SYSTEMS

Схема запчастей Case IH 8790 - (183) - WORKING HYDRAULICS, STEERING (35) - HYDRAULIC SYSTEMS
15
48
4
22
13
40
54
3
29
12
50
34
52
38
18
26
53
37
40
49
14
56
28
36
33
6
34
51
35
32
55
31
1
47
33
21
4
11
19
23
2
5
17
27
30
20
7
16
FIT
1:1
100%

Артикул

Название

Примечание

Количество

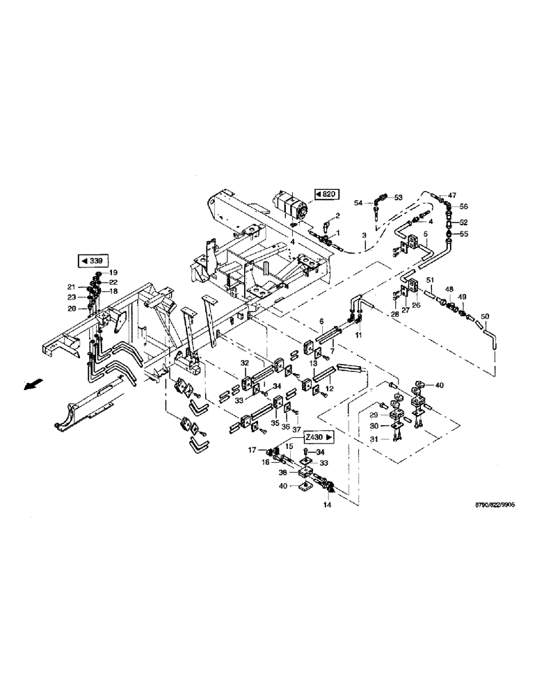
1

03434515

FITTING

right-angle screwing, EL15-L/OMD

1шт.

2

03433563

FITTING

measurement connection, VKA3/15-L

1шт.

3

06543951

HYDRAULIC HOSE

line, 2SN12DKOLDKOL-700

1шт.

4

03432570

FITTING

socket, S12 DIN3902 ST

1шт.

5

02886951

TUBE

PIPE cpl., P1

1шт.

6

02886968

TUBE

PIPE cpl., P2

1шт.

7

02886976

TUBE

PIPE cpl., T1

1шт.

11

03608850

FITTING

socket, L15 DIN3905 ST

4шт.

12

02887124

TUBE

PIPE cpl.

1шт.

13

02887132

TUBE

PIPE cpl.

1шт.

14

03605831

FITTING

socket, L12 DIN3902 ST

2шт.

15

06545391

HYDRAULIC HOSE

line, 1W10DKOLDKOL-530

1шт.

16

06545406

HYDRAULIC HOSE

line, 1W10DKOLDKOL-870

1шт.

17

03433274

FITTING

threaded elbow joint, EW12-L/OMD

2шт.

18

03663994

SUPPORT

socket, L15 DIN3911 ST

2шт.

19

03655680

NUT

hex, M22 x 1.5 DIN80705 14H

2шт.

20

03663978

FITTING

socket, L12 DIN3911 ST

2шт.

21

03601908

NUT

hex, M18 x1.5 DIN80705 14H

2шт.

22

06655122

SHIM

22 x 32 x 1 DIN988

4шт.

23

06624052

SHIM

18 x 25 x 1 DIN988

4шт.

26

06647620

SHIN

clamping halves, L-KP-2-R-15 DIN3015 PP

2шт.

27

06647540

COVER

PLATE, L-DP-2 DIN3015 W1

2шт.

28

06301638

CAPSCREW

BOLT hexagon head, M6 x 35/8.8-A3C ISO4014

4шт.

29

06647581

SHIN

clamping halves, L-KP-1-R-12 DIN3015 PP

2шт.

30

06646250

COVER

PLATE, L-DP-1 DIN3015 W1

2шт.

31

814-6030

BOLT,Hex, M6 x 1 x 30mm, Cl 8.8

4шт.

32

06647604

SHIN

clamping halves, Z-KP-2-R-15-15 DIN3015 PP

4шт.

33

06647565

COVER PLATE

PLATE, Z-DP-2 DIN3015 W1

5шт.

34

614-8035

BOLT,Hex, M8 x 1.25 x 35mm, Cl 8.8, Full Thd

4шт.

35

06647508

SHIN

clamping halves, Z-KP-1-R-12-12 DIN3015 PP

4шт.

36

06647524

COVER

PLATE, Z-DP-1 DIN3015 W1

4шт.

37

06301638

CAPSCREW

hexagon head, M6 x 35/8.8-A3C ISO4014

4шт.

38

06648076

SHIN

clamping halves, Z-KP-2-R-16-16 DIN3015 PP

1шт.

39

06647805

WELDED END

PLATE, Z-AP-2 DIN3015 W1/O.VERDRE

1шт.

40

06647532

NUT

mounting rail, L-TM DIN3015 W1

4шт.

47

06543412

HOSE

line, 1SN16DKOLDKOL-750

1шт.

48

03433852

RESTRICTOR

fitting x TR18/12/18-L

1шт.

49

03436896

FITTING

adapter flow reduc., RED18/15-L/OMD

1шт.

50

02887501

TUBE ASSY.

PIPE cpl.

1шт.

51

02887518

TUBE ASSY.

PIPE cpl.

1шт.

52

02887526

TUBE ASSY.

PIPE cpl.

1шт.

53

03402403

ADAPTER

male connector, GE18-L/R3/4-ED/OMD

1шт.

54

03434267

FITTING

threaded elbow joint, EW18-L/OMD

1шт.

55

03432587

FITTING

socket L18 DIN3902 ST

1шт.

56

03608867

FITTING

socket L18 DIN3905 ST

1шт.

Выбрано товаров: 45