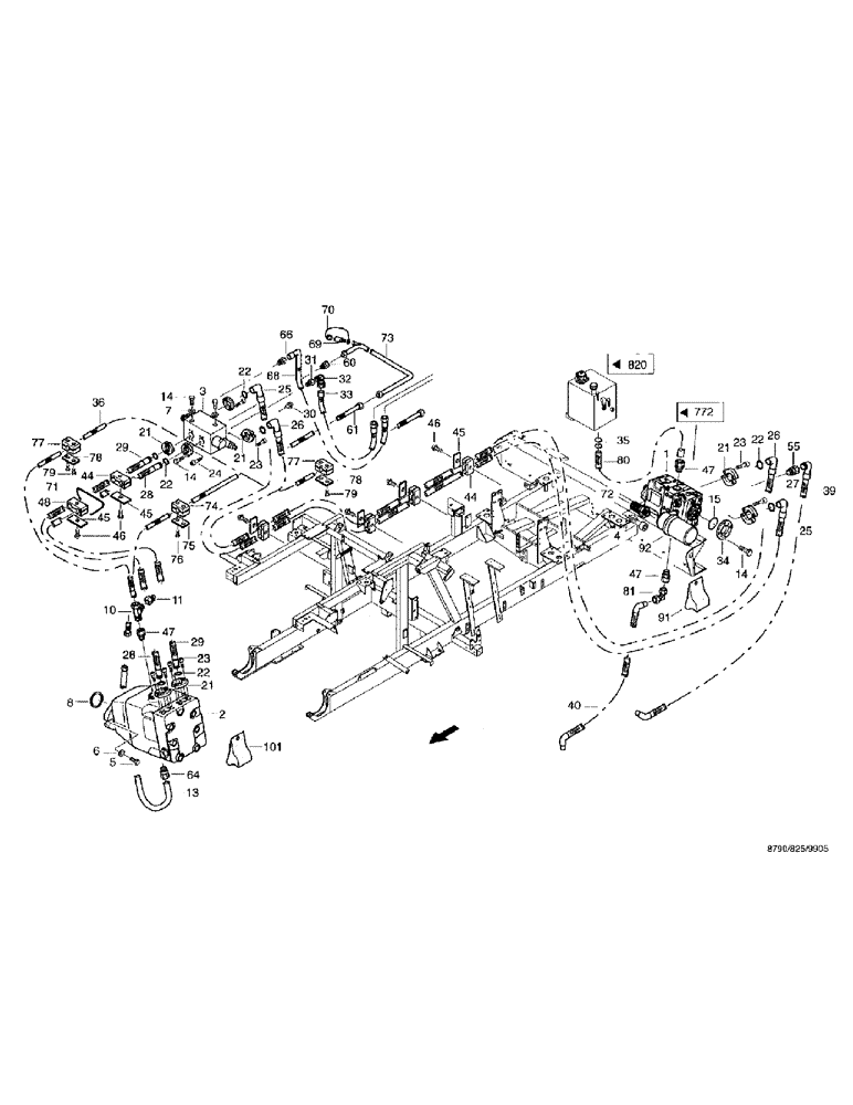
Запчасти Case IH 8790 (187) - WORKING HYDRAULICS, FEED DRIVE (35) - HYDRAULIC SYSTEMS

Схема запчастей Case IH 8790 - (187) - WORKING HYDRAULICS, FEED DRIVE (35) - HYDRAULIC SYSTEMS
81
40
23
64
92
11
80
47
26
72
66
36
21
5
22
60
74
77
44
21
34
23
6
68
14
14
21
4
33
45
73
28
28
24
29
79
69
61
3
22
39
8
30
78
21
13
7
45
71
25
46
44
23
77
75
27
78
101
45
32
79
29
22
76
46
47
26
31
25
91
22
48
70
15
2
35
14
55
47
10
FIT
1:1
100%

Артикул

Название

Примечание

Количество

1

03001035

PUMP, HYDRAULIC

90R042

1шт.

2

02059116

HYDRAULIC MOTOR

engine, 90M042

1шт.

3

03126867

VALVE BLOCK

OF7580

1шт.

4

06280664

SCREW

cheese-head, M14 x 30 DIN912 8.8

2шт.

5

614-12030

BOLT,Hex, M12 x 1.75 x 30mm, Cl 8.8, Full Thd

4шт.

6

895-11012

WASHER,13.5mm ID x 24mm OD x 2.5mm Thk

4шт.

7

06510285

WASHER

10.5 DIN9021 100HV

2шт.

8

01135291

O-RING

100.00 x 3.00 NBR 55SHORE

2шт.

10

03435813

FITTING

right-angle screwing, EL22-L/OMD

1шт.

11

36209074

TEMPERATURE SENDER

pick-up k

1шт.

13

02856070

PIPE ASSY.

cpl.

1шт.

14

627-10035

BOLT,Hex, M10 x 1.5 x 35mm, Cl 10.9, Full Thd

2шт.

15

01135765

O-RING

125.00 x 3.00 6365 NBR 70 SHORE

1шт.

21

03435331

FLANGE ASSY

half, 3/4ZOLL 6000PSI FH-6002 BPW

16шт.

22

01137517

O-RING,25mm ID x 3.53mm Width

25.00 x 3.53 90SHORE A

8шт.

23

06287308

SCREW

cheese-head, 3/8ZOLL-16UNC-2A x 38 DIN912 12

16шт.

24

962-10035

HEX SOC SCREW,M10 x 35mm, Cl 10.9

cheese-head, M10 x 35 DIN912 10.9

14шт.

25

06549104

HOSE

line, 4SH20SFL6-90SFL6-115

1шт.

26

06549112

HOSE

line, 4SH20SFL6-90SFL6-105

1шт.

28

06545488

LINE

hose, 4SH20SFL6SFL6-2475 MIT SCHU

1шт.

29

06545496

LINE

hose, 4SH20SFL6SFL6-2430 MIT SCHU

1шт.

30

03435477

SCREW

locking, VSTIR1/4-ED

1шт.

31

03432714

ADAPTER

male connector, GE12-LR-ED/OMD

1шт.

32

03433274

FITTING

threaded elbow joint, EW12-L/OMD

1шт.

33

06544157

HYDRAULIC HOSE

line, 1SN10DKOLDKOL-760

1шт.

34

36293655

FLANGE

intermediate

1шт.

35

06659142

CLAMP

CLIP hose, AL23-35 DIN3017 W1

2шт.

36

06544173

HYDRAULIC HOSE

line, 1SN20DKOLDKOL20:25- 4300

1шт.

39

06549120

HOSE

line, 1SN25DKOLDKOL90-

1шт.

40

06549137

HOSE

line, 1SN20DKOLDKOL90-920

1шт.

44

06647854

SHIN

clamping halves, Z-KP-5-G-32-32 DIN3015 PP

2шт.

45

06647862

COVER

plate, Z-DP-5 DIN3015 W1

3шт.

46

814-8060

BOLT,Hex, M8 x 1.25 x 60mm, Cl 8.8

3шт.

47

03436412

ADAPTER

male connector, GE22-L/7/8-14UNF/OMD

3шт.

48

06648316

CLAMP

halves, Z-KP-5-G-42.4-4.4 DIN3015 PP

1шт.

55

03436525

ADAPTER

male connector, GE22-L/1 1/16-12UN/ OMD

1шт.

60

03432706

ADAPTER

male connector, GE18-LR-ED/OMD

1шт.

61

06549290

HOSE

line, 2SN16CELCEL-2400

1шт.

64

03436445

TUBE

male connector, GE18-L/7/8-14UNF

1шт.

66

03432755

ADAPTER

male connector, GE10-L/R3/8-ED/OMD

1шт.

68

06544237

HOSE

1SN8DKOL90DKOL-980

1шт.

69

03436783

TRANSMISSION SLEEVE

1шт.

70

98046778

DUST CAP

PLUG, HS04-0-RT001

1шт.

71

01403350

PROTECTION STRIP

1-3 mm

1шт.

72

03436830

ADAPTER

gauge connector, SMK20-9/16UNFPE

1шт.

73

02856087

TUBE

PIPE cpl.

1шт.

74

06647612

SHIN

clamping halves, L-KP-3-G-25 DIN3015 PP

1шт.

75

06646347

COVER

PLATE, L-DP-3 DIN3015 W1

1шт.

76

614-6040

BOLT,Hex, M6 x 1 x 40mm, Cl 8.8, Full Thd

2шт.

77

06645563

SHIN

clamping halves, L-KP-4-G-28 DIN3015 PP

2шт.

78

06646000

COVER

PLATE, L-DP-4 DIN3015 W1

2шт.

79

614-6045

BOLT,Hex, M6 x 1 x 45mm, Cl 8.8, Full Thd

hexagon head, M6 x 45 ISO4017 8.8

4шт.

80

06549145

HOSE

line, 2TE20DKOL90-000-1500

1шт.

81

03434492

FITTING

threaded elbow joint, EW22-L/OMD

1шт.

91

03253760

SEAL PACKAGE

KIT, 90P042

1шт.

92

03224756

FILTER CARTRIDGE

pressure

1шт.

101

03253777

SEAL PACKAGE

KIT, 90M042

1шт.

Выбрано товаров: 57