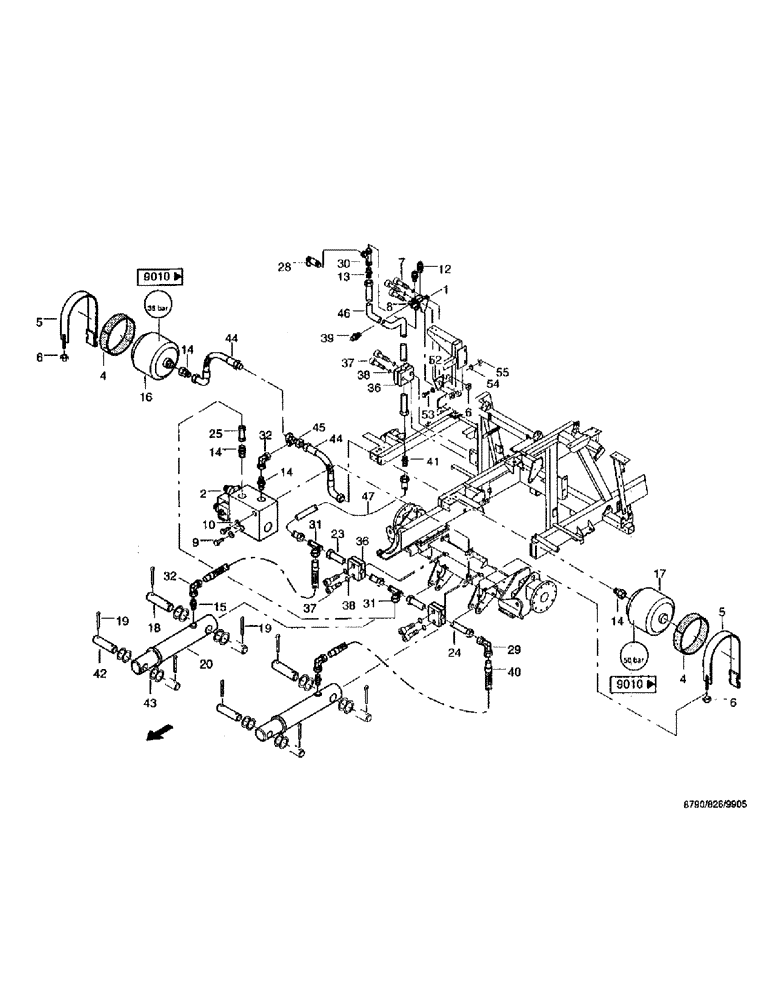
Запчасти Case IH 8790 (190) - WORKING HYDRAULICS, CONTROL RISER (35) - HYDRAULIC SYSTEMS

Схема запчастей Case IH 8790 - (190) - WORKING HYDRAULICS, CONTROL RISER (35) - HYDRAULIC SYSTEMS
6
39
38
10
19
44
31
30
29
37
25
5
37
19
9
23
54
15
31
36
46
24
20
43
12
13
44
16
4
36
1
5
55
17
6
38
32
8
40
14
53
4
52
47
14
7
6
45
14
41
28
2
32
18
42
14
FIT
1:1
100%

Артикул

Название

Примечание

Количество

1

03124568

VALVE

control, EHR-LS

1шт.

2

03126883

VALVE

enable

1шт.

4

01451325

PAD, RUBBER

2 x 30 x 340 55SHORE

2шт.

5

36290484

STRAP

tension tape

2шт.

6

06116155

NUT,M8, Cl 8

5шт.

7

06281761

SCREW

cheese-head, M8 x 80/8.8-A3C DIN912

3шт.

8

895-11008

WASHER,9mm ID x 16mm OD x 1.6mm Thk

3шт.

9

814-6060

BOLT,Hex, M6 x 1 x 60mm, Cl 8.8

2шт.

10

895-11006

WASHER,6.6mm ID x 12mm OD x 1.6mm Thk

2шт.

12

03434322

ADAPTER

male connector, GE15-L/M22 x 1.5-ED/

2шт.

13

03433233

ADAPTER

male connector, GE12-L/M22 x 1.5-ED/ OMD

1шт.

14

03433200

ADAPTER

male connector, GE12-L/M18 x 1.5-ED/ OMD

4шт.

15

03432714

ADAPTER

male connector, GE12-LR-ED/OMD

2шт.

16

03127257

ACCUMULATOR

spring store, 0.5 x 35

1шт.

17

03127265

ACCUMULATOR

spring store, 0.5 x 50

1шт.

18

36228198

LARGE PIN

PIN, LARGE

2шт.

19

06404250

PIN, SPLIT (COTTER)

PIN, COTTER splint, 8 x 63 DIN94 ST

8шт.

20

03124672

CYLINDER

lifting, 63 x 275

2шт.

23

02815745

PIPE ASSY.

cpl.

1шт.

24

02815794

PIPE ASSY.

cpl.

1шт.

25

02815841

PIPE ASSY.

cpl.

1шт.

28

03433588

FITTING

measurement connection, VKA3/12-L A3C

1шт.

29

03433008

FITTING

SOCKET, L12 DIN3905 ST

1шт.

30

03432554

FITTING

right-angle screwing, EL12-L/OMD

1шт.

31

03432618

FITTING

SOCKET, L12 DIN3908 ST

2шт.

32

03433274

FITTING

threaded elbow joint, EW12-L/OMD

3шт.

36

06647581

SHIN

clamping halves, L-KP-1-R-12 DIN3015 PP

5шт.

37

864-6020

HEX SOC SCREW,M6 x 20mm, Cl 8.8

cheese-head, M6 x 20 DIN912 8.8

10шт.

38

895-11006

WASHER,6.6mm ID x 12mm OD x 1.6mm Thk

10шт.

39

03433932

ADAPTER

male connector, GE18-LM-ED/OMD

1шт.

40

06545816

HOSE

2SNK10DKOLDKOL-325

2шт.

41

03605831

FITTING

SOCKET, L12 DIN3902 ST

1шт.

42

07613797

LARGE PIN

PIN, LARGE B40H11 x 140 x 120 DIN1443 ST

2шт.

43

06626890

SHIM

40 x 50 x 2 DIN988

16шт.

44

06545824

HOSE

line, 2SNK10DKOLDKOL90-260

2шт.

45

03433602

SCREW

connection, ET12-L/OMD

1шт.

46

02887382

TUBE ASSY.

PIPE cpl.

1шт.

47

02887390

TUBE ASSY.

PIPE cpl.

1шт.

52

36289425

PLATE ASSY.

k

1шт.

53

613-10025

BOLT,Hex, M10 x 1.5 x 25mm, Cl 8.8, Full Thd

1шт.

55

03292976

NUT

hex, M10 DIN985

1шт.

54

895-11010

WASHER,11mm ID x 20mm OD x 2mm Thk

2шт.

Выбрано товаров: 42