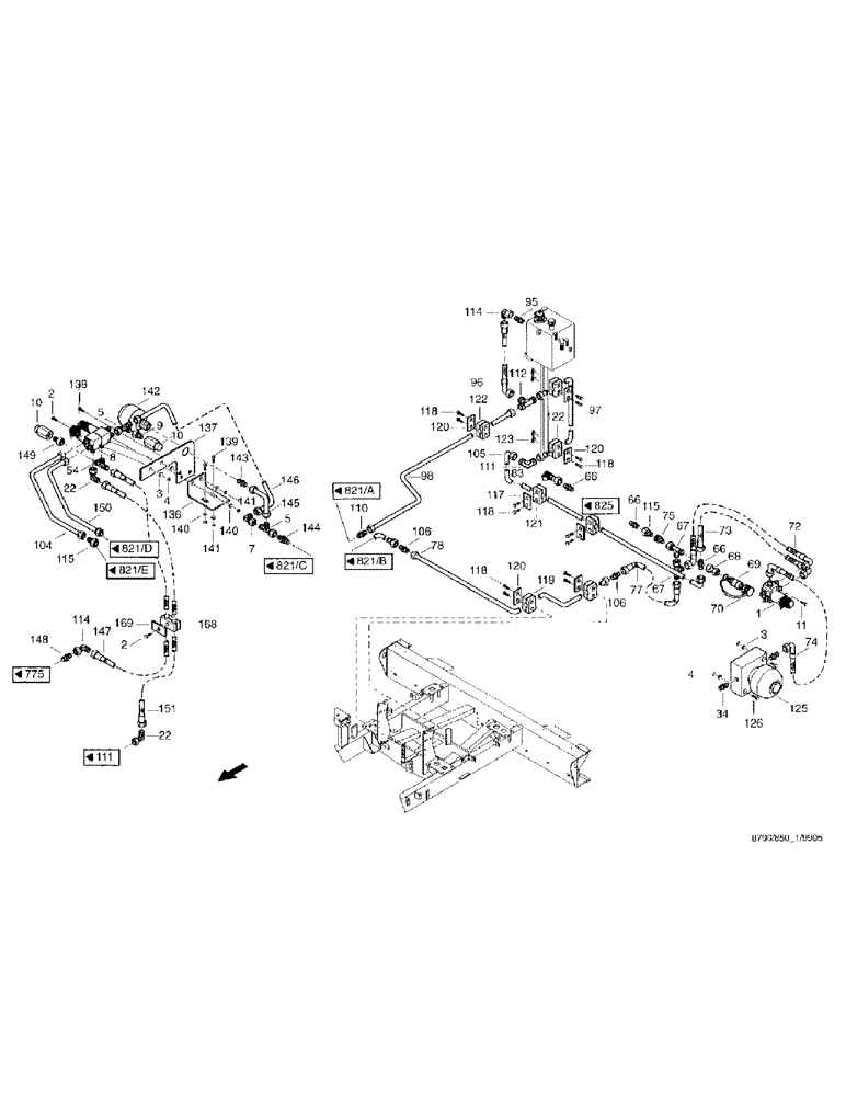
Запчасти Case IH 8790 (202) - LOW-PRESSURE HYDRAULIC EQUIPMENT (35) - HYDRAULIC SYSTEMS

Схема запчастей Case IH 8790 - (202) - LOW-PRESSURE HYDRAULIC EQUIPMENT (35) - HYDRAULIC SYSTEMS
10
126
141
66
149
2
151
147
7
67
120
106
34
139
122
4
118
75
115
3
96
145
140
104
112
66
122
117
3
70
121
83
114
148
168
146
11
68
144
11
119
22
10
72
74
9
169
143
118
136
4
1
105
54
114
69
142
2
150
141
77
110
67
78
123
95
106
118
115
120
120
8
73
98
118
125
22
137
138
66
97
5
5
140
FIT
1:1
100%

Артикул

Название

Примечание

Количество

1

03127915

VALVE

directional block, ND/1

1шт.

2

614-6035

BOLT,Hex, M6 x 1 x 35mm, Cl 8.8, Full Thd

ISO 4017

16шт.

3

895-11006

WASHER,6.6mm ID x 12mm OD x 1.6mm Thk

10шт.

4

15896221

NUT,Hex, M6, 5.20mm High, Cl 10

Hex

12шт.

5

03435042

FITTING

SCREWING right-angle, EL10-L/OMD

4шт.

6

03127538

VALVE BLOCK

directional, ND/4

1шт.

7

03434355

FITTING

threaded elbow joint, EW10-L/OMD

3шт.

8

03127714

VALVE

directional, ND/2/2P

1шт.

9

03435967

CONE

adapter flow reduc., RED10/6-L/OMD

2шт.

10

07074787

SWITCH, PRESSURE

PRESSURE SWITCH pressure switch, 13BAR

3шт.

11

814-6060

BOLT,Hex, M6 x 1 x 60mm, Cl 8.8

2шт.

12

36299427

ANCHOR

valve fixing

1шт.

13

614-12050

BOLT,Hex, M12 x 1.75 x 50mm, Cl 8.8, Full Thd

2шт.

15

03124615

CYLINDER ASSY.

45/35 x 150

1шт.

16

36204045

LARGE PIN

PIN, LARGE coupling lug

1шт.

17

36206666

LARGE PIN

PIN, LARGE coupling lug

1шт.

18

614-8014

BOLT,Hex, M8 x 1.25 x 14mm, Cl 8.8, Full Thd

ISO4017

5шт.

19

06577028

SPECIAL WASHER

M8

5шт.

20

03432730

ADAPTER

CONNECTOR male, GE8-LR-ED/OMD

7шт.

22

03432521

FITTING

threaded elbow joint, EW8-L/OMD

16шт.

23

03432722

ADAPTER

CONNECTOR male, GE8-L/R3/8-ED/OMD

2шт.

26

03124664

CYLINDER ASSY.

35 x 150

1шт.

27

36206891

LARGE PIN

PIN, LARGE coupling lug

1шт.

28

03106073

CYLINDER ASSY.

hydraulic rt

1шт.

29

97058011

CRADLE

yoke, G12 x 24 DIN71752 9S20K

1шт.

30

98028673

LARGE PIN

PIN, LARGE BOLT, ES12 x 24 ES-NORM-01

1шт.

31

829-1412

NUT,M12, Cl 10.9

1шт.

32

895-11016

WASHER,17.5mm ID x 30mm OD x 3mm Thk

1шт.

33

06402722

PIN, SPLIT (COTTER)

PIN, COTTER splint, 5 x 25 DIN94 ST

1шт.

34

03433112

ADAPTER

CONNECTOR male, GE8-LM-ED/OMD

3шт.

38

36252333

LARGE PIN

PIN, LARGE coupling lug

1шт.

39

36252317

LARGE PIN

PIN, LARGE coupling lug

1шт.

40

03436357

FITTING

right-angle screwing, EL8-L/OMD

4шт.

45

03124631

CYLINDER ASSY.

35/25 x 100

1шт.

46

36245945

PISTON ROD/GLAND

head

1шт.

47

03601908

NUT

hex, M18 x 1.5 DIN80705 14H

1шт.

48

36246511

LARGE PIN

PIN, LARGE

2шт.

49

733-5036

COTTER PIN,M5 x 36

splint, 5 x 36 DIN94 ST

4шт.

50

03124648

CYLINDER ASSY.

50/25 x 230

1шт.

51

07645136

LARGE PIN

PIN, LARGE B20H11 x 80 x 66 DIN1443 ST

2шт.

52

895-11020

WASHER,M20 x 37 x 3

21 DIN125 ST

4шт.

53

06402730

PIN, SPLIT (COTTER)

PIN, COTTER splint, 5 x 32 DIN94 ST

4шт.

54

03435895

SCREW

CONNECTION, ET8-L/OMD

5шт.

55

03402083

SCREW

CONNECTION, ET10-L/OMD

1шт.

56

03127997

CYLINDER ASSY.

2FACH DW HALT

1шт.

66

03436533

ADAPTER

CONNECTOR male, GE12-L/9/16-18UNF/ OMD

1шт.

67

03432554

FITTING

right-angle screwing, EL12-L/OMD

3шт.

68

03127177

UNION

CONNECTION, GERADE GVO8-L/12-L

1шт.

69

98046777

TRANSMISSION SLEEVE

HS04-1-L0814

1шт.

70

98046778

DUST CAP

PLUG, HS04-0-RT001

1шт.

72

06549233

HOSE

line, 1SNK8DKOL90DKOL90-8:10-380

1шт.

73

06549241

HOSE

line, 1SNK8DKOL90CEL8:10-

1шт.

74

06549274

HOSE

line, 1SNK6DKOL90DKOL90-

1шт.

75

32037121

WASHER

throttle disk 2.0

1шт.

77

06545455

LINE

line, 1SN8DKOLDKOL-650

1шт.

78

02887413

TUBE ASSY.

PIPE cpl.

1шт.

79

02887421

TUBE ASSY.

PIPE cpl.

1шт.

80

02887438

TUBE ASSY.

PIPE cpl.

1шт.

81

02887446

TUBE ASSY.

PIPE cpl.

1шт.

82

06545543

LINE

hose, 1SNK6DKOLDKOL-800 MIT SCHU

1шт.

83

03436830

ADAPTER

CONNECTOR gauge, SNK20-9/16UNFPE

1шт.

85

02887470

TUBE ASSY.

PIPE cpl.

1шт.

86

02887487

TUBE ASSY.

PIPE cpl.

1шт.

87

02887495

TUBE ASSY.

PIPE cpl.

1шт.

88

06545078

HYDRAULIC HOSE

line, 1SNK6DKOLDKOL-610

1шт.

89

06545045

LINE

hose,1SNK6DKOLDKOL-360

1шт.

91

06545238

HYDRAULIC HOSE

line, 1SNK6DKOLDKOL-420

2шт.

92

02887534

TUBE ASSY.

PIPE cpl.

1шт.

95

03432747

ADAPTER

CONNECTOR male, GE12-L/R1/2-ED/OMD

1шт.

96

06545254

HYDRAULIC HOSE

line, 1SN10DKOL-90DKOL-500

1шт.

97

02888100

TUBE ASSY.

PIPE cpl.

1шт.

98

02888117

TUBE ASSY.

PIPE cpl.

1шт.

99

02888125

TUBE ASSY.

PIPE cpl.

1шт.

100

02888133

TUBE ASSY.

PIPE cpl.

1шт.

103

02888158

TUBE ASSY.

PIPE cpl.

1шт.

104

02887993

TUBE ASSY.

PIPE cpl.

1шт.

105

02888301

TUBE ASSY.

PIPE cpl.

1шт.

106

03605784

FITTING

SOCKET, L10 DIN3902 ST

2шт.

107

03608377

FITTING

SOCKET, L10 DIN3905 ST

1шт.

108

03610234

FITTING

SOCKET, L10 DIN3908 ST

3шт.

109

03434105

FITTING

reducing adapter, GERADE x GR10/8-L

3шт.

110

03605831

FITTING

SOCKET, L12 DIN3902 ST

1шт.

111

03433008

FITTING

SOCKET, L12 DIN3905 ST

2шт.

112

03432618

FITTING

SOCKET, L12 DIN3908 ST

3шт.

114

03433274

FITTING

threaded elbow joint, EW12-L/OMD

2шт.

115

03432400

CONE

adapter flow reduc., RED12/10-L/OMD

3шт.

116

06645692

SHIN

clamping halves, L-KP-0-R-10 DIN3015 PP

4шт.

117

06645684

COVER

PLATE, L-DP-0 DIN3015 W1

8шт.

118

614-6030

BOLT,Hex, M6 x 1 x 30mm, Cl 8.8, Full Thd

18шт.

119

06647598

SHIN

clamping halves, L-KP-1-R-10 DIN3015 PP

3шт.

120

06646250

COVER

PLATE, L-DP-1 DIN3015 W1

8шт.

121

06646363

SHIN

clamping halves, L-KP-0-R-12 DIN3015 PP

3шт.

122

06647581

SHIN

clamping halves, L-KP-1-R-12 DIN3015 PP

4шт.

123

06647532

NUT

mounting rail, L-TM DIN3015 W1

4шт.

125

03127843

ACCUMULATOR

spring store k

1шт.

126

614-6045

BOLT,Hex, M6 x 1 x 45mm, Cl 8.8, Full Thd

BOLT hexagon head, M6 x 45 ISO4017 8.8

3шт.

136

36276357

ANGLE

1шт.

137

36276365

RETAINER

SUPPORT

1шт.

138

614-8020

BOLT,Hex, M8 x 1.25 x 20mm

2шт.

139

614-8025

BOLT,Hex, M8 x 1.25 x 25mm, Cl 8.8, Full Thd

2шт.

140

895-11008

WASHER,9mm ID x 16mm OD x 1.6mm Thk

4шт.

141

06116155

NUT,M8, Cl 8

4шт.

142

03128401

ACCUMULATOR

spring store, 1.0 x 10

1шт.

143

03436863

TUBE

CONNECTOR male, GE10-L/M18 x 1,5/ED/ OMD/A3C

1шт.

144

03125737

CHECK VALVE

RHD10-L/OMD A3K

1шт.

145

02888020

TUBE ASSY.

PIPE cpl.

1шт.

146

02888037

TUBE ASSY.

PIPE cpl.

1шт.

147

06545125

HYDRAULIC HOSE

line, 1SNK6DKOL6:10DKOL- 1200

1шт.

148

03436638

ADAPTER

CONNECTOR male, GEO12-LM/OMD

1шт.

149

03437212

CONE

adapter flow reduc., RED8/6-L/OMD

1шт.

150

02888045

TUBE ASSY.

PIPE cpl.

1шт.

151

06545133

HYDRAULIC HOSE

line, 1SNK6DKOLDKOL-1250

1шт.

156

02888053

TUBE ASSY.

PIPE cpl.

1шт.

157

06545141

HYDRAULIC HOSE

line, 1SNK6DKOLDKOL-890

1шт.

158

06545166

HYDRAULIC HOSE

line, 1SNK6DKOL-45DKOL- 1120

1шт.

159

02888061

TUBE ASSY.

PIPE cpl.

1шт.

161

02888078

TUBE ASSY.

PIPE cpl.

1шт.

162

06545158

HYDRAULIC HOSE

line, 1SNK6DKOLDKOL-980

1шт.

163

06545174

HYDRAULIC HOSE

line, 1SNK6DKOL-45DKOL- 1020

1шт.

164

03605366

FITTING

SOCKET, L8 DIN3902 ST

4шт.

165

03608360

FITTING

SOCKET, L8 DIN3905 ST

1шт.

166

06647813

SHIN

clamping halves, Z-KP-1-R-8-8 DIN3015 PP

6шт.

168

06648092

SHIN

camping halves, Z-KP-1-G-12-12 DIN3015 PP

3шт.

169

06647524

COVER

PLATE, Z-DP-1 DIN3015 W1

10шт.

172

02888086

TUBE ASSY.

PIPE cpl.

1шт.

173

06545094

HYDRAULIC HOSE

line, 1SNK6DKOLDKOL-295

1шт.

174

02888094

TUBE ASSY.

PIPE cpl.

1шт.

175

06545086

HYDRAULIC HOSE

line, 1SNK6DKOLDKOL-655

1шт.

176

06648236

RING, SNAP

RING SNAP locking against pivoting, Z-VS-1-W1 DIN3015

2шт.

178

36282958

VALVE, CHECK

restrictor

2шт.

Выбрано товаров: 130