Запчасти Case IH 45 (A-05) - CONVEYOR BELT AND DRIVE

Схема запчастей Case IH 45 - (A-05) - CONVEYOR BELT AND DRIVE
FIT
1:1
100%

Артикул

Название

Примечание

Количество

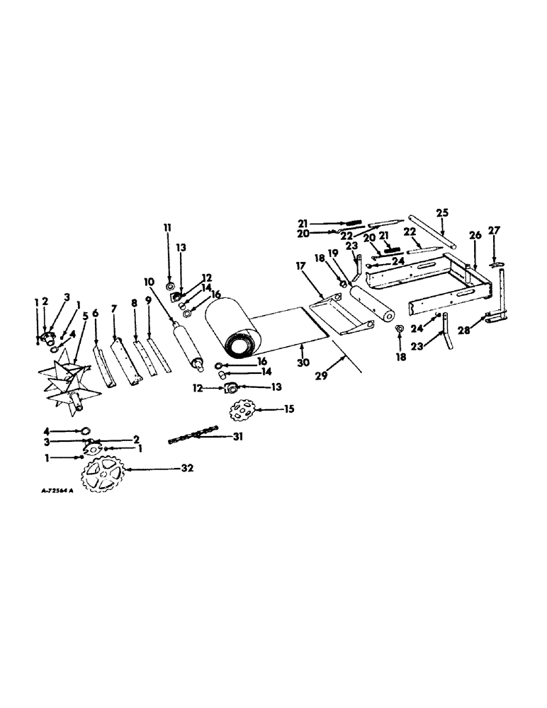
1

619261R1

SPACER

bearing housing pipe

4шт.

2

457096R1

HOUSING, reel pipe bearing

2шт.

3

109461

LUBE NIPPLE,1/8"-27 x .66 lg

NIPPLE, LUBE, 1/8"-27 x .66 lg

2шт.

4

557278R1

WASHER, 1-11/32 x 16 ga flat (or as required)

10шт.

5

457529R91

LEVELER ASSEMBLY

1шт.

104082

RIVET,But Hd, 1/4" x 5/8"

1/4 x 5/8 small button-hd

8шт.

6

457552R1

SEAL, rear conveyor

1шт.

7

457566R3

STIFFENER, stripper support

1шт.

109084

NUT,1/4"-20, G5

9шт.

113956

WASHER,Slotted Rd Hd, 1/4"-20 x 5/8"

1/4 x 5/8 slt-rd-hd mach

4шт.

113957

SCREW,Sl Rnd Hd, 1/4" - 20 x 3/4"

1/4 x 3/4 slt-rd-hd mach

5шт.

103319

LOCK WASHER,1/4"

WASHER, LOCK, 1/4"

9шт.

8

457543R1

SEAL, conveyor wiper

1шт.

9

457542R1

STRIP, wiper backing

1шт.

109084

NUT,1/4"-20, G5

5шт.

113957

SCREW,Sl Rnd Hd, 1/4" - 20 x 3/4"

1/4 x 3/4 rd-hd mach

5шт.

103319

LOCK WASHER,1/4"

WASHER, LOCK, 1/4"

5шт.

Q392

WASHER

9/32 x 3/4 x 18 ga flat

5шт.

10

461674R91

ROLLER ASSY, conveyor drive

1шт.

553050R1

LOCK PIN,1/4" x 1 3/4", Slotted

Pin, , ESNA 1/4" x 1 3/4", Slotted

2шт.

11

454192R2

COLLAR, roll shaft

1шт.

457197R1

BOLT,Hex, 1/2" - 13 x 10 1/2", Gr 20

PIN, 1/4 x 2-1/4 ESNA roll

1шт.

12

457536R11

BOX W/BUSHINGS ASSEMBLY, bearing

2шт.

13

80711

LUBE NIPPLE,65 Degree, 1/8" NPT x 7/8" lg

FITTING, 1/8 pt 67 deg lub

2шт.

14

459095R1

BUSHING, bearing box

2шт.

15

454410R3

SPROCKET, drive, 10 tooth, for slower speed of 135 RPM

1шт.

15

458628R1

SPROCKET, drive, 13 tooth

1шт.

17069R1

LOCK PIN,5/16" x 1 3/4", Slotted

Pin, , ESNA 5/16" x 1 3/4", Slotted

1шт.

16

Q162

WASHER

1-5/32 x 1-3/4 x 16 ga (or as required on roller)

4шт.

17

459108R91

SCAPER ASSEMBLY, roller

1шт.

18

459105R1

BEARING, conveyor idler roller nylon

2шт.

19

459104R11

ROLLER W/BEARINGS ASSY, conveyor idler

1шт.

20

469567R1

SCREW, conveyor belt adj lever

2шт.

102637

NUT,1/2"-13, G5

4шт.

432-1216

COTTER PIN,3/16" x 1"

Pin, Split (Cotter), 3/16" x 1"

2шт.

Q5035

WASHER

17/32 x 1 x 16 ga flat

2шт.

16038R1

WASHER

17/32 x 1 x 11 ga flat

4шт.

21

154890C1

VALVE SPRING

SPRING, conveyor belt adjustment

2шт.

22

469565R11

GUIDE ASSY, adj lever screw

2шт.

103384

COTTER PIN,1/8" x 3/4"

Pin, Split (Cotter), 1/8" x 3/4"

2шт.

23

469568R1

LEVER, conveyor belt adj

2шт.

24

469569R1

BUSHING, conveyor belt adj lever pivot

2шт.

17512R1

BOLT, 3/8 x 2 hex-hd mach

2шт.

102635

NUT,3/8"-16, G5

2шт.

103321

LOCK WASHER,3/8"

WASHER, LOCK, 3/8"

2шт.

510579R1

WASHER

13/32 x 1-1/4 x 16 ga flat

2шт.

25

457534R1

SHAFT, conveyor idler

1шт.

26

469560R91

HITCH ASSEMBLY

1шт.

17412R1

BOLT,Hex, 3/8" - 16 x 3/4", Gr 2

3/8 x 3/4 hex-hd mach

2шт.

17426R1

BOLT,Hex, 3/8" - 16 x 1", Gr 2

3/8 x 1 hex-hd mach

2шт.

80280503

CARRIAGE BOLT,Sht Sq Nk, 3/8" - 16 x 1", Gr 5, Full Thd

BOLT, 3/8 x 1 crg

2шт.

102635

NUT,3/8"-16, G5

6шт.

103321

LOCK WASHER,3/8"

WASHER, LOCK, 3/8"

6шт.

27

520037R11

PIN W/ROLL PIN ASSY, stand adjusting

1шт.

28

469558R11

STAND ASSY, conveyor

1шт.

29

457952R1

PIN, belt lacing

1шт.

30

463522R91

KIT

belt repair, consist of one set alligator lacing w/two pins

1шт.

30

464911R11

KIT, belt repair, heavy duty, consist of 18 in. belt w/ alligator lacings on both ends and two pins, used for splice

1шт.

30

462326R11

BELT, CONVEYOR 16.25" W x 274.00" L, W/Lacing pin assy 16.25" W x 274.00" L

1шт.

31

CHAIN ASSY, conveyor drive, use 48 links of 1-1/4 extended pitch agricultural roller chain from a 10-ft roll marked 569089R91, two connecting links 456980R91 and two offset connecting links 456929R91

1шт.

456980R91

CHAIN LINK

LINK, #2050, double pitch connecting

2шт.

459929R91

LINK

#2050 double pitch offset

1шт.

32

457537R1

SPROCKET, leveler, 20T

1шт.

Q530

HEADED PIN,7.92mm OD x 63.5mm L

PIN, 5/16 x 2-1/2 hd-dld

1шт.

103384

COTTER PIN,1/8" x 3/4"

Pin, Split (Cotter), 1/8" x 3/4"

1шт.

Выбрано товаров: 65