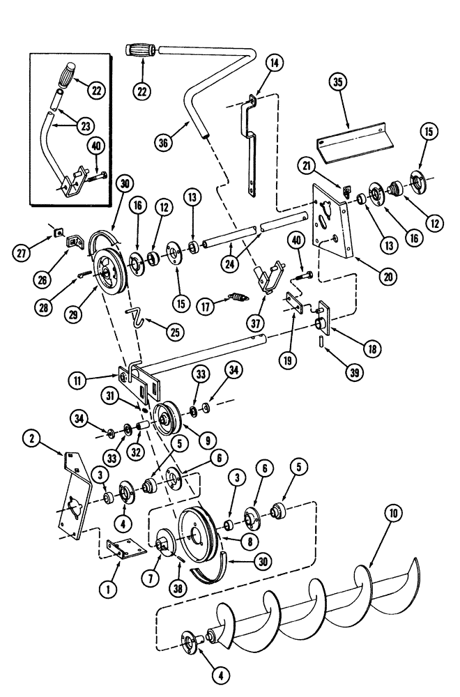
Запчасти Case IH 600 (9-20) - AUGER, AUGER DRIVE AND RELATED PARTS, 56 BLOWER AUGER, AUGER DRIVE AND RELATED PARTS (09) - CHASSIS/ATTACHMENTS

Схема запчастей Case IH 600 - (9-20) - AUGER, AUGER DRIVE AND RELATED PARTS, 56 BLOWER AUGER, AUGER DRIVE AND RELATED PARTS (09) - CHASSIS/ATTACHMENTS
7
3
17
8
25
32
40
29
34
15
22
33
24
37
4
21
16
6
40
35
12
2
33
13
30
5
15
30
9
13
22
20
39
18
6
5
14
31
26
3
34
27
36
38
28
12
1
10
4
16
23
19
11
FIT
1:1
100%

Артикул

Название

Примечание

Количество

1

483435R1

SUPPORT

BRACKET - drive

1шт.

413-616

BOLT,Hex, 3/8" - 16 x 1", Gr 5

- hex, 3/8 NC x 1 inch

2шт.

413-620

BOLT,Hex, 3/8" - 16 x 1-1/4", Gr 5

- hex, 3/8 NC x 1-1/4 inch

2шт.

231-5146

FLANGE NUT,3/8"-16

4шт.

2

483436R1

SUPPORT

- auger strap

1шт.

434-512

CARRIAGE BOLT,Sht Sq Nk, 5/16" - 18 x 3/4", Gr 5

BOLT - carriage, 5/16 NC x 3/4 inch

2шт.

231-5145

SERRATED NUT,Flg, USR, 5/16"-18

NUT - hex serrated flange, 5/16 inch NC

2шт.

413-616

BOLT,Hex, 3/8" - 16 x 1", Gr 5

- hex, 3/8 NC x 1 inch

2шт.

231-5146

FLANGE NUT,3/8"-16

2шт.

3

557115R11

COLLAR

COLLAR - locking, with set screw

2шт.

4

670375R11

FLANGE

- bearing, with lube fitting

2шт.

434-616

CARRIAGE BOLT,Sht Sq Nk, 3/8" - 16 x 1", Gr 5

BOLT - carriage, 3/8 NC x 1 inch

6шт.

231-5146

FLANGE NUT,3/8"-16

6шт.

5

T33150

BALL BEARING,28.57mm ID x 62mm OD x 18mm W

BEARING - ball, less collar

2шт.

6

939461R1

FLANGE

- bearing, without lube fitting

2шт.

7

581554R1

HUB CAP

HUB - driven, sheave

1шт.

8

101400C1

PULLEY

- auger drive, S/N 12305 and after

1шт.

8

587622R11

PULLEY

- auger drive, prior to S/N 12305, no longer available

1шт.

413-616

BOLT,Hex, 3/8" - 16 x 1", Gr 5

- hex, 3/8 NC x 1 inch

3шт.

231-5146

FLANGE NUT,3/8"-16

3шт.

9

469611R91

PULLEY

ASSEMBLY - idler bearing, includes items 31 through 34, parts list page 9-23

1шт.

413-844

BOLT,Hex, 1/2" - 13 x 2-3/4", Gr 5

- hex, 1/2 NC x 2-3/4 inch

1шт.

495-11053

WASHER,1/2", SAE

(17/32" x 1-1/16" x 3/32") 1/2", SAE

1шт.

231-5148

FLANGE NUT,Flg, USR, 1/2"-13

1шт.

10

483503R91

AUGER

- drive

1шт.

495-81084

WASHER,1.16" ID x 1.5" OD x 0.06" Thk

- flat, 1-5/32 x 1-1/2 x 3/64 inch

2шт.

11

483495R91

ARM

- idler

1шт.

495-81081

WASHER,1 3/32" x 1 1/2" x .060"

- flat, 1-3/32 x 1-1/2 x 1/16 inch

4шт.

432-1632

COTTER PIN,1/4" x 2"

Pin, Split (Cotter), 1/4" x 2"

1шт.

12

483516R92

BEARING ASSY,52 mm OD x 1.21875"

- auger drive

2шт.

13

658006R11

COLLAR

- locking, with set screw

2шт.

14

483440R2

SUPPORT

- lever

1шт.

413-616

BOLT,Hex, 3/8" - 16 x 1", Gr 5

- hex, 3/8 NC x 1 inch

2шт.

231-5146

FLANGE NUT,3/8"-16

2шт.

15

937518R91

FLANGE

- with grease fitting

2шт.

434-512

CARRIAGE BOLT,Sht Sq Nk, 5/16" - 18 x 3/4", Gr 5

BOLT - carriage, 5/16 NC x 3/4 inch

6шт.

231-5145

SERRATED NUT,Flg, USR, 5/16"-18

NUT - hex serrated flange, 5/16 inch NC

6шт.

16

937517R1

FLANGE

- bearing, less lube fitting

2шт.

17

138474C1

VALVE SPRING

SPRING - auger

1шт.

18

483492R91

ARM

- front lever

1шт.

495-81021

WASHER,17/32" x 1" x .120"

- flat, 17/32 x 1 x 7/64 inch

4шт.

432-1216

COTTER PIN,3/16" x 1"

1шт.

19

483491R1

BAR

- connecting strap

1шт.

20

483439R1

SUPPORT

- bearing, prior to S/N 17475, no longer available

1шт.

20

117011C1

SUPPORT

- bearing, S/N 17475 and after

1шт.

413-616

BOLT,Hex, 3/8" - 16 x 1", Gr 5

- hex, 3/8 NC x 1 inch

1шт.

413-612

BOLT,Hex, 3/8" - 16 x 3/4", Gr 5

2шт.

413-620

BOLT,Hex, 3/8" - 16 x 1-1/4", Gr 5

- hex, 3/8 NC x 1-1/4 inch

1шт.

231-5146

FLANGE NUT,3/8"-16

4шт.

21

483487R1

ANGLE

- shield clip

1шт.

22

386283R1

GRIP

- control handle, replaces 481566R1 grip

1шт.

23

483488R11

LEVER

- control handle, prior to S/N 16271, no longer available order item 36, 136344C1 tube and item 37, 136345C1 bracket

1шт.

23

117012C1

LEVER

- control handle, S/N 16271 through S/N 17474, no longer available, order item 36, 136344C1 tube and item 37, 136345C1 bracket

1шт.

495-51053

WASHER,13.49mm ID x 25.4mm OD x 1.6mm Thk

- flat, 17/32 x 1 x 1/16 inch

4шт.

432-1216

COTTER PIN,3/16" x 1"

1шт.

24

483511R1

SHAFT

- belt drive

1шт.

25

483499R1

ROD

CLIP - belt

1шт.

26

483512R2

ANGLE

- shield clip

1шт.

413-612

BOLT,Hex, 3/8" - 16 x 3/4", Gr 5

1шт.

231-5146

FLANGE NUT,3/8"-16

1шт.

27

1502286C2

NUT,Floating Cage, 5/16"-18

- speed, 5/16 inch NC

1шт.

28

Q3914

KEY,Gib, 1/4" Sq x 1 1/2"

- 1/4 x 1-1/2 inch

1шт.

29

2231K

PULLEY

- drive

1шт.

30

23898K

BELT,61.79" L

V-BELT , Auger drive, S/N 12305 and after 61.79" L

1шт.

30

668929R1

V-BELT,65.80" L

Auger drive, Replaces 483502R1 belt, Prior to S/N 12305 65.80" L

1шт.

31

219-87

LUBE NIPPLE,1/4" - 28 NPTF

NIPPLE, LUBE, 1/4"-28 x .56" lg, Self-Tap

1шт.

32

464898R1

BUSHING

BEARING - roller, idler pulley

1шт.

33

464900R1

THRUST WASHER

- thrust, idler pulley

2шт.

34

464899R1

CUP WASHER

- cupped

2шт.

35

117010C1

SHIELD

- hopper drive support

1шт.

36

136344C1

TUBE

- lever, S/N 17475 and after

1шт.

37

136345C1

BRACKET

- lever tube, S/N 17475 and after

1шт.

413-624

BOLT,Hex, 3/8" - 16 x 1-1/2", Gr 5

- hex, 3/8 NC x 1-1/2 inch

2шт.

128366C1

LOCK NUT

- hex, self-locking, 3/8 inch NC

2шт.

495-51053

WASHER,13.49mm ID x 25.4mm OD x 1.6mm Thk

- flat, 17/32 x 1 x 1/16 inch

4шт.

432-1216

COTTER PIN,3/16" x 1"

1шт.

38

438-12432

LOCK PIN,3/8" x 2", Slotted

Pin, 3/8" x 2", Slotted

1шт.

39

22099R1

LOCK PIN,5/16" x 1 1/2", Slotted

Pin, , purchase locally 5/16" x 1 1/2", Slotted

1шт.

432-1216

COTTER PIN,3/16" x 1"

1шт.

40

22895R1

PIN,1/2" x 2 7/8"

- cotter, 1/2 x 2-7/8 inch, purchase locally

1шт.

432-1216

COTTER PIN,3/16" x 1"

1шт.

Выбрано товаров: 81